电脑桌面
添加小米粒文库到电脑桌面
安装后可以在桌面快捷访问

ISO9001:2015管理手册自动保存VIP免费

ISO9001:2015管理手册自动保存_第1页
1/63
ISO9001:2015管理手册自动保存_第2页
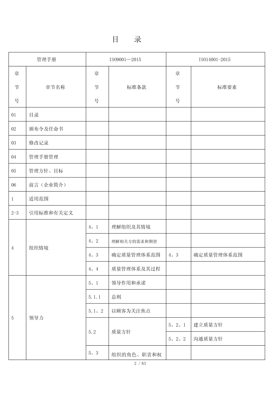
2/63
更改/修订状态:A/1编号:PL—CO—QM—00(0)编制:编制小组审核:李丹批准:吴世昌总经理2016-05-26发布2016-05-26实施宝罗电子(天津)有限公司发布宝罗电子(天津)有限公司质量环境管理手册2/63目录管理手册ISO9001—2015ISO14001-2015章节号章节名称章节号标准条款章节号标准要素01目录02颁布令及任命书03修改记录04管理手册管理05管理方针、目标06前言(企业简介)1适用范围2-3引用标准和有关定义4组织情境4。1理解组织及其情境4。2理解相关方的需求和期望4。3确定质量管理体系范围4。3确定质量管理体系范围4。4质量管理体系及其过程5领导力5。1领导作用和承诺5.1.1总则5.1。2以顾客为关注焦点5.2质量方针5。2。1建立质量方针5。2。2沟通质量方针5。3组织的角色、职责和权3/63限6策划6.16.26.3应对风险和机会的措施质量目标和实现计划变更的策划6.1应对风险和机会的措施6。2质量目标和实现计划7支持7.1资源7.1。1总则7.1.2人员7.1.3基础设施7.1。4过程运行环境7。1。5监视和测量资源7.1。6组织知识7。2能力7。2能力7。3意识7.4沟通7.4沟通7。5文件化信息7。5.1总则7.5.1总则7。5.2编制和更新7.5.3文件化信息的控制7.5。3文件化信息的控制8运行8.1运行的策划和控制8.1运行的策划和控制8.2产品和服务要求8.2应急准备和响应8。2.1顾客沟通8.2.2产品和服务要求的确定8。2.3产品和服务要求的评审4/638。2.4产品和服务要求的变更8。3产品和服务的设计和开发删减8。4外部提供过程、产品和服务的控制8.4.1总则8。4。2控制类型和程度8.4.3外部供方的信息8.5生产和服务提供8.5。1生产和服务提供的控制8。5.2标识和可追溯性8。5.3顾客或外部供方财产8。5。4防护8。5。5交付后活动8。5.6变更的控制8.6产品和服务的放行8。7不合格输出的控制9绩效评价9。1监视、测量、分析和评价9.1。1总则9.1.1总则9。1。2顾客满意9.1。2顾客满意9。1。3分析和评价9.2内部审核9.2内部审核9。3管理评审9.3.1总则9。3。1总则5/639。3。2管理评审输入9.3。3管理评审输出10改进10。1总则10.2不合格和纠正措施10.2不合格和纠正措施10.3持续改进6/63管理手册颁布令公司全体员工:为提高企业管理水平,本公司依据ISO9001-2015《质量管理体系要求》、ISO14001-2015《环境管理体系要求及使用指南》标准的要求编制完成了《管理手册》,并据此完善我公司的管理体系。经审定,本《管理手册》符合国家有关法律、法规和公司的实际情况,阐明了我公司的管理方针、管理目标,描述了我公司摄像头的生产、销售和服务的质量、环境管理体系,是公司管理体系的法规性文件,是指导公司建立并实施综合管理体系的纲领和行动准则。现批准发布,望公司全体员工必须执行。总经理:吴世昌2016年05月26日7/63管理者代表任命书为了贯彻执行ISO9001—2015《质量管理体系要求》、ISO14001—2015《环境管理体系要求及使用指南》标准的要求,加强质量、环境运作的领导,特任命许景桓兼本公司管理者代表,以确保质量、环境过程得到建立和保持。管理者代表的主要职责是:保证公司管理体系的建立和保持;向最高管理者报告管理体系的业绩,包括改进的需求;在整个组织内促进顾客要求意识的形成;确保在整个组织内贯彻产品质量意识、环境保护意识;就管理体系中的有关事宜对外联络。(管理者代表的具体职责详见本手册有关条款)公司各部门和全体员工必须服从管理者代表的指挥、协调,共同履行管理职责,确保管理体系有效运行和持续改进。总经理:吴世昌2016年05月25日8/6303修改记录管理手册的修改必须按文件控制要求实施,并及时将修改情况及结果填入下表,该表不足够时可另附续表。管理手册修改记录表章节号修改条款修改日期修改人审核批准45678910组织情境领导力策划支持运行绩效评价改进2016.5。26李丹许景桓吴世昌9/631范围1.1目的确保管理手册持有者使用有效版本.1.2适用范围适用于本公司管理手册的编制、审批、发放、更改和管理。1.3职责公司管理手册由管理者代表组织编写小组编写并审核,总经理批准后颁布实施。管理手册管理的所有相关事宜,均由品质部具体负责.1。4要求及措施1.4.1管理手册的发放管理手册分为“受控”与“非受控”两类,其发放...

1、当您付费下载文档后,您只拥有了使用权限,并不意味着购买了版权,文档只能用于自身使用,不得用于其他商业用途(如 [转卖]进行直接盈利或[编辑后售卖]进行间接盈利)。
2、本站所有内容均由合作方或网友上传,本站不对文档的完整性、权威性及其观点立场正确性做任何保证或承诺!文档内容仅供研究参考,付费前请自行鉴别。
3、如文档内容存在违规,或者侵犯商业秘密、侵犯著作权等,请点击“违规举报”。

碎片内容

ISO9001:2015管理手册自动保存

您可能关注的文档

确认删除?
VIP
微信客服
  • 扫码咨询
会员Q群
  • 会员专属群点击这里加入QQ群
客服邮箱
回到顶部