电脑桌面
添加小米粒文库到电脑桌面
安装后可以在桌面快捷访问

土力学实验报告VIP专享VIP免费

土力学实验报告_第1页
1/6
土力学实验报告_第2页
2/6
土力学实验报告_第3页
3/6
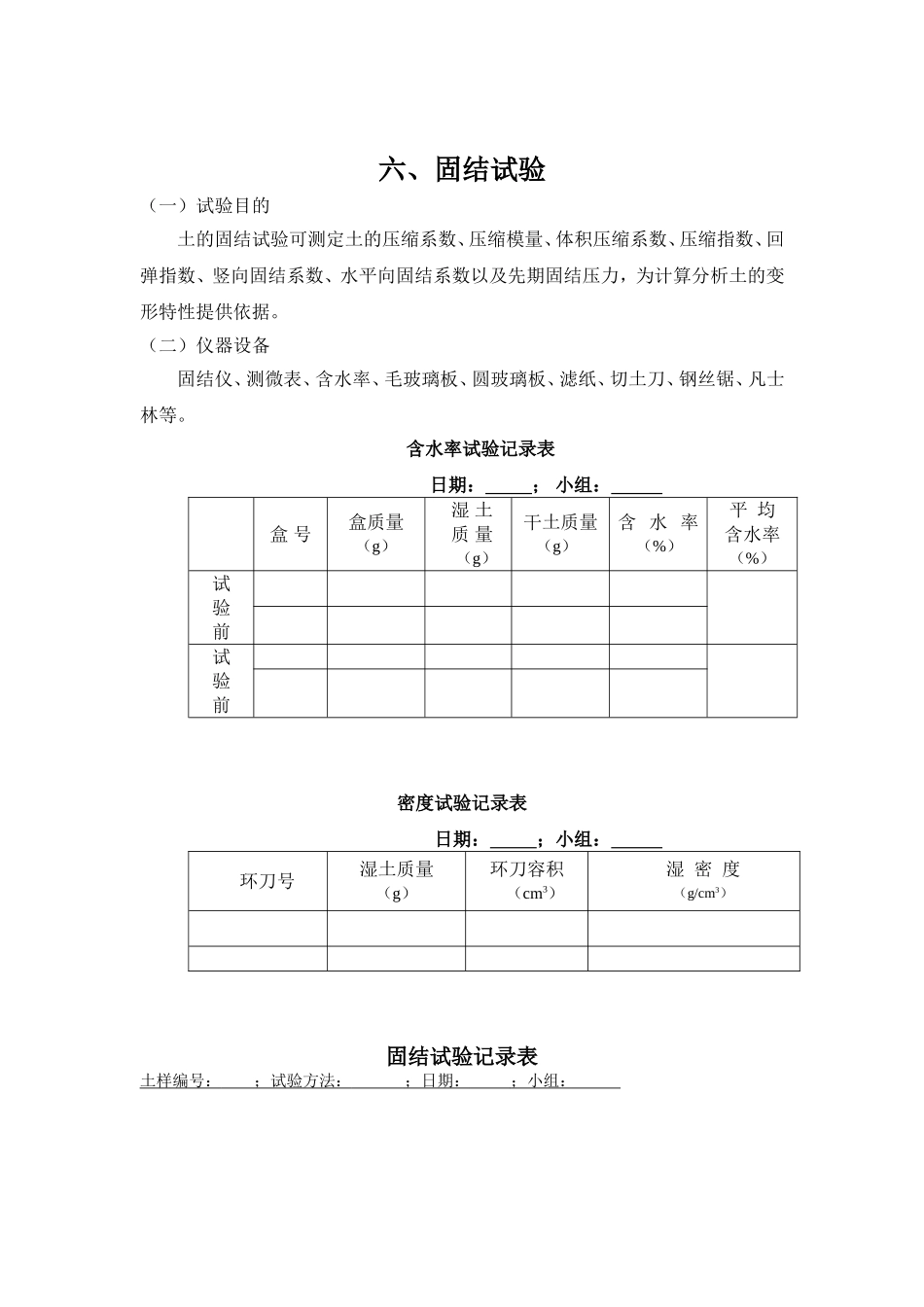
六、固结试验(一)试验目的土的固结试验可测定土的压缩系数、压缩模量、体积压缩系数、压缩指数、回弹指数、竖向固结系数、水平向固结系数以及先期固结压力,为计算分析土的变形特性提供依据。(二)仪器设备固结仪、测微表、含水率、毛玻璃板、圆玻璃板、滤纸、切土刀、钢丝锯、凡士林等。含水率试验记录表日期:;小组:盒号盒质量(g)湿土质量(g)干土质量(g)含水率(%)平均含水率(%)试验前试验前密度试验记录表日期:;小组:环刀号湿土质量(g)环刀容积(cm3)湿密度(g/cm3)固结试验记录表土样编号:;试验方法:;日期:;小组:土样高度H0cm,土粒密度g/cm3,土密度g/cm3含水率,试验前孔隙比e0=荷载P(kpa)50100200400800测微表初读数(0.01mm)各级荷载历时(min)及测微表读数(0.01mm)历时测微表读数(0.01mm)测微表读数(0.01mm)测微表读数(0.01mm)测微表读数(0.01mm)测微表读数(0.01mm)15"1'2'15"4'6'15"9'12'15"16'20'15"25'各级荷载历时完后测微表读数(0.01mm)变形量(mm)仪器变形量(mm)各级增量荷载下土样压缩量(mm)各级荷载下总压缩量(mm)各级荷载下孔隙比压缩系数(Mpa-1)压缩模量(Mpa)e~p曲线绘制区思考题:1、根据e~p曲线求,并说明该土的压缩性?2、详述试验步骤?3、根据上述试验数据,如何确定土的前期固结压力?七、直剪试验(一)试验目的直接剪切试验是测定土的抗剪强度的一种常用方法,可提供地基强度计算和稳定分析所需的土的抗剪强度参数,内摩擦角和粘聚力。可作为综合设计性试验(二)试验方法根据排水条件及剪切速度,分为快剪、固结快剪和慢剪。(三)仪器设备直剪仪、测力钢环、环刀、切土刀、钢丝锯、毛玻璃板、圆玻璃板、百分表、秒表等。试验记录表土样编号:;试验方法:;日期:;小组:仪器编号:应变钢环号码:应变钢环系数K(kPa/0.01mm):垂直压力(kpa)50100200400应变钢环初读数R0(0.01mm)手轮转数应变钢环读数R(0.01mm)剪应力s(kpa)剪切位移(0.01mm)应变钢环读数R(0.01mm)剪应力s(kpa)剪切位移(0.01mm)应变钢环读数R(0.01mm)剪应力s(kpa)剪切位移(0.01mm)应变钢环读数R(0.01mm)剪应力s(kpa)剪切位移(0.01mm)剪123456切位移78910111213141516171818与剪应力关系192021222324252627282930282930313233343536373839404184243444546四、计算公式:应变钢环读数差:=R-R0(0.01mm);剪应力:(kPa)剪切位移:(0.01mm)n——手轮转数。五、成果整理1.对每一垂直应力,以剪应力s为纵座标,剪切位移ΔL为横座标绘制剪应力s与剪切位移△L关系曲线,并求出相应的抗剪强度τ。2.绘制曲线,求出内摩擦角及内粘聚力c。六、思考题:1、试验过程中依据什么来判别试样达到抗剪强度?试根据试验结果绘制曲线?2、直接剪切试验一般可以分为哪几种方法,其相互间的异同点如何?3、土的抗剪强度受剪切试验时间长短的影响如何?4、不同含水率的土料其抗剪强度是如何变化的?

1、当您付费下载文档后,您只拥有了使用权限,并不意味着购买了版权,文档只能用于自身使用,不得用于其他商业用途(如 [转卖]进行直接盈利或[编辑后售卖]进行间接盈利)。
2、本站所有内容均由合作方或网友上传,本站不对文档的完整性、权威性及其观点立场正确性做任何保证或承诺!文档内容仅供研究参考,付费前请自行鉴别。
3、如文档内容存在违规,或者侵犯商业秘密、侵犯著作权等,请点击“违规举报”。

碎片内容

土力学实验报告

确认删除?
VIP
微信客服
  • 扫码咨询
会员Q群
  • 会员专属群点击这里加入QQ群
客服邮箱
回到顶部