电脑桌面
添加小米粒文库到电脑桌面
安装后可以在桌面快捷访问

土质路堤施工技术VIP免费

土质路堤施工技术_第1页
1/4
土质路堤施工技术_第2页
2/4
土质路堤施工技术_第3页
3/4
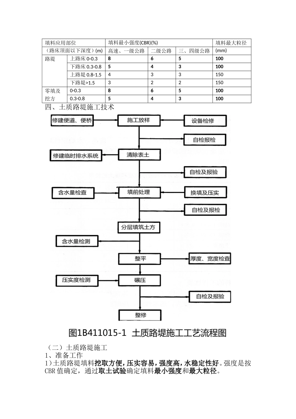
填料应用部位填料最小强度(CBR)(%)填料最大粒径(路床顶面以下深度)(m)高速、一级公路二级公路三、四级公路(mm)路堤上路床0-0.3865100下路床0.3-0.8543100上路堤0.8-1.5433150下路堤>1.5322150零填及挖方0-0.38651000.3-0.8543100四、土质路堤施工技术(二)土质路堤施工1、准备工作1)土质路堤填料挖取方便,压实容易,强度高,水稳定性好。强度是按CBR值确定,通过取土试验确定填料最小强度和最大粒径。(1)石质土由粒径大于2mm的碎(砾)石,其含量由25%〜50%及大于50%两部分组成。如碎(砾)石土,空隙度大,透水性强,压缩性低,内摩擦角大,强度高,属于较好的路基填料。(2)砂性土是良好的路基填料,既有内摩擦力,又有粘聚力。(3)砂土路基强度高,水稳定性好。但砂土粘性小,易于松散,受水流冲刷和风蚀易损坏,在使用时可掺入粘性大的土改善质量。(4)粉质土不宜直接填筑于路床,必须掺入较好的土体后才能用作路基填料,且在高等级公路中,只能用于路堤下层(距路槽底0.8m以下)。(5)轻、重粘土不是理想的路基填料,规范规定:液限大于50%、塑性指数大于26、含水量不适宜直接压实的细粒土,不得直接作为路基填料,需要使用时,必须采取技术措施进行处理,经检查满足设计要求后方可使用。(6)黄土、盐渍土、膨胀土等特殊土体不得已必须用作路基填料时,应严格按其特殊的施工要求进行施工。(7)泥炭、淤泥、冻土、有机质土、强膨胀土、含草皮土、生活垃圾、树根和含有腐殖物质的土不得用作路基填料。3)施工放样(36-39)(1)常用测量仪器及其作用①水准仪a.微倾水准仪使用步骤:安置仪器和粗略整平(粗平)、调焦和照准、精确整平(精平)和读数。b.自动安平水准仪操作程序:粗平→照准→读数。②经纬仪的使用包括对中、整平、照准和读数四个步骤。③全站仪及其作用测量水平角、竖直角和斜距,借助于机内固化的软件,可以组成多种测量功能。④全球定位系统(GPS)按用户接收机天线在测量中所处的状态来分,分为静态定位和动态定位。大地测量、控制测量、变形测量、工程测量采用静态相对定位,精度要求不高的碎部测量可采用动态相对定位。公路工程的测量主要应用了GPS的两大功能:静态功能和动态功能。在公路施工中,GPS可用于隧道控制测量、特大桥控制测量,也可用于公路中线、边桩的施工放样。(2)中线放样方法①切线支距法:在没有全站仪的情况下,利用经纬仪和钢尺,以曲线起(终)点为直角坐标原点,计算出待放点x、y坐标,进行放样的一种方法。②偏角法:在没有全站仪的情况下,利用经纬仪和钢尺,以曲线起(终)点为极坐标极点,计算出待放点偏角△、和距离d,进行放样的一种方法。(3)坐标法放样根据设计单位布设的导线点和设计单位提供的逐桩坐标表进行放样的一种方法。利用全站仪进行放样。高速公路、一级公路宜采用坐标法进行测量放样。(4)GPS-RTK技术放样GPS载波相位差分技术又称为RTK技术,是将两个测站的载波相位进行实时处理,及时解算出观测点的三维坐标或地方平面直角坐标,并达到厘米级的精度。在进行道路中线施工放样之前,首先要计算出线路上里程桩的坐标,然后才能用GPS-RTK的放样功能解算放样点的平面位置。2、原地基处理(1)路基用地范围内的树木、灌木丛等均应在施工前清理。(2)原地面的坑、洞、墓穴等,应在清除沉积物后,用合格填料分层回填分层压实,压实度应不小于90%。(3)原地基为耕地或松土时,应先清除有机土、种植土、草皮等,清除深度应达到设计要求,一般不小于15cm,平整后按规定压实。(4)基底原状土的强度不符合要求时,应进行换填,换填深度应不小于30cm,并分层压实到规定要求。(5)基底应在填筑前进行压实。高速公路、一级公路、二级公路路堤基底的压实度应不小于90%,当路堤填土高度小于路床厚度(0.8m)时,基底的压实度不宜小于路床的压实度标准。(6)路堤填筑时,当原地面纵坡大于12%或横坡陡于1:5时,应按设计要求挖台阶,或设置成坡度向内并大于4%、宽度大于2m的台阶。3、土质路堤填筑方法(1)水平分层填筑:按横断面全宽分成水平层次,逐层向上填筑,是路基填筑的常用方式。(2)纵向分层填筑:依路线纵坡方...

1、当您付费下载文档后,您只拥有了使用权限,并不意味着购买了版权,文档只能用于自身使用,不得用于其他商业用途(如 [转卖]进行直接盈利或[编辑后售卖]进行间接盈利)。
2、本站所有内容均由合作方或网友上传,本站不对文档的完整性、权威性及其观点立场正确性做任何保证或承诺!文档内容仅供研究参考,付费前请自行鉴别。
3、如文档内容存在违规,或者侵犯商业秘密、侵犯著作权等,请点击“违规举报”。

碎片内容

土质路堤施工技术

您可能关注的文档

确认删除?
VIP
微信客服
  • 扫码咨询
会员Q群
  • 会员专属群点击这里加入QQ群
客服邮箱
回到顶部