电脑桌面
添加小米粒文库到电脑桌面
安装后可以在桌面快捷访问

防排烟系统施工安装全程验收记录VIP免费

防排烟系统施工安装全程验收记录_第1页
1/42
防排烟系统施工安装全程验收记录_第2页
2/42
防排烟系统施工安装全程验收记录_第3页
3/42
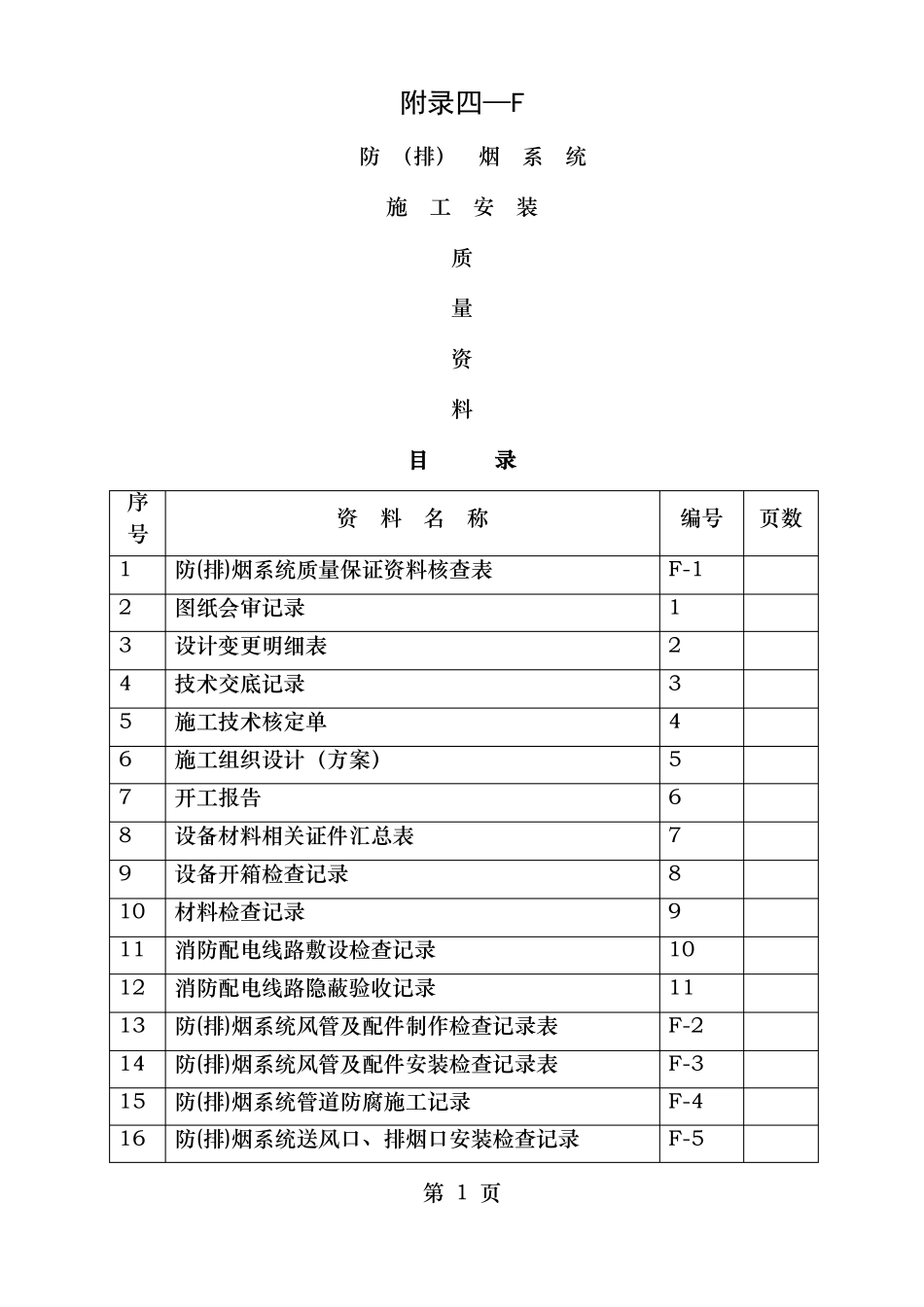
附录四—F防(排)烟系统施工安装质量资料目录序号123456789图纸会审记录设计变更明细表技术交底记录施工技术核定单施工组织设计(方案)开工报告设备材料相关证件汇总表设备开箱检查记录资料名称防(排)烟系统质量保证资料核查表编号F-11234567891011F-2F-3F-4F-5页数10材料检查记录11消防配电线路敷设检查记录12消防配电线路隐蔽验收记录13防(排)烟系统风管及配件制作检查记录表14防(排)烟系统风管及配件安装检查记录表15防(排)烟系统管道防腐施工记录16防(排)烟系统送风口、排烟口安装检查记录第1页17防(排)烟系统阀门安装检查记录18防(排)烟系统隐蔽工程验收记录19防(排)烟系统基础复测记录20防(排)烟系统风机安装检查记录21防(排)烟系统通风管网技术试验记录22防(排)烟系统风口风量试验记录23防(排)烟系统风机试验记录24防(排)烟系统风机试运转记录25防(排)烟系统系统调试报告序号27竣工报告28设备移交清单F-6F-7F-8F-9F-10F-11F-12F-13F-14编号F-151213资料名称页数26通风空调及防(排)烟系统自检报告第2页防(排)烟系统质量保证资料核查表编号:F-1工程名称施工单位类别建设单位核查日期份数2==项目2003年11月28日核查情况属实图纸会审、技术交底记录前期设计变更、技术核定单施工组织设计(方案)开工报告设备(材料)相关证件汇总出厂表检验设备(材料)检查记录隐蔽消防配电线路隐蔽验收记验收录记录111211属实属实属实属实属实属实风管隐蔽验收记录各类安装检查记录安装检查各类测试、试验记录试验调试报告记录自检报告8411第3页属实属实属实属实竣工报告设备移交清单11属实属实其他核查意见:经检查,各类资料齐全,符合要求技术负责人质检员第册第1页排烟系统图纸会审记录编号:1工程名称设计单位会审地点会审主消化图纸题图纸会1、消化设计图纸审2、业主对本工程具体要求内容第4页建设单位施工单位会审日期无锡市规划设计院工地==2003年4月15日议定事项设计单位代表建设(监理)单位代表施工单位代表注:设计修改应由设计单位另发变更通知单。表内不够填写时,可附后。第册第2页排烟系统技术交底记录编号:3工程名称分项工程名称建设单位施工单位排烟系统==第5页技术交底内1、排烟系统施工,严格按设计图纸进行。2、风管水平安装,直径或边长尺寸小于400mm,间接不应大于4M设立架架大于或等于400mm,不应大于3m设立吊架。3、风管垂直安装间距不应大于4M每根立管固定件不应少于2个。4、连接法兰螺栓应均匀拧紧其螺母应在同一侧。5、风管不所用金属附件与部件应按设计要求作防腐处理。6、法兰垫片应减少接头,接头必须采用梯形或榫形连接垫片应干净并涂密封胶粘牢。7、防火阀安装方向位置应正确,易熔件应迎气流方向安装后应做动作试验,其阀板启闭应灵活,动作应可靠。8、通风机安装,整体安装风机,搬运与吊装绳索不得捆缚在转子与机壳或轴承盖上,现场组装风机绳索捆缚不得损伤机件表面转子轴颈与轴封等处均不应作为捆缚部位。容参加人员技术负责人交底人交底日期2003年4月15日记录人第册第3页排烟系统施工组织设计(方案)编号:5工程名建设单第6页称设计单位无锡市规划设计院位施工单位==施工组织设计(方案):1、施工组织:项目经理==;技术负责人=;质量员==;管道施工员==;安全员==。2、施工部署由==带1个作业组,按图纸进行施工,严格进行对施工人员安全教育与质量技术规范学习施工过程中经常及业主监理方保持联系严格按图纸、业主及监理提出要求施工。3、质理与技术保证严格按设计图纸施工,遵守国家消防施工规范与江苏省地方标准《建筑消防设施技术检验规程》开工前熟悉图纸,对班组进行技术交底,对材料做好检验工作合格方可投入使用,收集质保书合格证所有隐蔽工程及时验收并做好记录,及时进行质量评定试压与试验测试均应做好记录,施工中发生变更必须由设计、业主或监理认可后,方可安排施工并在原图上做限记录与签证。4、施工机具配备:电焊机2台、电动套丝机2台、型材切割机1台、台钻1台、液压开孔机1台、手枪钻2把、电锤3把、电动试压泵1台。批准人编制人审核人编制日期2003年4月15日注:如本页不够填写,可后附。第册第4页第7页排...

1、当您付费下载文档后,您只拥有了使用权限,并不意味着购买了版权,文档只能用于自身使用,不得用于其他商业用途(如 [转卖]进行直接盈利或[编辑后售卖]进行间接盈利)。
2、本站所有内容均由合作方或网友上传,本站不对文档的完整性、权威性及其观点立场正确性做任何保证或承诺!文档内容仅供研究参考,付费前请自行鉴别。
3、如文档内容存在违规,或者侵犯商业秘密、侵犯著作权等,请点击“违规举报”。

碎片内容

防排烟系统施工安装全程验收记录

您可能关注的文档

确认删除?
VIP
微信客服
  • 扫码咨询
会员Q群
  • 会员专属群点击这里加入QQ群
客服邮箱
回到顶部