电脑桌面
添加小米粒文库到电脑桌面
安装后可以在桌面快捷访问

外窗防水技术交底VIP免费

外窗防水技术交底_第1页
1/3
外窗防水技术交底_第2页
2/3
外窗防水技术交底_第3页
3/3
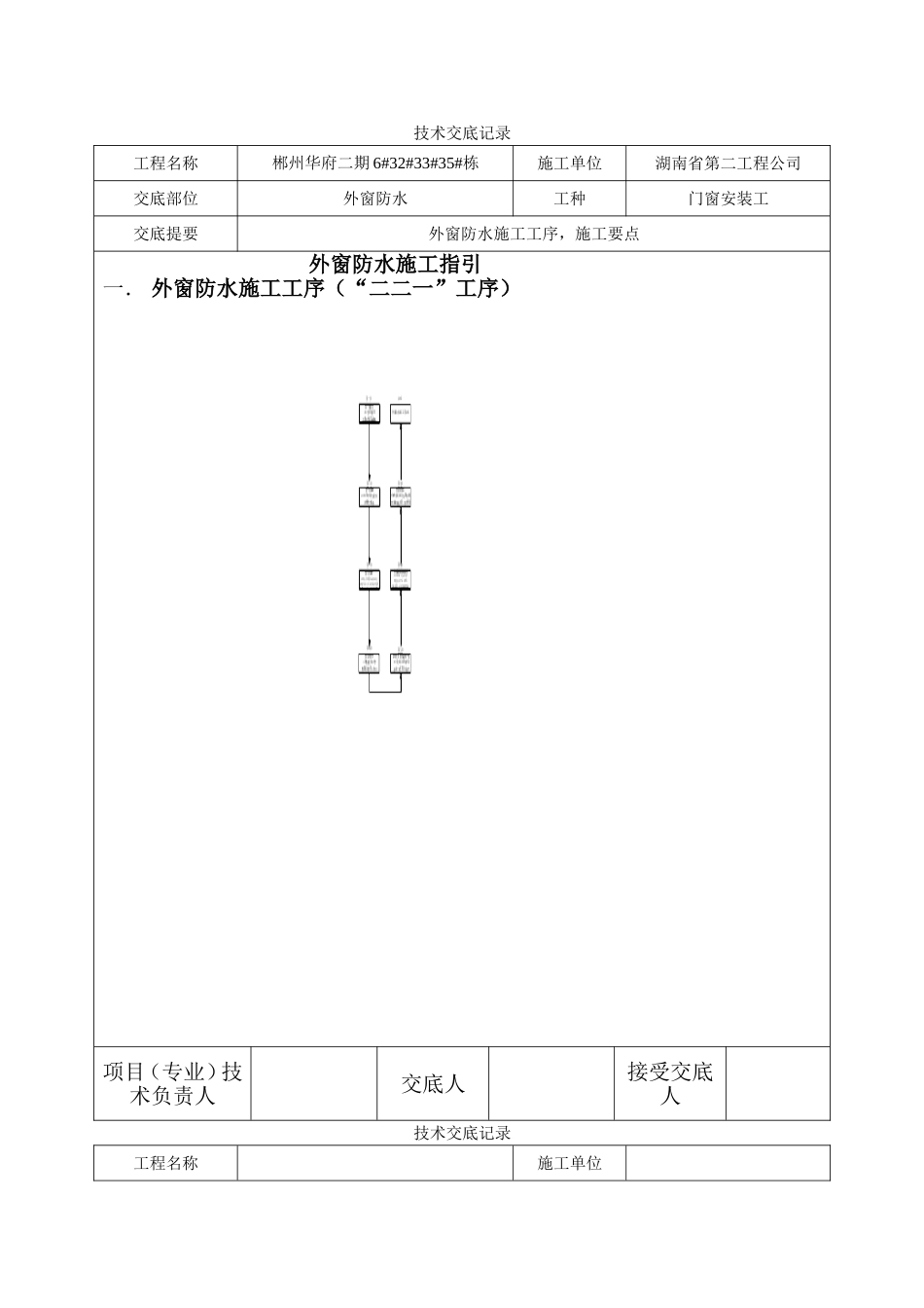
技术交底记录工程名称郴州华府二期6#32#33#35#栋施工单位湖南省第二工程公司交底部位外窗防水工种门窗安装工交底提要外窗防水施工工序,施工要点外窗防水施工指引一.外窗防水施工工序(“二二一”工序)项目(专业)技术负责人交底人接受交底人技术交底记录工程名称施工单位交底部位外窗防水工种门窗安装工交底提要外窗防水施工工序,施工要点二.施工要点1.必须严格按外窗防水施工节点大样图施工,保证细部防水构造满足设计及规范要求;2.第一次收口须确保外窗框与洞口之间的间隙为25mm±5mm;3.收口及塞缝材料均为防水砂浆,不允许使用发泡剂,防水砂浆塞缝应饱满、密实;4.二次塞缝前应先对洞口基底进行清理并洒水湿润;5.窗框凹槽塞缝完成后应在24小时内安装外窗框并立即进行第二次塞缝工序施工;6.防水涂料为“JS”水泥基防水涂料,厚度为1.5mm;7.外窗框与墙体接缝处密闭材料为中性硅酮密封胶,密封胶应饱满、匀称;8.应确保外窗窗台、滴水完成面的坡度≥20%。三.卫生间防水施工节点大样图项目经理交底人接受交底人技术交底记录工程名称施工单位交底部位外窗防水工种门窗安装工交底提要外窗防水施工工序,施工要点项目经理交底人接受交底人

1、当您付费下载文档后,您只拥有了使用权限,并不意味着购买了版权,文档只能用于自身使用,不得用于其他商业用途(如 [转卖]进行直接盈利或[编辑后售卖]进行间接盈利)。
2、本站所有内容均由合作方或网友上传,本站不对文档的完整性、权威性及其观点立场正确性做任何保证或承诺!文档内容仅供研究参考,付费前请自行鉴别。
3、如文档内容存在违规,或者侵犯商业秘密、侵犯著作权等,请点击“违规举报”。

碎片内容

外窗防水技术交底

您可能关注的文档

确认删除?
VIP
微信客服
  • 扫码咨询
会员Q群
  • 会员专属群点击这里加入QQ群
客服邮箱
回到顶部