电脑桌面
添加小米粒文库到电脑桌面
安装后可以在桌面快捷访问

紧固件检验规范VIP免费

紧固件检验规范_第1页
1/9
紧固件检验规范_第2页
2/9
紧固件检验规范_第3页
3/9
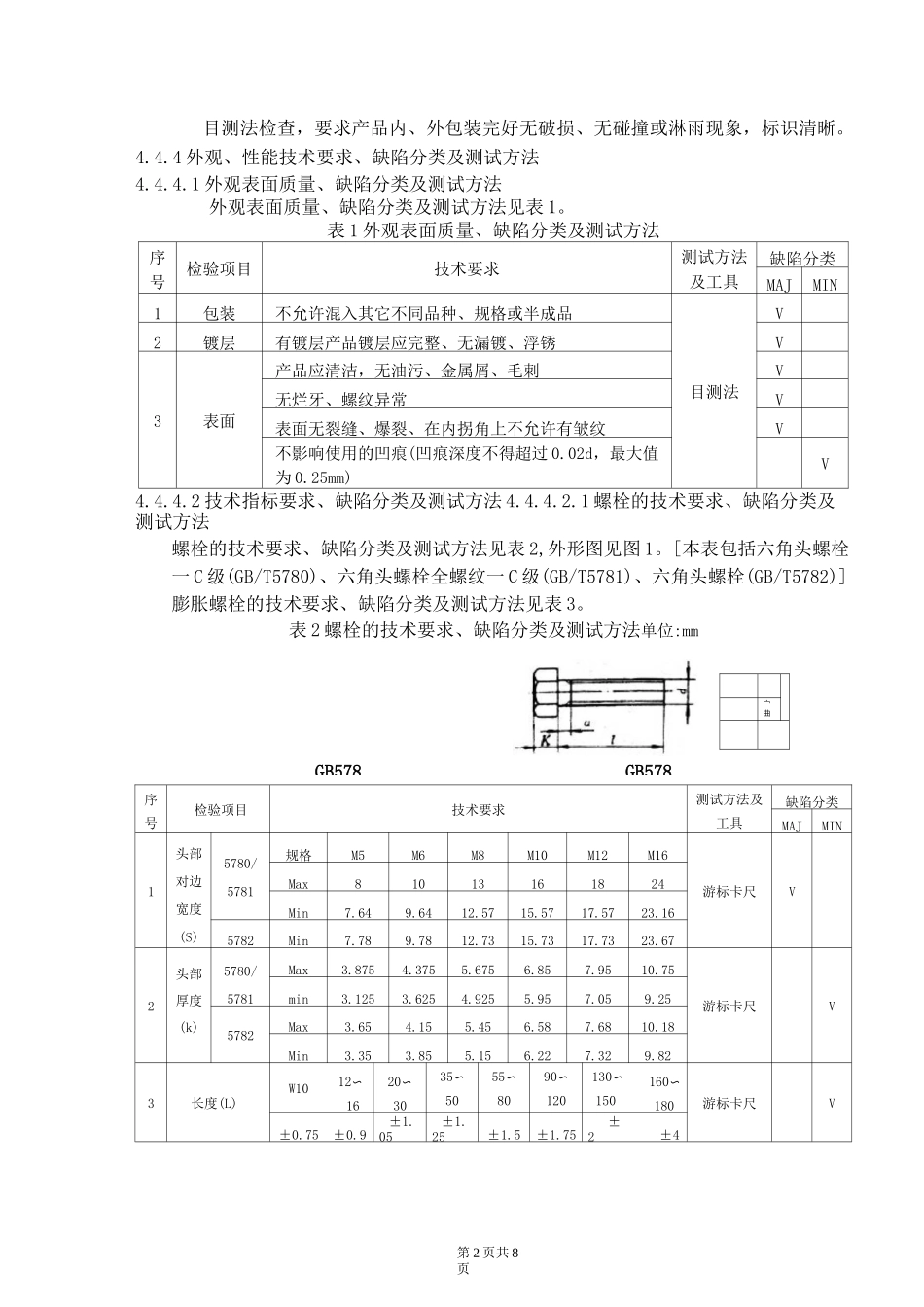
紧固件检验规范文件编号版次编制审核批准受控状态发布日期2011年7月30日实施日期:2011年7月30日第1页共8页件检验规范目的为了确保本公司采购的紧固件符合技术设计的要求,特制订本检验规范,采购人员与检验人员需依此检验规范进行采购和验收。范围本检验规范规定了本公司采购的各种标准紧固件(包括螺钉、螺栓、螺母、垫圈、自攻螺钉等)的技术要求、测试方法、验收规则。职责检验员:负责依据检验规范及相关产品规格资料执行各项检验。采购人员:负责依本规范的质量要求进行产品的采购。质量部经理:负责审批相关检验记录表,协调处理质量异常问题。工作程序1操作者资格经公司培训、考核合格,取得质量检验员任职资格,了解紧固件的相关术语及要求。2检测设备及工具游标卡尺(0.02mm)1内六角搬手1套3测试条件典型环境温度:;20°C—30°C典型环境湿度:30%—60%4检验项目、技术要求及测试方法4.1质量说明文件目测法检查,要求送检产品应附有相应的“产品合格证”或“检测记录”。“检测记录”中测试数据应在其相应规范允许范围内并结论合格。4.2产品型号、数量目测法检查,要求根据装相单中填写的规格型号和数量描述情况查验实物应与送检单描述一致。4.3产品包装12344.4.4.4.4.4.4.第2页共8页宀曲GB578GB578目测法检查,要求产品内、外包装完好无破损、无碰撞或淋雨现象,标识清晰。4.4.4外观、性能技术要求、缺陷分类及测试方法4.4.4.1外观表面质量、缺陷分类及测试方法外观表面质量、缺陷分类及测试方法见表1。表1外观表面质量、缺陷分类及测试方法序号检验项目技术要求测试方法及工具缺陷分类MAJMIN1包装不允许混入其它不同品种、规格或半成品目测法V2镀层有镀层产品镀层应完整、无漏镀、浮锈V3表面产品应清洁,无油污、金属屑、毛刺V无烂牙、螺纹异常V表面无裂缝、爆裂、在内拐角上不允许有皱纹V不影响使用的凹痕(凹痕深度不得超过0.02d,最大值为0.25mm)V4.4.4.2技术指标要求、缺陷分类及测试方法4.4.4.2.1螺栓的技术要求、缺陷分类及测试方法螺栓的技术要求、缺陷分类及测试方法见表2,外形图见图1。[本表包括六角头螺栓一C级(GB/T5780)、六角头螺栓全螺纹一C级(GB/T5781)、六角头螺栓(GB/T5782)]膨胀螺栓的技术要求、缺陷分类及测试方法见表3。表2螺栓的技术要求、缺陷分类及测试方法单位:mm序号检验项目技术要求测试方法及工具缺陷分类MAJMIN1头部对边宽度(S)5780/5781规格M5M6M8M10M12M16游标卡尺VMax81013161824Min7.649.6412.5715.5717.5723.165782Min7.789.7812.7315.7317.7323.672头部厚度(k)5780/5781Max3.8754.3755.6756.857.9510.75游标卡尺Vmin3.1253.6254.9255.957.059.255782Max3.654.155.456.587.6810.18Min3.353.855.156.227.329.823长度(L)W1012〜1620〜3035〜5055〜8090〜120130〜150160〜180游标卡尺V±0.75±0.9±1.05±1.25±1.5±1.75±2±4第3页共8页序号检验项目技术要求测试方法及工具缺陷分类MAJMIN1装配无漏装(包含有垫圈、螺母)目测法V2长度(L)10〜1818〜3030〜5080〜8080〜120尸—r-f、仃订、120〜180游标卡尺V4.4.4.2.2十字槽盘头螺钉的技术要求、缺陷分类及测试方法十字槽盘头螺钉的技术要求、缺陷分类及测试方法见表4,外形图见图2。[本表GB5782图1螺栓外形图表3膨胀螺栓的技术要求、缺陷分类及测试方法单位:mm括十字槽盘头螺钉(GB/T818)、十字槽盘头小螺钉(GB/T823)]表4十字槽盘头螺钉的技术要求、缺陷分类及测试方法单位:mm序号检验项目技术要求测试方法及工具缺陷分类MAJMIN1头部直径dk818M1.6M2M2.5M3M4M5M6M8游标卡尺VMax3.24.05.05.689.51216Min2.93.74.75.37.649.1411.5715.57823Max—3.54.55.57.09.010.514Min—3.24.25.26.648.6410.0713.572长度(L)W34〜68〜1012〜1620〜3035〜5055〜60游标卡尺V±0.2±0.24±0.29±0.35±0.42±0.5±0.95图2十字槽盘头螺钉外形图4.4.4.2.3十字槽平头螺钉的技术要求、缺陷分类及测试方法十字槽平头螺钉的技术要求、缺陷分类及测试方法见表5,外形图见图3。[本表包括十字槽沉头螺钉(GB/T819)、十字槽半沉头螺钉(GB/T820)]表5十字槽平头螺钉的技术要求、缺陷分类及测试方法单位:mm...

1、当您付费下载文档后,您只拥有了使用权限,并不意味着购买了版权,文档只能用于自身使用,不得用于其他商业用途(如 [转卖]进行直接盈利或[编辑后售卖]进行间接盈利)。
2、本站所有内容均由合作方或网友上传,本站不对文档的完整性、权威性及其观点立场正确性做任何保证或承诺!文档内容仅供研究参考,付费前请自行鉴别。
3、如文档内容存在违规,或者侵犯商业秘密、侵犯著作权等,请点击“违规举报”。

碎片内容

紧固件检验规范

确认删除?
VIP
微信客服
  • 扫码咨询
会员Q群
  • 会员专属群点击这里加入QQ群
客服邮箱
回到顶部