电脑桌面
添加小米粒文库到电脑桌面
安装后可以在桌面快捷访问

变电站总体分析VIP免费

变电站总体分析_第1页
1/3
变电站总体分析_第2页
2/3
变电站总体分析_第3页
3/3
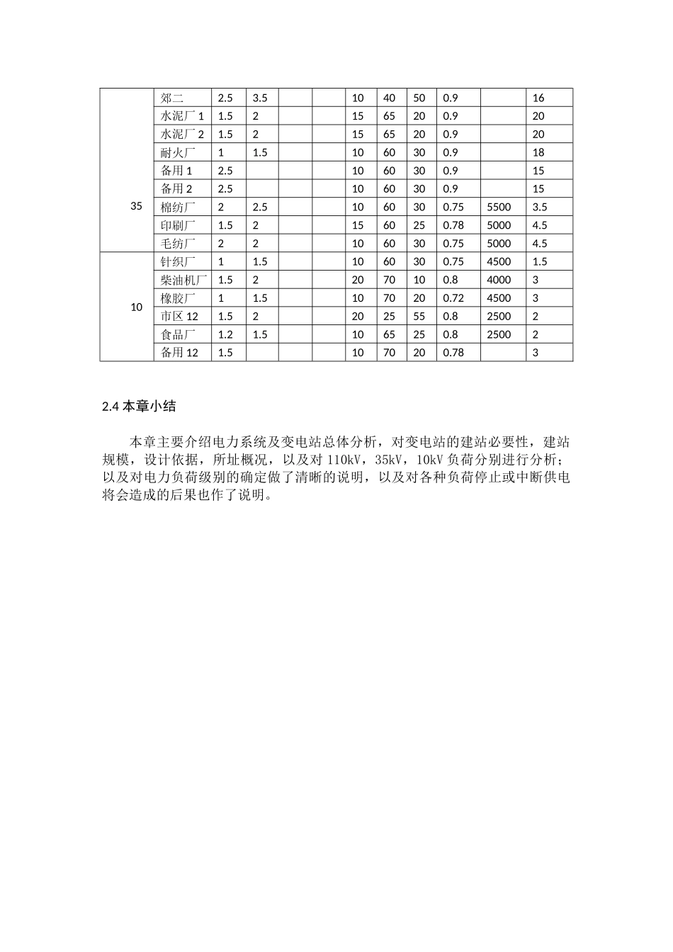
变电站总体分析2.1变电站总体分析2.1.1根据《35—110kV变电站设计规范》第1.0.3—1.0.6条规定:第1.0.3条:变电站的设计应根据工程的5—10年发展规划进行做到远,近期结合。以近期为主,正确处理近期建设与远期发展的关系,适当考虑扩建的可能。第1.0.4条:变电站的设计,必须以全出发,统筹兼顾。按照负荷性质,用电容量,工程特点和地区供电条件,综合国情合理地确定设计方案。第1.0.5条:变电站的设计,必须坚持节约用地的原则。第1.0.6条:变电站设计除应执行本规范外,尚应符合现行的国家有关标准和规范的规定。2.1.2设计依据根据××省电力公司《CY市变电站设计任务书的批复》2.1.3站的必要性变电站是电力系统的重要组成部分,它直接对电力用户馈送电能。变电站在电力系统中之所以起着十分重要的作用,是因为其运行性能的好坏直接影响到系统的稳定性。电力用户的直接利益。变电站是联系发电厂和电力用户的重要纽带,是将电能从产品变成商品的中间环节。它担负着电能转换和电能重新分配的重要任务。对国家经济的发展有着极其重要的作用。随着我国经济的迅速发展,对用电量及其质量都提出了更高的要求,该地区现有的变电所已不能满足工业发展和人民生活用电的需求;又因该变电所处地区负荷的中心,其位置的重要性不言而喻,再加上新建电厂的营运,系统并网的技术要求及电压等级的提高,故需投建新的变电站。2.1.4建设规模该变电站电压等级为110kV/35kV/10kV110kV:2回35kV:10回,其中备用2回,Ⅰ、Ⅱ、Ⅲ级负荷均有10kV:6回,其中备用1回,Ⅰ、Ⅱ、Ⅲ级负荷均有2.1.5所址概况本所位于市郊区,以35kV、10kV电压供给附近工矿企业与人民群众生活用电,为新建变电所。分布于负荷中心附近,同时联结电力系统各个部分,将系统电压降低分配给地区用电,因此该变电所为降压变电所。从位置上来说属于地区性变电所。该变电所地区平均海拔200M,地势平坦,属于轻微地震烈度区,因此该区适合建变电所,但是需要稍微加强采取抗震的措施,比如:合理选择配电装置的形式,尽量降低设备安装的高度,选用抗震型电气设备,设备的固定牢固防止倾倒等措施。该地区年最高气温+42℃,年最低气温-10℃,年平均气温为+12℃,最热月平均最高温度为20℃,水温度为10℃,最大风速30m/s,属于我国第V级标准气象区,因此条件符合建变电所的要求。输电线路走廊阔,架设方便,地质为亚粘土层,地耐力为2.5KM/cm2,天然容重2.7Kg/cm2,土壤电阻率为0.8×103Ω/cm,变电站地下水位底,水质良好,无腐蚀作用。CY市郊,交通便利,变电站南侧为10kV负荷密集区,本站主要的供电用户为:郊区、市区、水泥厂、棉纺厂印刷厂、毛纺厂、针织厂、柴油机厂、橡胶厂、食品厂。变电站以北主要向35kV的化肥厂、煤矿以及其他乡镇供电。以上地理地质条件充分符合建变电站的要求,同时在该所附近无飞机场,导航台等一些会相互影响的电波辐射源等设施,变电站设在该地区对企业单位的发展没有妨碍,由于主要电力用户是工厂和居民,所址接近负荷中心,这可缩短低压配电线路长度,降低线路的电能损耗,电压损耗和有色金属损耗,从而节约投资。同时该所临近公路,交通便利,这就为变压器和高低压开关柜等大件设备的运输提供了便利条件。2.2负荷分析110kV线路包含一条市系线和一条市甲线,最大负荷近期都为10MW,远景都为18MW,两回线路供电能够保证系统对该新建变电所的供电的可靠性和安全性。35kV线路主要对郊一、郊二、水泥厂1、水泥厂2、耐火厂、棉纺厂、印染厂、和毛纺厂供电,其负荷组成系数较高,因为这些企业存在着大量的对电能要求比较高的电动机。一旦停电,就会出现残次品或机器设备的损坏,造成严重的经济损失或对生命造成危害,因此架设的两条备用线路就显得分外重要。10kV线路主要对针织厂、柴油机厂、橡胶厂、市区12、食品厂、等企业供电,其负荷也包括Ⅰ、Ⅱ、Ⅲ级,对供电的要求比较高,另有一条备线:备用12。表2-1负荷分析电压等级(kV)负荷名称最大负荷(MW)穿越功率负荷组成(%)COSΦTmax(h)线长(KM)近景远景近景远景一级二级三级110市系线0.8市系线10180.810市甲线10180.810郊一231040500.91235郊二2.53.51040500....

1、当您付费下载文档后,您只拥有了使用权限,并不意味着购买了版权,文档只能用于自身使用,不得用于其他商业用途(如 [转卖]进行直接盈利或[编辑后售卖]进行间接盈利)。
2、本站所有内容均由合作方或网友上传,本站不对文档的完整性、权威性及其观点立场正确性做任何保证或承诺!文档内容仅供研究参考,付费前请自行鉴别。
3、如文档内容存在违规,或者侵犯商业秘密、侵犯著作权等,请点击“违规举报”。

碎片内容

变电站总体分析

您可能关注的文档

确认删除?
VIP
微信客服
  • 扫码咨询
会员Q群
  • 会员专属群点击这里加入QQ群
客服邮箱
回到顶部