电脑桌面
添加小米粒文库到电脑桌面
安装后可以在桌面快捷访问

《青岛市住宅工程质量通病防治措施设计要点》VIP专享VIP免费

《青岛市住宅工程质量通病防治措施设计要点》_第1页
1/15
《青岛市住宅工程质量通病防治措施设计要点》_第2页
2/15
《青岛市住宅工程质量通病防治措施设计要点》_第3页
3/15
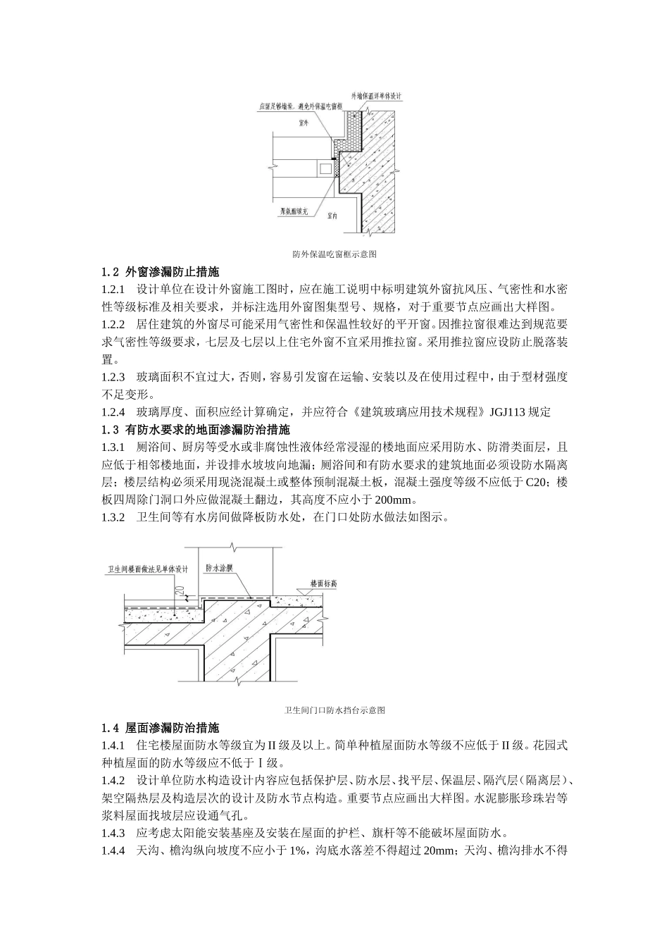
青岛市住宅工程质量通病防治措施设计要点1土建篇1.1外墙外保温墙面裂缝渗漏防治措施1.1.1外墙外保温设计图纸和热工计算书应通过图审机构审查认可,建设单位不得随意变更外墙外保温系统构造和组成材料。1.1.2外墙外保温系统优先选用涂料、饰面砂浆、柔性面砖等轻质装饰材料,不宜采用粘贴饰面砖做面层。当采用面砖时,应进行专项设计,其安全性与耐久性必须符合设计要求,且系统最大高度不应超过40m。1.1.3外墙外保温防火隔离带设置应严格按《民用建筑外保温系统及外墙装饰防火暂行规定》(鲁公发【2009】229号文件)执行。1.1.4外墙外保温应设计基层抹灰并做防水处理,应对外墙细部及突出构件做好防水细部设计。窗台处应做防水处理,外窗台上应做出向外的流水斜坡,坡度不小于10%,内窗台应高于外窗台。窗楣上应做鹰嘴或滴水槽。窗台防水示意图A窗台防水示意图B1.1.5外门窗框与门窗洞口之间的缝隙,应采用聚氨酯高效保温材料填实,并用密封膏嵌缝,不得采用水泥砂浆填缝。外门窗洞口周边侧墙应进行保温处理,设计应标注或说明其保温材料厚度。1.1.6外墙外保温设计中采用的图集和规范应明确,保温细部设计应有详图。变形缝应设计止水层,封闭盖板的设计应符合变形缝的变形要求。1.1.7平面设计时应避免外保温遮挡窗框问题。设计应根据保温材料厚度预留足够窗垛尺寸。防外保温吃窗框示意图1.2外窗渗漏防止措施1.2.1设计单位在设计外窗施工图时,应在施工说明中标明建筑外窗抗风压、气密性和水密性等级标准及相关要求,并标注选用外窗图集型号、规格,对于重要节点应画出大样图。1.2.2居住建筑的外窗尽可能采用气密性和保温性较好的平开窗。因推拉窗很难达到规范要求气密性等级要求,七层及七层以上住宅外窗不宜采用推拉窗。采用推拉窗应设防止脱落装置。1.2.3玻璃面积不宜过大,否则,容易引发窗在运输、安装以及在使用过程中,由于型材强度不足变形。1.2.4玻璃厚度、面积应经计算确定,并应符合《建筑玻璃应用技术规程》JGJ113规定1.3有防水要求的地面渗漏防治措施1.3.1厕浴间、厨房等受水或非腐蚀性液体经常浸湿的楼地面应采用防水、防滑类面层,且应低于相邻楼地面,并设排水坡坡向地漏;厕浴间和有防水要求的建筑地面必须设防水隔离层;楼层结构必须采用现浇混凝土或整体预制混凝土板,混凝土强度等级不应低于C20;楼板四周除门洞口外应做混凝土翻边,其高度不应小于200mm。1.3.2卫生间等有水房间做降板防水处,在门口处防水做法如图示。卫生间门口防水挡台示意图1.4屋面渗漏防治措施1.4.1住宅楼屋面防水等级宜为II级及以上。简单种植屋面防水等级不应低于II级。花园式种植屋面的防水等级应不低于Ⅰ级。1.4.2设计单位防水构造设计内容应包括保护层、防水层、找平层、保温层、隔汽层(隔离层)、架空隔热层及构造层次的设计及防水节点构造。重要节点应画出大样图。水泥膨胀珍珠岩等浆料屋面找坡层应设通气孔。1.4.3应考虑太阳能安装基座及安装在屋面的护栏、旗杆等不能破坏屋面防水。1.4.4天沟、檐沟纵向坡度不应小于1%,沟底水落差不得超过20mm;天沟、檐沟排水不得流经变形缝和防火墙。1.5栏杆扶手施工控制措施1.5.1设计对临空栏杆造型应选择恰当,防止攀爬,住宅阳台宜采用实心栏板。施工图应明确栏杆、扶手详图及栏杆固定节点做法。1.5.2阳台、外廊、室内回廊、内天井、上人屋面及室外楼梯等临空处栏杆净高,六层及六层以下不应低于1.05m;七层及七层以上不应低于1.10m。栏杆应防止攀登,垂直杆件间净距不应大于0.11m。栏杆高度应从楼地面完成面或屋面面层至栏杆扶手顶面垂直高度计算,如栏杆底部有距离楼地面或屋面0.45m以下的台面、横栏杆等容易造成无意识攀登的可踏面,应从可踏面起计算,可踏面以下不计入栏杆高度。栏杆可踏面高度防护示意图1.5.3住宅工程楼梯栏杆垂直杆件间净距不应大于0.11m。楼梯井净宽大于0.11m时,必须采取防止儿童攀爬的措施。楼梯扶手高度自踏步前缘量起不宜小于0.90m,靠楼梯井一侧水平扶手长度超过0.50m时,其高度不应小于1.05m。应考虑扶手、抹灰、保温等对楼梯梯段净宽的影响。1.5.4栏杆应以坚固、耐久的材料制作,并能承受荷载规范规定的水平...

1、当您付费下载文档后,您只拥有了使用权限,并不意味着购买了版权,文档只能用于自身使用,不得用于其他商业用途(如 [转卖]进行直接盈利或[编辑后售卖]进行间接盈利)。
2、本站所有内容均由合作方或网友上传,本站不对文档的完整性、权威性及其观点立场正确性做任何保证或承诺!文档内容仅供研究参考,付费前请自行鉴别。
3、如文档内容存在违规,或者侵犯商业秘密、侵犯著作权等,请点击“违规举报”。

碎片内容

《青岛市住宅工程质量通病防治措施设计要点》

确认删除?
VIP
微信客服
  • 扫码咨询
会员Q群
  • 会员专属群点击这里加入QQ群
客服邮箱
回到顶部