电脑桌面
添加小米粒文库到电脑桌面
安装后可以在桌面快捷访问

《青岛市住宅工程质量通病防治措施设计要点》VIP专享VIP免费

《青岛市住宅工程质量通病防治措施设计要点》_第1页
1/15
《青岛市住宅工程质量通病防治措施设计要点》_第2页
2/15
《青岛市住宅工程质量通病防治措施设计要点》_第3页
3/15
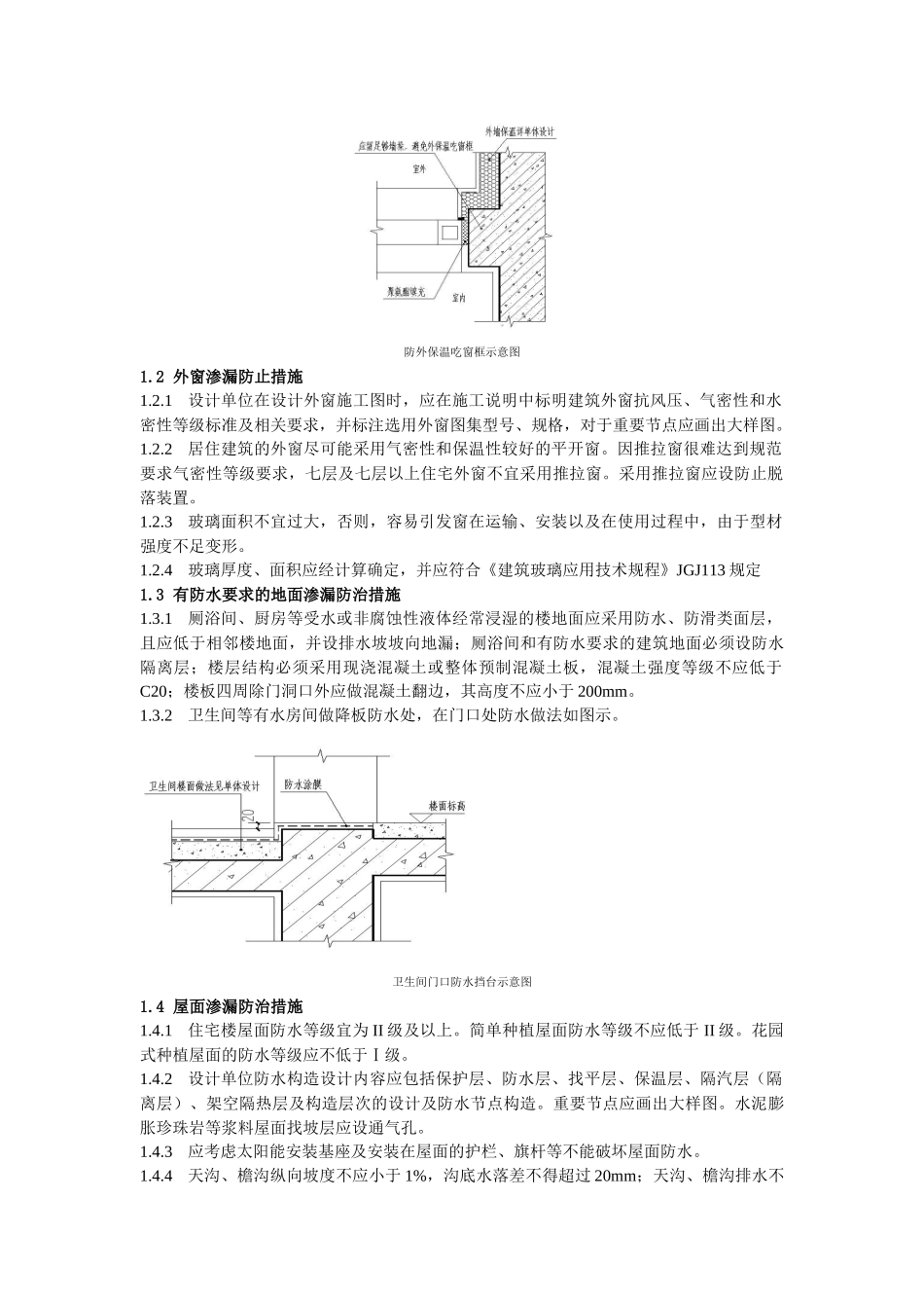
青岛市住宅工程质量通病防治措施设计要点1土建篇1.1 外墙外保温墙面裂缝渗漏防治措施1.1.1 外墙外保温设计图纸和热工计算书应通过图审机构审查认可, 建设单位不得随意变更外墙外保温系统构造和组成材料。1.1.2 外墙外保温系统优先选用涂料、饰面砂浆、柔性面砖等轻质装饰材料,不宜采用粘贴饰面砖做面层。当采用面砖时,应进行专项设计,其安全性与耐久性必须符合设计要求且系统最大高度不应超过 40m。1.1.3 外墙外保温防火隔离带设置应严格按《民用建筑外保温系统及外墙装饰防火暂行规定》(鲁公发【2009】229 号文件)执行。1.1.4 外墙外保温应设计基层抹灰并做防水处理,应对外墙细部及突出构件做好防水细部设计。窗台处应做防水处理,外窗台上应做出向外的流水斜坡,坡度不小于 10%,内窗台应高于外窗台。窗楣上应做鹰嘴或滴水槽。窗台防水示意图 A窗台防水示意图 B1.1.5 外门窗框与门窗洞口之间的缝隙,应采用聚氨酯高效保温材料填实,并用密封膏嵌缝,不得采用水泥砂浆填缝。外门窗洞口周边侧墙应进行保温处理,设计应标注或说明其保温材料厚度。1.1.6 外墙外保温设计中采用的图集和规范应明确,保温细部设计应有详图。变形缝应设计止水层,封闭盖板的设计应符合变形缝的变形要求。1.1.7 平面设计时应避免外保温遮挡窗框问题。设计应根据保温材料厚度预留足够窗垛尺寸。防外保温吃窗框示意图1.2 外窗渗漏防止措施1.2.1 设计单位在设计外窗施工图时,应在施工说明中标明建筑外窗抗风压、气密性和水密性等级标准及相关要求,并标注选用外窗图集型号、规格,对于重要节点应画出大样图。1.2.2 居住建筑的外窗尽可能采用气密性和保温性较好的平开窗。因推拉窗很难达到规范要求气密性等级要求,七层及七层以上住宅外窗不宜采用推拉窗。采用推拉窗应设防止脱落装置。1.2.3 玻璃面积不宜过大,否则,容易引发窗在运输、安装以及在使用过程中,由于型材强度不足变形。1.2.4 玻璃厚度、面积应经计算确定,并应符合《建筑玻璃应用技术规程》JGJ113 规定1.3 有防水要求的地面渗漏防治措施1.3.1 厕浴间、厨房等受水或非腐蚀性液体经常浸湿的楼地面应采用防水、防滑类面层,且应低于相邻楼地面,并设排水坡坡向地漏;厕浴间和有防水要求的建筑地面必须设防水隔离层;楼层结构必须采用现浇混凝土或整体预制混凝土板,混凝土强度等级不应低于C20;楼板四周除门洞口外应做混凝土翻边,其高度不应小于 200mm。1.3.2 卫生间等有水房间...

1、当您付费下载文档后,您只拥有了使用权限,并不意味着购买了版权,文档只能用于自身使用,不得用于其他商业用途(如 [转卖]进行直接盈利或[编辑后售卖]进行间接盈利)。
2、本站所有内容均由合作方或网友上传,本站不对文档的完整性、权威性及其观点立场正确性做任何保证或承诺!文档内容仅供研究参考,付费前请自行鉴别。
3、如文档内容存在违规,或者侵犯商业秘密、侵犯著作权等,请点击“违规举报”。

碎片内容

《青岛市住宅工程质量通病防治措施设计要点》

确认删除?
VIP
微信客服
  • 扫码咨询
会员Q群
  • 会员专属群点击这里加入QQ群
客服邮箱
回到顶部