电脑桌面
添加小米粒文库到电脑桌面
安装后可以在桌面快捷访问

单位分部分项工程划分表VIP免费

单位分部分项工程划分表_第1页
1/6
单位分部分项工程划分表_第2页
2/6
单位分部分项工程划分表_第3页
3/6
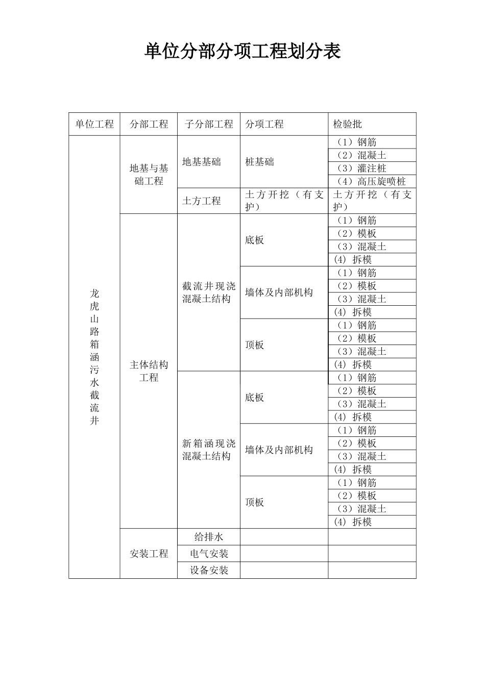
单位分部分项工程划分表单位工程分部工程子分部工程分项工程检验批2#箱涵污水截流井地基与基础工程地基基础桩基础(1)钢筋(2)混凝土(3)灌注桩(4)高压旋喷桩土方工程土方开挖(有支护)土方开挖(有支护)主体结构工程截流井现浇混凝土结构底板(1)钢筋(2)模板(3)混凝土(4)拆模墙体及内部机构(1)钢筋(2)模板(3)混凝土(4)拆模顶板(1)钢筋(2)模板(3)混凝土(4)拆模新箱涵现浇混凝土结构底板(1)钢筋(2)模板(3)混凝土(4)拆模墙体及内部机构(1)钢筋(2)模板(3)混凝土(4)拆模顶板(1)钢筋(2)模板(3)混凝土(4)拆模安装工程给排水电气安装设备安装单位分部分项工程划分表单位工程分部工程子分部工程分项工程检验批龙虎山路箱涵污水截流井地基与基础工程地基基础桩基础(1)钢筋(2)混凝土(3)灌注桩(4)高压旋喷桩土方工程土方开挖(有支护)土方开挖(有支护)主体结构工程截流井现浇混凝土结构底板(1)钢筋(2)模板(3)混凝土(4)拆模墙体及内部机构(1)钢筋(2)模板(3)混凝土(4)拆模顶板(1)钢筋(2)模板(3)混凝土(4)拆模新箱涵现浇混凝土结构底板(1)钢筋(2)模板(3)混凝土(4)拆模墙体及内部机构(1)钢筋(2)模板(3)混凝土(4)拆模顶板(1)钢筋(2)模板(3)混凝土(4)拆模安装工程给排水电气安装设备安装单位分部分项工程划分表单位工程分部工程子分部工程分项工程检验批泵房地基与基础工程土方工程土方开挖基坑开挖沉井开挖下沉主体结构工程现浇混凝土结构沉井刃脚(3.3M)(-4.9~-1.6(1)钢筋(2)模板(3)混凝土(4)拆模沉井井壁(3.6m)(-1.6~+2.0)(1)钢筋(2)模板(3)混凝土(4)拆模沉井井壁(2.8m)(+2.0~+4.8)(1)钢筋(2)模板(3)混凝土(4)拆模井室底板(1)垫层(2)钢筋(3)混凝土隔墙(1)钢筋(2)模板(3)混凝土(4)拆模顶板(1)钢筋(2)模板(3)混凝土(4)拆模安装工程设备安装给排水电气安装单位分部分项工程划分表变电所及值班室地基与基础工程土方工程土方开挖地基基础基础梁、板(1)钢筋(2)模板(3)混凝土(4)拆模主体结构首层地圈梁(1)钢筋(2)模板(3)混凝土(4)拆模首层柱子(1)钢筋(2)模板(3)混凝土(4)拆模首层梁板(1)钢筋(2)模板(3)混凝土(4)拆模二层柱子(1)钢筋(2)模板(3)混凝土(4)拆模二层梁、斜屋面(1)钢筋(2)模板(3)混凝土(4)拆模建筑装饰装修砌体结构砖砌体地面抹灰门窗吊顶建筑层面卷材防水屋面涂膜防水屋面刚性防水屋面瓦屋面隔热屋面建筑给水排水及采暖室内给水系统室内排水系统室内热水供应系统卫生器具安装室内采暖系统室外给水管网室外排水管网室外供热管网建筑电气室外电气变配电室供电干线电气动力电气照明安装备用和不间断电源安装防雷及接地安装单位分部分项工程划分表室外工程道路工程绿化工程围墙工程

1、当您付费下载文档后,您只拥有了使用权限,并不意味着购买了版权,文档只能用于自身使用,不得用于其他商业用途(如 [转卖]进行直接盈利或[编辑后售卖]进行间接盈利)。
2、本站所有内容均由合作方或网友上传,本站不对文档的完整性、权威性及其观点立场正确性做任何保证或承诺!文档内容仅供研究参考,付费前请自行鉴别。
3、如文档内容存在违规,或者侵犯商业秘密、侵犯著作权等,请点击“违规举报”。

碎片内容

单位分部分项工程划分表

您可能关注的文档

确认删除?
VIP
微信客服
  • 扫码咨询
会员Q群
  • 会员专属群点击这里加入QQ群
客服邮箱
回到顶部