电脑桌面
添加小米粒文库到电脑桌面
安装后可以在桌面快捷访问

地铁车站弱电系统集中UPS 供电分析VIP免费

地铁车站弱电系统集中UPS 供电分析_第1页
1/5
地铁车站弱电系统集中UPS 供电分析_第2页
2/5
地铁车站弱电系统集中UPS 供电分析_第3页
3/5
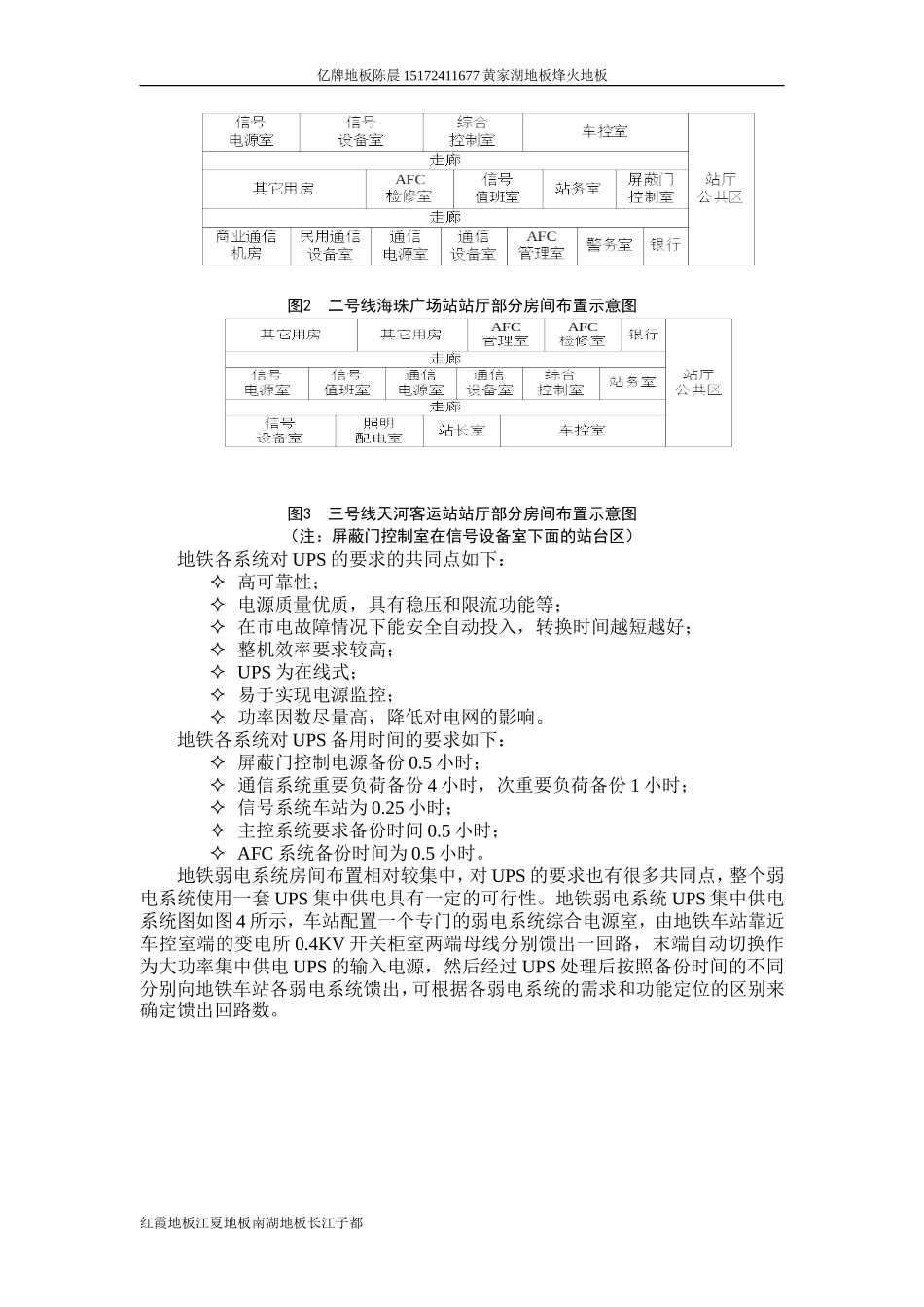
亿牌地板陈晨15172411677黄家湖地板烽火地板地铁车站弱电系统集中UPS供电分析赵美君(广州地下铁道设计研究院,广东广州,510010)摘要:本文简要介绍了目前地铁弱电系统UPS的基本特点,以及新型模块式UPS有助于提高集中供电的可靠性和适用性;并根据地铁弱电系统对电源的要求分析了地铁车站弱电系统采用UPS集中供电的可能性。关键词:UPS地铁弱电系统集中供电1、概述UPS在其发展初期,仅被视为一种备用电源。后来,由于电压浪涌、电压尖峰电压瞬变、电压跌落、持续过压或者欠压甚至电压中断等电网质量问题,使计算机等设备的电子系统受到干扰,造成敏感元件受损、信息丢失、磁盘程序被冲掉等严重后果,引起巨大的经济损失。因此,UPS日益受到重视,并逐渐发展成一种具备稳压、稳频、滤波、抗电磁和射频干扰、防电压浪涌等功能的电力保护系统UPS电源不仅能提供持续的电源供应,还具有对市电进行稳压、稳频、滤波、抗电磁射频干扰、防止电压的浪涌和下陷等功能。地铁弱电系统主要包括通信系统、信号系统、屏蔽门系统、自动售检票系统和主控系统等。通信系统又分为地铁专用通信、民用通信和公安通信三部分。弱电系统负荷大部分是计算机类负载,作为地铁这样一种大规模公共交通工具,其安全性显得更为重要,所以地铁弱电系统的供电特点是:一级负荷,各系统分别由来自变电所两段母线分别馈出一路电源,末端自动切换,再配送到UPS输入端;UPS为在线式,在市电正常供电时,首先将市电交流电源变成直流电源,然后进行脉宽调制、滤波,再将直流电源重新变成交流电源,即它平时是由交流电经整流后又以逆变器方式向负载提供交流电源。一旦市电中断,立即改由蓄电池以逆变器方式对负载提供交流电源。对在线式UPS电源而言,在正常情况下,无论有无市电,它总是由UPS电源的逆变器对负载供电,这样就避免了所有由市电电网电压波动及干扰带来的影响。显而易见在线式UPS电源的供电质量明显优于后备式UPS电源,因为它可以实现对负载的稳频、稳压供电,且在由市电供电转换到蓄电池供电时,其转换时间为零。2、模块式UPSUPS的冗余主要有两种:串联冗余和并联冗余。串联冗余是采用同机型的两套UPS设备串联,实现主从热备,主机一直满载,备机蓄电池长期浮充,有一定的转换实时间,扩展较困难,可适用性较小。并联冗余指采用两套或两套以上的UPS设备并联均分负载,相比串联冗余具有一定的优势,在市场中占有的份额越来越大,新型模块式UPS的出现将并联冗余发展到一个新的台阶。模块化UPS是从设计和工作的原理方面来讲的,其本身(也就是模块)就是一台UPS,包括整流器、逆变器、静态旁路开关及附属的控制电路、CPU主控板。它可以打破传统的“1+1”或“N+1”的冗余机制,实现“N+X”的故障冗余及升级扩容,采用的热插拔技术可以允许单体模块在不需停电的前提下任意进入或退出并联单元,从而实现了并联系统的在线维护,同时无需专门的仪器或技术即可进行,提高了UPS系统的可靠性和适用性。模块式UPS的出现在一定程度上解决了大功率UPS集中供电在可靠性上的瓶颈,模块式UPS热插拔并机结构图如图1所示。红霞地板江夏地板南湖地板长江子都亿牌地板陈晨15172411677黄家湖地板烽火地板图1模块式UPS热插拔并机结构图3、大功率UPS集中供电分析UPS的供电方式可分为UPS集中供电方式和UPS分散供电方式两种。集中供电方式是指由一台大功率UPS向车站整个弱电系统负载提供应急供电。分散供电是现在比较流行的一种配备方式,就是根据设备的需要分别配备适合的中小功率UPS。表1UPS集中供电与分散供电比较中小功率UPS分散供电大功率UPS集中供电适用场合设备比较分散、比较独立设备比较集中管理维护设备分散,管理维护困难集中管理,便于专人负责和维修可靠性没有备份,可靠性低可以多种冗余设计,可靠性较高MTBF大功率UPS的MTBF远远高于小功率UPS的MTBF。蓄电池利用蓄电池分散裕量,造成浪费共用蓄电池,集中裕量,节约成本占地面积设备分散,占地面积大设备集中,占地面积小布线布线简单,要求低布线复杂,要求高成本低高性能指标技术含量低,容易生产,性能指标一般技术含量高,设计严密,性能指标较好其它国内中小UPS技术...

1、当您付费下载文档后,您只拥有了使用权限,并不意味着购买了版权,文档只能用于自身使用,不得用于其他商业用途(如 [转卖]进行直接盈利或[编辑后售卖]进行间接盈利)。
2、本站所有内容均由合作方或网友上传,本站不对文档的完整性、权威性及其观点立场正确性做任何保证或承诺!文档内容仅供研究参考,付费前请自行鉴别。
3、如文档内容存在违规,或者侵犯商业秘密、侵犯著作权等,请点击“违规举报”。

碎片内容

地铁车站弱电系统集中UPS 供电分析

墨香书阁+ 关注
实名认证
内容提供者

热爱教学事业,对互联网知识分享很感兴趣

确认删除?
VIP
微信客服
  • 扫码咨询
会员Q群
  • 会员专属群点击这里加入QQ群
客服邮箱
回到顶部