电脑桌面
添加小米粒文库到电脑桌面
安装后可以在桌面快捷访问

ANSYS——工字钢梁结构静力分析VIP免费

ANSYS——工字钢梁结构静力分析_第1页
1/15
ANSYS——工字钢梁结构静力分析_第2页
2/15
ANSYS——工字钢梁结构静力分析_第3页
3/15
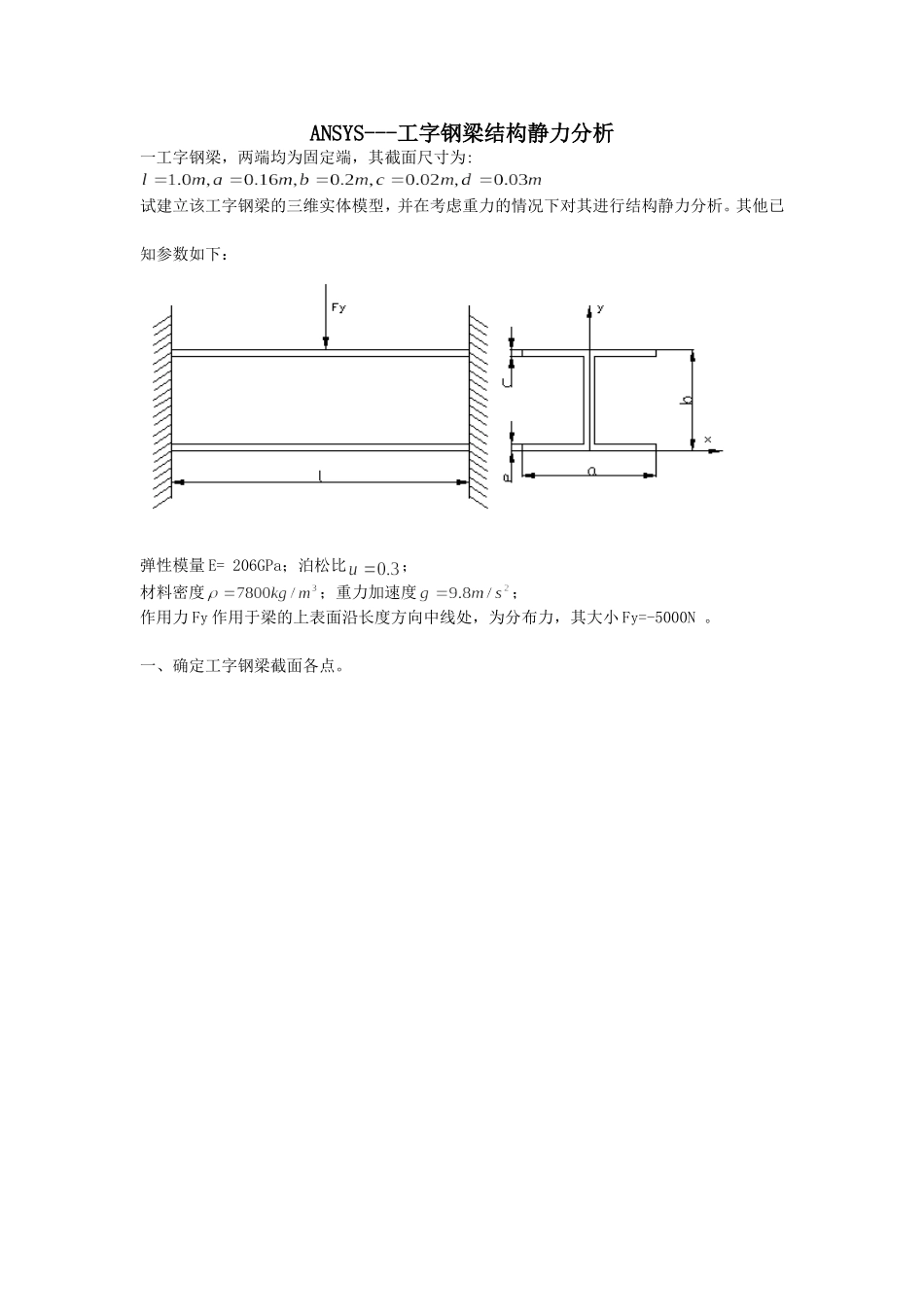
ANSYS---工字钢梁结构静力分析一工字钢梁,两端均为固定端,其截面尺寸为:试建立该工字钢梁的三维实体模型,并在考虑重力的情况下对其进行结构静力分析。其他已知参数如下:弹性模量E=206GPa;泊松比;材料密度;重力加速度;作用力Fy作用于梁的上表面沿长度方向中线处,为分布力,其大小Fy=-5000N。一、确定工字钢梁截面各点。二、将各点连接。三、做出截面图。四、建立三维实体。五、网络划分六、施加位移约束(端面施加)。七、选择施力节点。八、施加载荷。九、云图。结果:SOLUTIONOPTIONSPROBLEMDIMENSIONALITY.............3-DDEGREESOFFREEDOM......UXUYUZANALYSISTYPE.................STATIC(STEADY-STATE)GLOBALLYASSEMBLEDMATRIX...........SYMMETRICLOADSTEPOPTIONSLOADSTEPNUMBER................1TIMEATENDOFTHELOADSTEP..........1.0000NUMBEROFSUBSTEPS...............1STEPCHANGEBOUNDARYCONDITIONS........NOINERTIALOADSXYZACEL............0.00009.80000.0000PRINTOUTPUTCONTROLS.............NOPRINTOUTDATABASEOUTPUTCONTROLS............ALLDATAWRITTENFORTHELASTSUBSTEP

1、当您付费下载文档后,您只拥有了使用权限,并不意味着购买了版权,文档只能用于自身使用,不得用于其他商业用途(如 [转卖]进行直接盈利或[编辑后售卖]进行间接盈利)。
2、本站所有内容均由合作方或网友上传,本站不对文档的完整性、权威性及其观点立场正确性做任何保证或承诺!文档内容仅供研究参考,付费前请自行鉴别。
3、如文档内容存在违规,或者侵犯商业秘密、侵犯著作权等,请点击“违规举报”。

碎片内容

ANSYS——工字钢梁结构静力分析

墨香书阁+ 关注
实名认证
内容提供者

热爱教学事业,对互联网知识分享很感兴趣

确认删除?
VIP
微信客服
  • 扫码咨询
会员Q群
  • 会员专属群点击这里加入QQ群
客服邮箱
回到顶部