电脑桌面
添加小米粒文库到电脑桌面
安装后可以在桌面快捷访问

《房建》(教学楼)课程设计09年VIP免费

《房建》(教学楼)课程设计09年_第1页
1/6
《房建》(教学楼)课程设计09年_第2页
2/6
《房建》(教学楼)课程设计09年_第3页
3/6
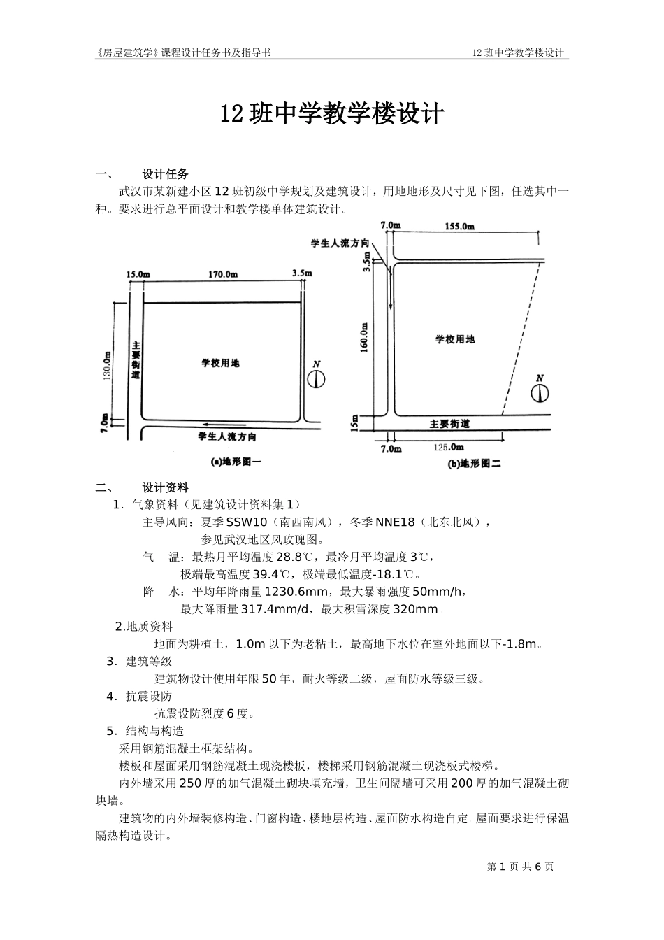
《房屋建筑学》课程设计任务书及指导书12班中学教学楼设计12班中学教学楼设计一、设计任务武汉市某新建小区12班初级中学规划及建筑设计,用地地形及尺寸见下图,任选其中一种。要求进行总平面设计和教学楼单体建筑设计。二、设计资料1.气象资料(见建筑设计资料集1)主导风向:夏季SSW10(南西南风),冬季NNE18(北东北风),参见武汉地区风玫瑰图。气温:最热月平均温度28.8℃,最冷月平均温度3℃,极端最高温度39.4℃,极端最低温度-18.1℃。降水:平均年降雨量1230.6mm,最大暴雨强度50mm/h,最大降雨量317.4mm/d,最大积雪深度320mm。2.地质资料地面为耕植土,1.0m以下为老粘土,最高地下水位在室外地面以下-1.8m。3.建筑等级建筑物设计使用年限50年,耐火等级二级,屋面防水等级三级。4.抗震设防抗震设防烈度6度。5.结构与构造采用钢筋混凝土框架结构。楼板和屋面采用钢筋混凝土现浇楼板,楼梯采用钢筋混凝土现浇板式楼梯。内外墙采用250厚的加气混凝土砌块填充墙,卫生间隔墙可采用200厚的加气混凝土砌块墙。建筑物的内外墙装修构造、门窗构造、楼地层构造、屋面防水构造自定。屋面要求进行保温隔热构造设计。第1页共6页《房屋建筑学》课程设计任务书及指导书12班中学教学楼设计屋顶是否上人自定。三、设计要求1、总平面设计:总平面设计中,教学用房、教学辅助用房、行政管理用房、服务用房、运动场地、自然科学园地及生活区应分区明确、布局合理、联系方便、互不干扰。本设计分为三个功能区,即教学行政区、绿化区和运动区。教学区设教学楼一幢、面积见表1。行政办公楼一幢以及其它辅助建筑(只画出位置,不做具体设计)。绿化用地(兼生物园地)按不小于1㎡/人计算,不包括绿化带等零星绿化面积。运动区布置一个250m的环行跑道(含100m直跑道)的田径场一个,篮球场2个,排球场1个。运动场地均应南北向布置,直跑道和主席台均应布置在田径场西侧,视场地情况可适当布置其它运动场地。运动场地和建筑用地之间用绿化带隔开。按照所给地形图选择一种进行总平面设计校园主入口不宜开向城镇主干道或机动车流量每小时超过300辆的道路,主入口的设置应考虑学生人流方向,并在校门口留出一定的缓冲空间。学校应设次入口考虑车货流和作为备用出入口。校内道路应形成环路,便于消防车通行,主干道宽度不小于7m,人行道路宜与车行道路分开,避免交叉干扰。考虑学生课间操的需要,宜布置校园广场,按不小于3.3㎡/人计算。2、教学楼面积指标见下表教学楼各房间面积指标房间名称间数每间使用面积(㎡)备注教学用房普通教室1253----58每班50人音乐教室153----58乐器教室115----20应靠近音乐教室多功能大教室1100----120供两班使用,可做阶梯教室电教器材兼放映135----40应靠近多功能大教室实验室(生化、物理)275----85实验准备室240----45应与实验室相通语音教室170----85语音准备兼控制室125----40应靠近语音教室教师阅览室130----40可合并为一间学生阅览室140----60书库130----40科技活动室325----30辅助用房教师休息室10----24每层一间开水房5----10每层一间杂物储藏间10----15每层一间卫生间按计算确定设前室,按层布置3、教学楼设计教学楼面积按上表确定,房间面积误差在5%左右。总面积误差在10%左右。中学教学楼层数不得超过五层,宜为三至四层,可自行设计,层高为3.6---3.9m。第2页共6页《房屋建筑学》课程设计任务书及指导书12班中学教学楼设计教室应考虑50人上课的视听要求,按每座使用面积1.08㎡左右,来合理确定教室的形状和尺寸。课桌椅排距不小于900mm,纵向走道宽度不小于550mm。考虑到采光要求,教室宜布置在建筑物北侧,窗地比≥1/4,光线应从学生左侧射入室内。教室疏散门门洞宽度不小于1.0m。实验室每座使用面积1.50--1.80㎡,应考虑实验桌的大小和水池的设置,化学实验室宜布置在一层,便于管道的设置,朝向不宜为西向或西南向。准备室应和实验室相通。实验室平面尺寸较大,宜在竖向进行组合。生物实验室宜布置在南向。音乐教室大小与普通教室类似,由于噪声较大,宜设在教学楼的顶层或底层,最好将其做为单独部分在教学楼一侧建造。乐器室应紧邻音乐教室,...

1、当您付费下载文档后,您只拥有了使用权限,并不意味着购买了版权,文档只能用于自身使用,不得用于其他商业用途(如 [转卖]进行直接盈利或[编辑后售卖]进行间接盈利)。
2、本站所有内容均由合作方或网友上传,本站不对文档的完整性、权威性及其观点立场正确性做任何保证或承诺!文档内容仅供研究参考,付费前请自行鉴别。
3、如文档内容存在违规,或者侵犯商业秘密、侵犯著作权等,请点击“违规举报”。

碎片内容

《房建》(教学楼)课程设计09年

确认删除?
VIP
微信客服
  • 扫码咨询
会员Q群
  • 会员专属群点击这里加入QQ群
客服邮箱
回到顶部