电脑桌面
添加小米粒文库到电脑桌面
安装后可以在桌面快捷访问

EKS00JS468C00中文资料(vishay)中文数据手册「EasyDatasheet - 矽搜」VIP免费

EKS00JS468C00中文资料(vishay)中文数据手册「EasyDatasheet - 矽搜」_第1页
1/5
EKS00JS468C00中文资料(vishay)中文数据手册「EasyDatasheet - 矽搜」_第2页
2/5
EKS00JS468C00中文资料(vishay)中文数据手册「EasyDatasheet - 矽搜」_第3页
3/5
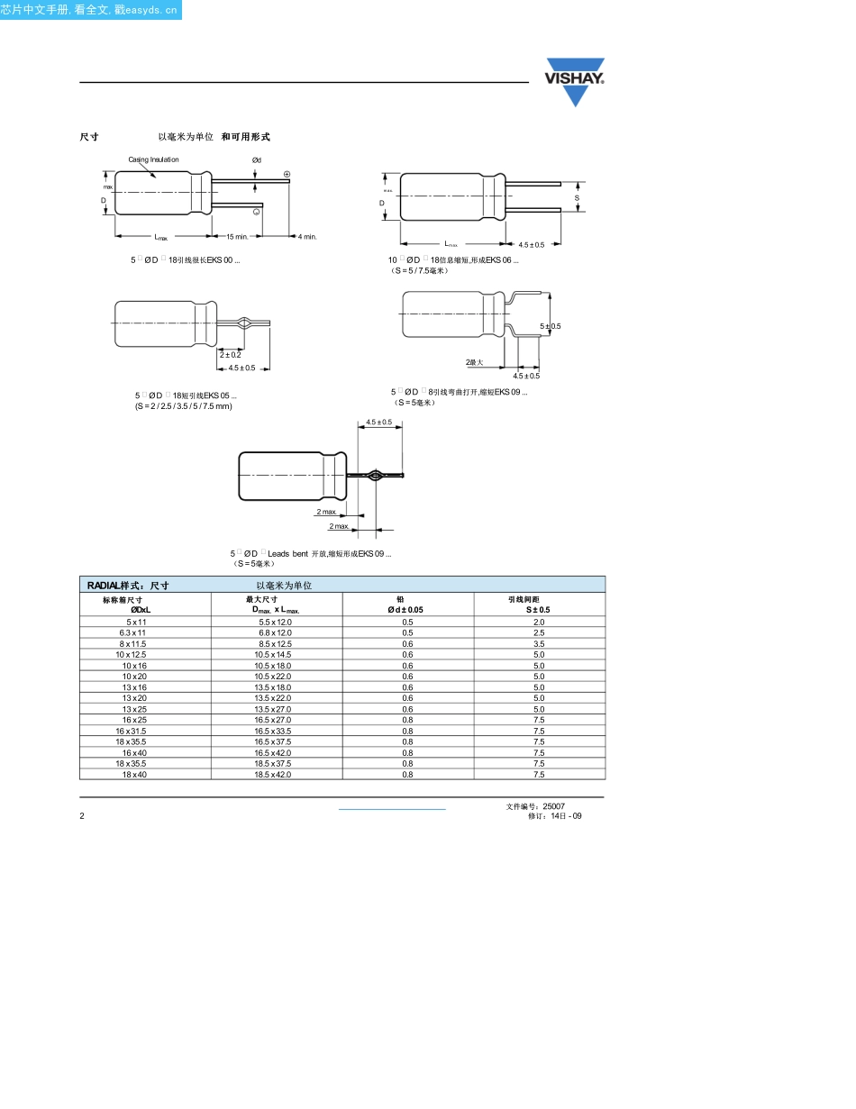
铝电容器径向样式铝电容器径向样式特征特征������极化铝电解电容器高CXU产品小尺寸使用寿命长扩展级温度范围:105℃符合RoHS指令2002/95/EC应用应用组件轮廓过时-请参考:�产业电子,汽车电子,电信系统中,音频/视频系统�平滑,滤波,定时元件�小空间要求�便携式和移动设备快速参考数据快速参考数据描述描述标称箱尺寸(直径深xL)额定容量范围CR电容容差额定电压范围工作温度范围耐久性试验,在上限类别温度.在105°C和I使用寿命R应用在85°C和I使用寿命R应用在40°C和I使用寿命R应用失败率基于分规范基于详细规格气候类别IEC68DIN40040单元单元mmµF%V°Chhhh10-9/h值值5x11to8x11.510x12.5to18x400.47to10000±206.3至4506.3V至100伏160V至为350V400V,450V-55到105-40到105-25到1051000200015002500600010000140000230000�45IEC384-4,CECC30300,GP级类似CECC30301-037,类似DIN45910部分124没有质量评估-40to85-40to85-40to8555/105/5640/105/5625/105/56FMFGMFHMF选择人数表选择人数表ÇR,UR及相关标称外形尺寸及相关标称外形尺寸(Ø深xLMM)CR(µF)1016250.47---1.0---2.2---3.3---4.7---10---22---33---47--5x111005x116.3x116.3x112206.3x118x11.58x11.53308x11.58x11.510x12.54708x11.510x12.510x16100010x1610x2013x20220013x2013x2516x25330013x2516x2516x31.5470016x2516x31.518x35.5680016x31.516x40-1000018x35.5--注意注意根据要求±10%电容容差文件编号:25007修订:14日-0935-------5x116.3x118x11.510x12.510x1610x2013x2516x31.518x35.5---额定电压(额定电压(V))50631001605x11-5x11-5x11-5x11-5x11-5x116.3x11-5x118x11.55x115x11-5x118x11.55x115x116.3x1110x165x116.3x118x11.510x206.3x116.3x1110x12.513x206.3x118x11.510x1613x208x11.510x12.513x2016x2510x1613x1616x2516x4013x1613x2016x2518x4013x2013x2516x31.5-16x2516x31.5--18x35.5-------------------2503504006.3x11--6.3x118x11.58x11.58x11.510x12.510x12.510x12.510x1610x1610x12.510x1610x1610x1610x2013x2013x2013x2513x2513x2016x2515x2513x2516x31.516x35.516x35.518x40----------------------------450-8x11.510x12.510x1610x2013x2016x2516x13.518x40----------1芯片中文手册,看全文,戳easyds.cn尺寸尺寸以毫米为单位和可用形式和可用形式ØdCasingInsulation+Dmax.Dmax.SLmax.4.5±0.5-Lmax.15min.4min.5�ØD�18引线很长EKS00...10�ØD�18信息缩短,形成EKS06...(S=5/7.5毫米)2±0.24.5±0.52最大4.5±0.55�ØD�18短引线EKS05...(S=2/2.5/3.5/5/7.5mm)5�ØD�8引线弯曲打开,缩短EKS09...(S=5毫米)4.5±0.52max.2max.5�ØD�Leadsbent开放,缩短形成EKS09...(S=5毫米)RADIAL样式:尺寸样式:尺寸以毫米为单位标称箱尺寸标称箱尺寸ØDxL5x116.3x118x11.510x12.510x1610x2013x1613x2013x2516x2516x31.518x35.516x4018x35.518x40最大尺寸最大尺寸Dmax.xLmax.5.5x12.06.8x12.08.5x12.510.5x14.510.5x18.010.5x22.013.5x18.013.5x22.013.5x27.016.5x27.016.5x33.516.5x37.516.5x42.018.5x37.518.5x42.0铅铅Ød±0.050.50.50.60.60.60.60.60.60.60.80.80.80.80.80.8引线间距引线间距S±0.52.02.53.55.05.05.05.05.05.07.57.57.57.57.57.52文件编号:25007修订:14日-095±0.5芯片中文手册,看全文,戳easyds.cn电气数据电气数据符号符号CRURtan�RESRIR额定电压最大.在120Hz耗散因数最大.在120赫兹等效串联电阻额定交流电流(有效值),在120赫兹和上类别温度at描述描述额定电容在120Hz订货示例订货示例EKS100μF/25V,±20%,尺寸为6.3毫米×11毫米信息:龙-订货代码:EKS00BA42210E00信息:短(4.5毫米±0.5mm)-订货代码:EKS05...信息:本特开,缩短-订货代码:EKS09...信息:本特开,缩短形成-订货代码:EKS06...注意注意除非另有规定,所有电气值适用Tamb=20℃,P=80千帕至120千帕,RH=45%至75%.电气数据和订购信息电气数据和订购信息UR(V)CR120赫兹赫兹(µF)1002203304701000220033004700680010000100220330470100022003300470068004710022033047010002200330047003347...

1、当您付费下载文档后,您只拥有了使用权限,并不意味着购买了版权,文档只能用于自身使用,不得用于其他商业用途(如 [转卖]进行直接盈利或[编辑后售卖]进行间接盈利)。
2、本站所有内容均由合作方或网友上传,本站不对文档的完整性、权威性及其观点立场正确性做任何保证或承诺!文档内容仅供研究参考,付费前请自行鉴别。
3、如文档内容存在违规,或者侵犯商业秘密、侵犯著作权等,请点击“违规举报”。

碎片内容

EKS00JS468C00中文资料(vishay)中文数据手册「EasyDatasheet - 矽搜」

您可能关注的文档

确认删除?
VIP
微信客服
  • 扫码咨询
会员Q群
  • 会员专属群点击这里加入QQ群
客服邮箱
回到顶部