电脑桌面
添加小米粒文库到电脑桌面
安装后可以在桌面快捷访问

仪表回路试验和系统试验资料VIP免费

仪表回路试验和系统试验资料_第1页
1/21
仪表回路试验和系统试验资料_第2页
2/21
仪表回路试验和系统试验资料_第3页
3/21
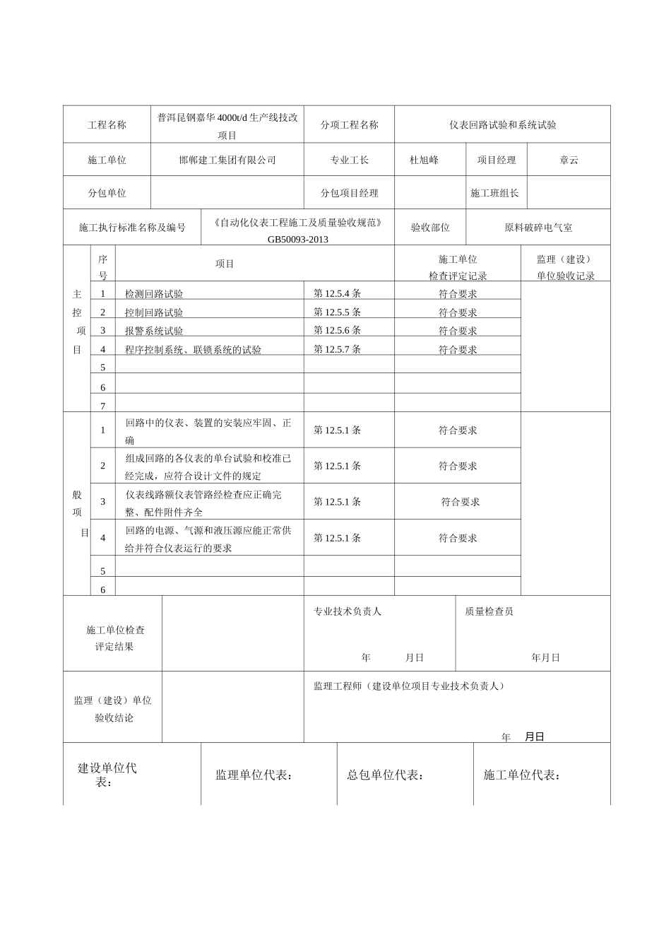
工程名称普洱昆钢嘉华4000t/d生产线技改项目分项工程名称仪表回路试验和系统试验施工单位邯郸建工集团有限公司专业工长杜旭峰项目经理章云分包单位分包项目经理施工班组长施工执行标准名称及编号《自动化仪表工程施工及质量验收规范》GB50093-2013验收部位原料破碎电气室序项目施工单位监理(建设)号检查评定记录单位验收记录主1检测回路试验第12.5.4条符合要求控2控制回路试验第12.5.5条符合要求项3报警系统试验第12.5.6条符合要求目4程序控制系统、联锁系统的试验第12.5.7条符合要求5671回路中的仪表、装置的安装应牢固、正确第12.5.1条符合要求2组成回路的各仪表的单台试验和校准已经完成,应符合设计文件的规定第12.5.1条符合要求般项3仪表线路额仪表管路经检查应正确完整、配件附件齐全第12.5.1条符合要求目4回路的电源、气源和液压源应能正常供给并符合仪表运行的要求第12.5.1条符合要求56专业技术负责人质量检查员施工单位检查评定结果年月日年月日监理工程师(建设单位项目专业技术负责人)监理(建设)单位验收结论年月日建设单位代表:监理单位代表:总包单位代表:施工单位代表:年月日年月日年月曰年月曰工程名称普洱昆钢嘉华4000t/d生产线技改项目分项工程名称仪表回路试验和系统试验施工单位邯郸建工集团有限公司专业工长杜旭峰项目经理章云分包单位分包项目经理施工班组长施工执行标准名称及编号《自动化仪表工程施工及质量验收规范》GB50093-2013验收部位石灰石预均化电气室序项目施工单位监理(建设)号检查评定记录单位验收记录主1检测回路试验第12.5.4条符合要求控2控制回路试验第12.5.5条符合要求项3报警系统试验第12.5.6条符合要求目4程序控制系统、联锁系统的试验第12.5.7条符合要求5671回路中的仪表、装置的安装应牢固、正确第12.5.1条符合要求2组成回路的各仪表的单台试验和校准已经完成,应符合设计文件的规定第12.5.1条符合要求般项3仪表线路额仪表管路经检查应正确完整、配件附件齐全第12.5.1条符合要求目4回路的电源、气源和液压源应能正常供给并符合仪表运行的要求第12.5.1条符合要求56专业技术负责人质量检查员施工单位检查评定结果年月日年月日监理工程师(建设单位项目专业技术负责人)监理(建设)单位验收结论年月日建设单位代表:监理单位代表:总包单位代表:施工单位代表:年月日年月日年月曰年月曰工程名称普洱昆钢嘉华4000t/d生产线技改项目分项工程名称仪表回路试验和系统试验施工单位邯郸建工集团有限公司专业工长杜旭峰项目经理章云分包单位分包项目经理施工班组长施工执行标准名称及编号《自动化仪表工程施工及质量验收规范》GB50093-2013验收部位窑头电气室序项目施工单位监理(建设)号检查评定记录单位验收记录主1检测回路试验第12.5.4条符合要求控2控制回路试验第12.5.5条符合要求项3报警系统试验第12.5.6条符合要求目4程序控制系统、联锁系统的试验第12.5.7条符合要求5671回路中的仪表、装置的安装应牢固、正确第12.5.1条符合要求2组成回路的各仪表的单台试验和校准已经完成,应符合设计文件的规定第12.5.1条符合要求般项3仪表线路额仪表管路经检查应正确完整、配件附件齐全第12.5.1条符合要求目4回路的电源、气源和液压源应能正常供给并符合仪表运行的要求第12.5.1条符合要求56专业技术负责人质量检查员施工单位检查评定结果年月日年月日监理工程师(建设单位项目专业技术负责人)监理(建设)单位验收结论年月日建设单位代表:监理单位代表:总包单位代表:施工单位代表:年月日年月日年月曰年月曰工程名称普洱昆钢嘉华4000t/d生产线技改项目分项工程名称仪表回路试验和系统试验施工单位邯郸建工集团有限公司专业工长杜旭峰项目经理章云分包单位分包项目经理施工班组长施工执行标准名称及编号《自动化仪表工程施工及质量验收规范》GB50093-2013验收部位生料磨及窑尾电气室序项目施工单位监理(建设)号检查评定记录单位验收记录主1检测回路试验第12.5.4条符合要求控2控制回路试验第12.5.5条符合要求项3报警系统试验第12.5.6条符合要求目4程序控制系统、联锁系统的试验第12.5.7条符合要求5671回路中的仪表、装置的安装应牢固、...

1、当您付费下载文档后,您只拥有了使用权限,并不意味着购买了版权,文档只能用于自身使用,不得用于其他商业用途(如 [转卖]进行直接盈利或[编辑后售卖]进行间接盈利)。
2、本站所有内容均由合作方或网友上传,本站不对文档的完整性、权威性及其观点立场正确性做任何保证或承诺!文档内容仅供研究参考,付费前请自行鉴别。
3、如文档内容存在违规,或者侵犯商业秘密、侵犯著作权等,请点击“违规举报”。

碎片内容

仪表回路试验和系统试验资料

确认删除?
VIP
微信客服
  • 扫码咨询
会员Q群
  • 会员专属群点击这里加入QQ群
客服邮箱
回到顶部