电脑桌面
添加小米粒文库到电脑桌面
安装后可以在桌面快捷访问

企业质量部吨袋检验标准VIP免费

企业质量部吨袋检验标准_第1页
1/7
企业质量部吨袋检验标准_第2页
2/7
企业质量部吨袋检验标准_第3页
3/7
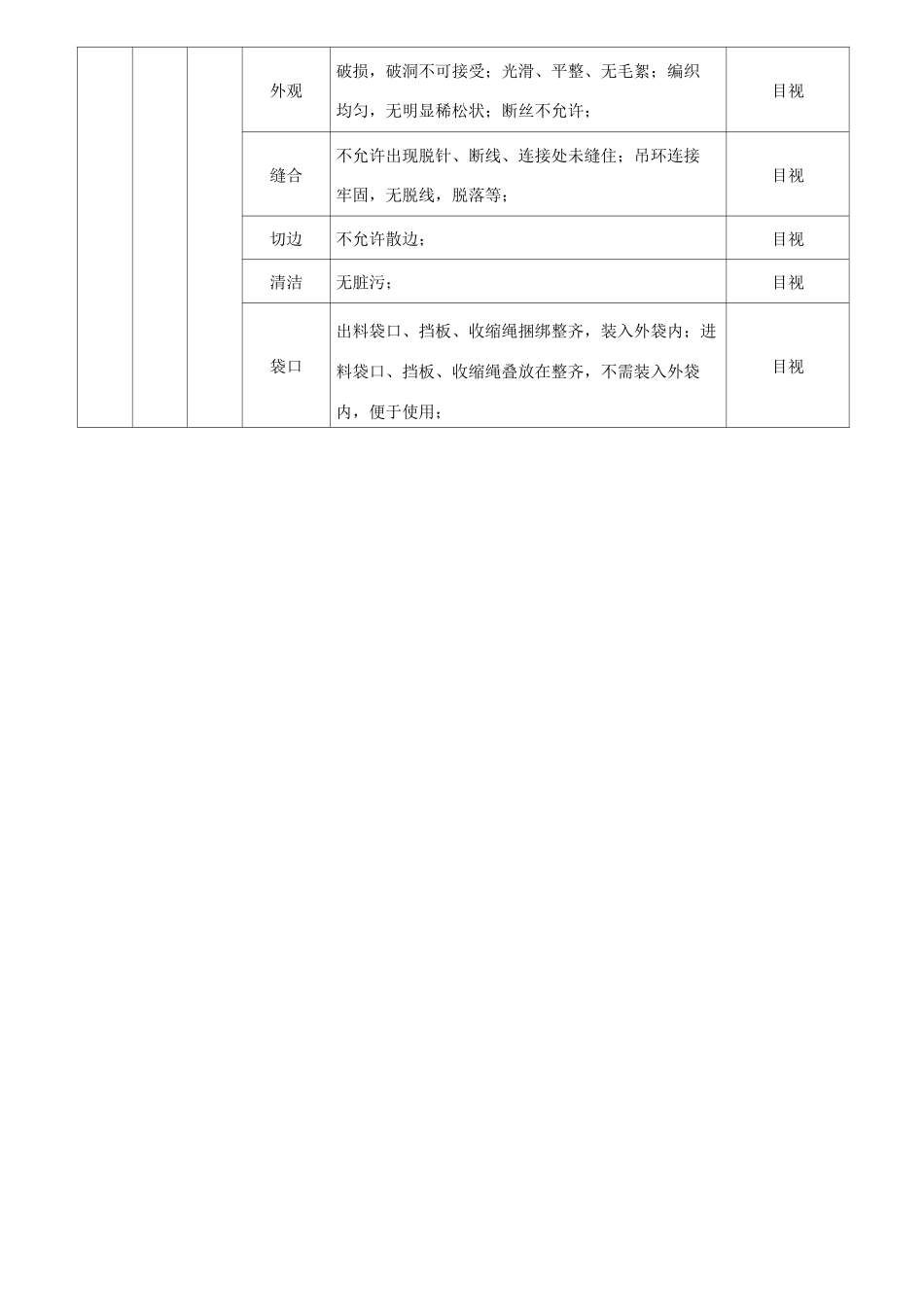
吨袋检验标准编制部门:质量部编号:WR/WI-QA-版本:A0编制日期:2017年5月修改日期:页码:第1页,共4页1.目的为规范吨袋来料验收标准,满足生产、质量以及顾客的要求,保证产品包装符合顾客要求顺利交付,特制订本检验标准。2.适用范围本标准适用于磷酸铁锂成品包装用吨袋的来料检验。3•职责采购部负责吨袋的采购,在吨袋到厂3天内通知质量部做进货检验;根据质量部提供的吨袋检验报告,负责办理合格吨袋的入库、不合格吨袋的退货(或让步接收)。质量部质量人员按本标准对吨袋进行检验,确保吨袋质量满足要求;将吨袋的检验情况做成《托盘检验报告》,反馈采购部;并跟进不合格来料的整改进度和改善后的效果确认工作;4•依据2MCDR0029438吨袋物料包装要求GBT10454-2000集装袋5.检验项目吨袋示意图及实物图:见附件吨袋检验项目及验收标准:序号项目检验标准检验方法1材质外袋尼龙编织袋,材质符合米购合同要求及GB/T10454-2000;目视/样品内胆铝箔袋,三层铝塑复合材质;目视/样品2外观外袋颜色米黄色;目视/样品与样品颜色一致;同批产品不允许有色差;不同批次与样品对比<10%的差异;目视/样品外观破损,破洞不可接受;光滑、平整、无毛絮;编织均匀,无明显稀松状;断丝不允许;目视缝合不允许出现脱针、断线、连接处未缝住;吊环连接牢固,无脱线,脱落等;目视切边不允许散边;目视清洁无脏污;目视袋口出料袋口、挡板、收缩绳捆绑整齐,装入外袋内;进料袋口、挡板、收缩绳叠放在整齐,不需装入外袋内,便于使用;目视进货检验吨袋检验标准编制部门:质量部编号:版本:A0编制日期:2017年5月修改日期:页码:第2页,共4页序号项目检验标准检验方法2外观外袋标签供方标签不需要;目视异物外袋与内袋之间不可有异物;目视内胆颜色银色;目视外观无划伤、烫伤、穿孔、破裂、异物、分层、粘连、残缺、刀丝、脏污等;目视气泡无气泡;目视袋内粉尘,刀丝,毛丝等异物不可接受;目视封合热封牢固,褶皱,开裂不可接受;用手顶压,轻微拉撤不可破洞;无透光现象;目视袋口进料口、出料口必须封合且牢固;叠合整齐,不允许无规则折叠;目视出料口叠合整齐装入外袋;进料口铝箔袋与编织袋叠合整齐,不需装入外袋内,便于使用;目视3尺寸mm外袋上料口直径:400±20卷尺长度:650±20卷尺吨袋本体850*850*730,公差±10卷尺吊耳★高度:350-400,4条卷尺下料口★直径:500±20卷尺长度:780±20卷尺内胆厚度千分尺上料口长度:650±20卷尺口径:320*320±20卷尺下料口★长度:1180+20/-0卷尺口径:400*400±20卷尺4包装包装方式包装运输米用全包覆纸箱包装+打包带+托盘固定;或其他有效防护包装方式目视标识厂商名称、产品名称、规格、数量、批号、生产日期、检验合格证等内容清晰;目视外表干净、整洁、无脏污、破损等;目视进货检验吨袋检验标准编制部门:质量部编号:版本:A0编制日期:2017年5月修改日期:页码:第3页,共4页序号项目检验标准检验方法5功能性检测抗拉强度①吨袋外袋基体三1470N,②上、下料口三870N简易检测方式:取60*300mm的试验样片,在试片中心划上100mm的标线,在标线外各约25mm的位置装在弹簧秤上,以约200mm/min的速度拉伸,直到试片断裂为止,读出断裂前最大值。抗静压强度吨袋内容物不溢出和袋体无破损把吨袋4倍重量叠加,放置48小时以上,检测是否有破损,内容物溢出。抗冲击强度内容物无溢出,吨袋无破损把吨袋装载满物料后,用起吊设备使之吊起,袋底离开地面1米,然后向坚硬平整的地面一次垂直落卜。吊起试验集装袋内容物和袋体没有有异常情况发生,连接没有破损将装满物料的吨袋吊起落下,反复重复10次倾倒试验集装袋不发生基布和缝线部位的破损情况以及其他异常情况把满负荷的集装袋堆叠起来,高度为三层,然后用绳索扣住顶袋并将其拉倒,再观察其性能抗撕裂试验切裂伤口长度的传播不超过25%把满负荷的集装袋直立在地面,在袋的侧面偏下任意部位以45°通过集装袋主轴划一长为100mm的切口,然后将此吊袋吊离地面,保持五分钟以上再降低至地面穿刺试验穿刺试验承受力2100N将直径为100mm的试片安装在样膜固定夹环上,然后用直径,直径顶端半径为的...

1、当您付费下载文档后,您只拥有了使用权限,并不意味着购买了版权,文档只能用于自身使用,不得用于其他商业用途(如 [转卖]进行直接盈利或[编辑后售卖]进行间接盈利)。
2、本站所有内容均由合作方或网友上传,本站不对文档的完整性、权威性及其观点立场正确性做任何保证或承诺!文档内容仅供研究参考,付费前请自行鉴别。
3、如文档内容存在违规,或者侵犯商业秘密、侵犯著作权等,请点击“违规举报”。

碎片内容

企业质量部吨袋检验标准

您可能关注的文档

确认删除?
VIP
微信客服
  • 扫码咨询
会员Q群
  • 会员专属群点击这里加入QQ群
客服邮箱
回到顶部