电脑桌面
添加小米粒文库到电脑桌面
安装后可以在桌面快捷访问

机电安装工程技术质量管理策划书VIP免费

机电安装工程技术质量管理策划书_第1页
1/20
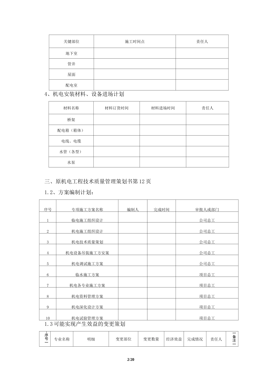
机电安装工程技术质量管理策划书_第2页
2/20
机电安装工程技术质量管理策划书_第3页
3/20
0/20XXXXXXXXXXXXXX项目机电工程技术质量管理策划书编制人:审核人:审批人:XXXXXXX中国建筑XXXXXX有限公司1/20一、原机电工程技术质量管理策划书第1页2、项目管理目标及责任分解内容指标责任人工期目标按合同要求按时完工质量目标达到现行有关施工验收规范要求的合格标准3、项目机电系统人员组成职务姓名电话机电经理机电部经理电气责任工程师给排水责任工程师机电预算员二、原机电工程技术质量管理策划书第8页2、机电各专业安装施工点计划专业施工时间点施工部位责任人电气工程桥架安装地下室、主楼配电(箱体)安装地下室、主楼电气配管地下室、主楼电线电缆地下室、主楼开关插座安装地下室、主楼灯具地下室、主楼通电试运行地下室、主楼给排水工程给水立管地下室、主楼排水立管地下室、主楼消防水管地下室、主楼通水试验地下室、主楼3、机电关键部位施工计划2/20关键部位施工时间点责任人地下室管井屋面配电室4、机电安装材料、设备进场计划材料名称材料订货时间材料进场时间责任人桥架配电箱(箱体)电线、电缆水管(各型)水泵三、原机电工程技术质量管理策划书第12页1.2、方案编制计划:序号专项施工方案名称编制人完成时间审批人或部门1临电施工组织设计公司总工2机电施工组织设计公司总工3机电技术质量策划公司总工4机电设备吊装施工方安案公司总工5机电调试施工方案公司总工6临水施工方案项目总工7机电各专业施工方案项目总工8机电资料管理方案项目总工9机电深化设计方案项目总工10机电试验管理方案项目总工1.3可能实现产生效益的变更策划-序号一专业名称明细变更部位变更数量经济效益完成情况责任人一备注一3/201材料变更临水管使用正式消防立管11栋11层楼400米待定未进行UPVC止水套管卫生间厨房12000个待定未进行2设备选型变更暂无3管路优化户内管线优化37栋单体20000米待定未进行四、原机电工程技术质量管理策划书第15〜28页3、安装阶段:3.1机房施工序号机房名称机房位置负责人施工队伍管线及支吊架出图时间机房施工时间1排风机房PF(Y)-B-2(落地)1#地下室(3#楼下)消防专业分包2送风机房JY-B-15/16(吊装)1#地下室(3#楼下)消防专业分包3送风机房BF-B-3(吊装)1#地下室(5#楼下)消防专业分包4送风机房JY-B-13/14(吊装)1#地下室(5#楼下)消防专业分包5排风机房PF(Y)-B-7\8(落地)1#地下室(5#楼下)消防专业分包6送风机房JY-B-11/12(吊装)1#地下室(6#楼下)消防专业分包7报警阀间PF-BJ1(壁装)1#地下室(6\7#楼下)消防专业分包8排风机房PF(Y)-B-1\4(落地)1#地下室(7#楼下)消防专业分包9送风机房JY-B-9/10(吊装)1#地下室(7#楼下)消防专业分包10送风机房JY-B-7/8(吊装)1#地下室(8#楼下)消防专业分包11排风机房PF(Y)-B-3(落地)1#地下室(9#楼下)消防专业分包12送风机房BF-B-1JY-B-21(吊装)1#地下室(9#楼下)消防专业分包13送风机房BF-B-2(吊装)1#地下室(9#楼下)消防专业分包4/2014送风机房JY-B-5/6(吊装)1#地下室(9#楼下)消防专业分包15送风机房JY-B-3/4(吊装)1#地下室(10#楼下)消防专业分包16排风机房PF(Y)-B-FJ3(吊装)1#地下室(11#楼下)消防专业分包17送风机房BF-B-FJ1(吊装)1#地下室(11#楼下)消防专业分包18消防水泵房PF-XF(壁装)1#地下室(11#楼下)消防专业分包19送风机房JY-B-1/2(吊装)1#地下室(12#楼下)消防专业分包20排风机房PF(Y)-B-FJ4\51#地下室(12#楼下)消防专业分包21送风机房JY-B-17/18(吊装)1#地下室(16#楼下)消防专业分包22排风机房PF(Y)-B-FJ1\B-5(吊装落地)1#地下室(17#楼下)消防专业分包23报警阀间PF-BJ2(壁装)1#地下室(17#楼下)消防专业分包24排风机房PF(Y)-B-FJ2\B-6(吊装落地)1#地下室(18#楼下)消防专业分包25送风机房JY-B-19/20(吊装)1#地下室(19#楼下)消防专业分包26柴油发电机房PF-CY(吊装)1#地下室(3#楼下)消防+机电27弱电机房PF-RD(壁装)1#地下室(5#楼下)弱电专业分包28生活水泵房PF-BF(壁装)1#地下室(11#楼下)机电29生活水箱间PF-SX(壁装)1#地下室(11#楼下)机电30市政设施用房PF-SZK壁装)1#地下室(16楼下)消防专业分包3...

1、当您付费下载文档后,您只拥有了使用权限,并不意味着购买了版权,文档只能用于自身使用,不得用于其他商业用途(如 [转卖]进行直接盈利或[编辑后售卖]进行间接盈利)。
2、本站所有内容均由合作方或网友上传,本站不对文档的完整性、权威性及其观点立场正确性做任何保证或承诺!文档内容仅供研究参考,付费前请自行鉴别。
3、如文档内容存在违规,或者侵犯商业秘密、侵犯著作权等,请点击“违规举报”。

碎片内容

机电安装工程技术质量管理策划书

您可能关注的文档

确认删除?
VIP
微信客服
  • 扫码咨询
会员Q群
  • 会员专属群点击这里加入QQ群
客服邮箱
回到顶部