电脑桌面
添加小米粒文库到电脑桌面
安装后可以在桌面快捷访问

管线动态更新解决方案VIP免费

管线动态更新解决方案_第1页
1/21
管线动态更新解决方案_第2页
2/21
管线动态更新解决方案_第3页
3/21
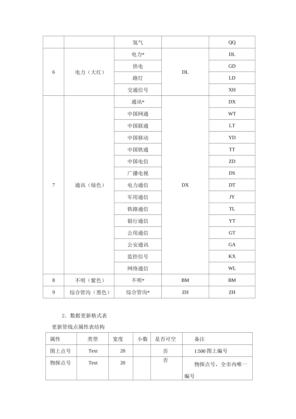
管线动态更新技术方案随着城市建设的不断发展,新的地下管线不断增加,不适应城市发展需要的部分管线也将被废弃或更换,为此,必须建立地下管线动态管理机制,对根据探测成果建立起来的地下管线数据库及时补充更新,保证地下管线信息的延续性、准确性和现势性。1制定管线动态更新技术规程,保证成果数据的统一性、准确性。1.1更新数据编码规则1.管线点编号规则(1)属于道路红线内的管线竣工测量,管线点的编号为管线类别代码+“DL”+道路编码(4位)+顺序号(3位),例如:在渤海路(渤海路的道路编码为0002)进行给水管线竣工测量的第三个管线点编号为“JSDL0002003”。(2)属于建设用地红线内的管线竣工测量,管线点的编号为管线类别代码+“XQ”+建设工程编码(4位)+顺序号(3位),例如:在人民广场(人民广场的建设工程编码为0001)进行燃气管线竣工测量的第三个管线点编号为“RQXQ0001003”。以上编号中的管线类别代码、道路编码及建设工程编码等需根据寿光市管线建设实际情况进行编制。2.要素编码规则考虑到GIS以及空间分析对管线数据的基本要求,对于各类管线不管其是否应依比例尺表示均用中心线表示,对于面状地物,如管线地面建(构)筑物等用中心点表示。管线点状要素包括管线特征点、管线附属物、管线地面建(构)筑物中心点等要素。管线辅助要素包括地下建(构)筑物边界、依比例尺管线边界等用于满足制图要求的要素;管线编码为6位编码,第一位为大写字母P,用于同其它系统(如基础地理信息系统等)的编码方案进行区分;第二位为管线类型码,按城市中涵盖的管线大类从1依次排列;第三位为每类管线的子类型码,如排水管线包括雨水、污水、雨污合流三个子类;第四位为要素类型码,从1到5分别表示中心线、管线特征点及附属物、管线地面建(构)筑物中心点、管线辅助要素、管线注记;第五、六位为按分类顺序排列的要素序号,00-19为特征点、20-39为附属设施、40为其他特征点。以下图中要素名称为“污水转折点”要素编号为P22202为例:P为管线数据标示、P后第一个2为排水类管线类型码、P后第二个2为污水管线的子类型码、P后第三个2为管线特征点对应要素类型码、02为转折点对应要素序号。1.2更新成果数据库1.更新管线分类表表为管线分类表(示意)序号管线大类(颜色)管线子类管线大类代码管线子类代码1给水(深蓝)给水*JSJS饮用水YY非饮用水FY2排水(褐色)排水*PSPS雨水YS污水WS雨污合流HS3燃气(粉红)燃气*RQRQ煤气MQ液化气YH天然气TR4热力(枯黄)热力*RLRL蒸汽ZQ热水RS5工业(黑色)工业*GYGY灰渣HZ石油SY制冷ZL丙烯BX氢气QQ6电力(大红)电力*DLDL供电GD路灯LD交通信号XH7通讯(绿色)通讯*DXDX中国网通WT中国联通LT中国移动YD中国铁通TT中国电信ZD广播电视DS电力通信DT军用通信JY铁路通信TL银行通信YT公用通信GT公安通讯GA监控信号KX网络通信WL8不明(紫色)不明*BMBM9综合管沟(黑色)综合管沟*ZHZH2.数据更新格式表更新管线点属性表结构属性类型宽度小数是否可空备注图上点号Text20否1:500图上编号物探点号Text20否物探点号,全市内唯一编号特征Text15是特征附属物Text12是附属物XDouble123否坐标XYDouble123否坐标Y地面咼程Double82否有井为井盖高程,无井为地面咼程井底深度Double82是井底深度偏心井位Double20是偏心井井盖中心物探点号综合管线图XMDouble123否综合管线图中,图上点号坐标值。综合管线图YMDouble123否专业管线图XMDouble123否专业管线图中,图上点号坐标值。未有专业管线图的允许为空专业管线图YMDouble123否点编码Text10否点符号编码图幅号Text20否所在1:500图幅号的唯一编号角度Double83否点符号成图角度:以正东方向为起点,顺时针旋转所得角度(以。为单位)是否接边占八、、Text1是Y/N接边点点号Text15是接边点点号道路名称Text20是所在道路名称备注Text50是备注更新管线线表结构字段名称类型宽度小数是否可空备注起始点号Text20否管线起点物探点号终止占号』、11.Text20否管线终点物探点号起点埋深Double62否排水为管底埋深终点埋深Double62否其他为管顶埋深起点高程Double82否排水为管底高程终点高程Double82否其他为管顶咼程埋...

1、当您付费下载文档后,您只拥有了使用权限,并不意味着购买了版权,文档只能用于自身使用,不得用于其他商业用途(如 [转卖]进行直接盈利或[编辑后售卖]进行间接盈利)。
2、本站所有内容均由合作方或网友上传,本站不对文档的完整性、权威性及其观点立场正确性做任何保证或承诺!文档内容仅供研究参考,付费前请自行鉴别。
3、如文档内容存在违规,或者侵犯商业秘密、侵犯著作权等,请点击“违规举报”。

碎片内容

管线动态更新解决方案

确认删除?
VIP
微信客服
  • 扫码咨询
会员Q群
  • 会员专属群点击这里加入QQ群
客服邮箱
回到顶部