电脑桌面
添加小米粒文库到电脑桌面
安装后可以在桌面快捷访问

厨房设备、排烟系统和净水系统采购清单VIP免费

厨房设备、排烟系统和净水系统采购清单_第1页
1/12
厨房设备、排烟系统和净水系统采购清单_第2页
2/12
厨房设备、排烟系统和净水系统采购清单_第3页
3/12
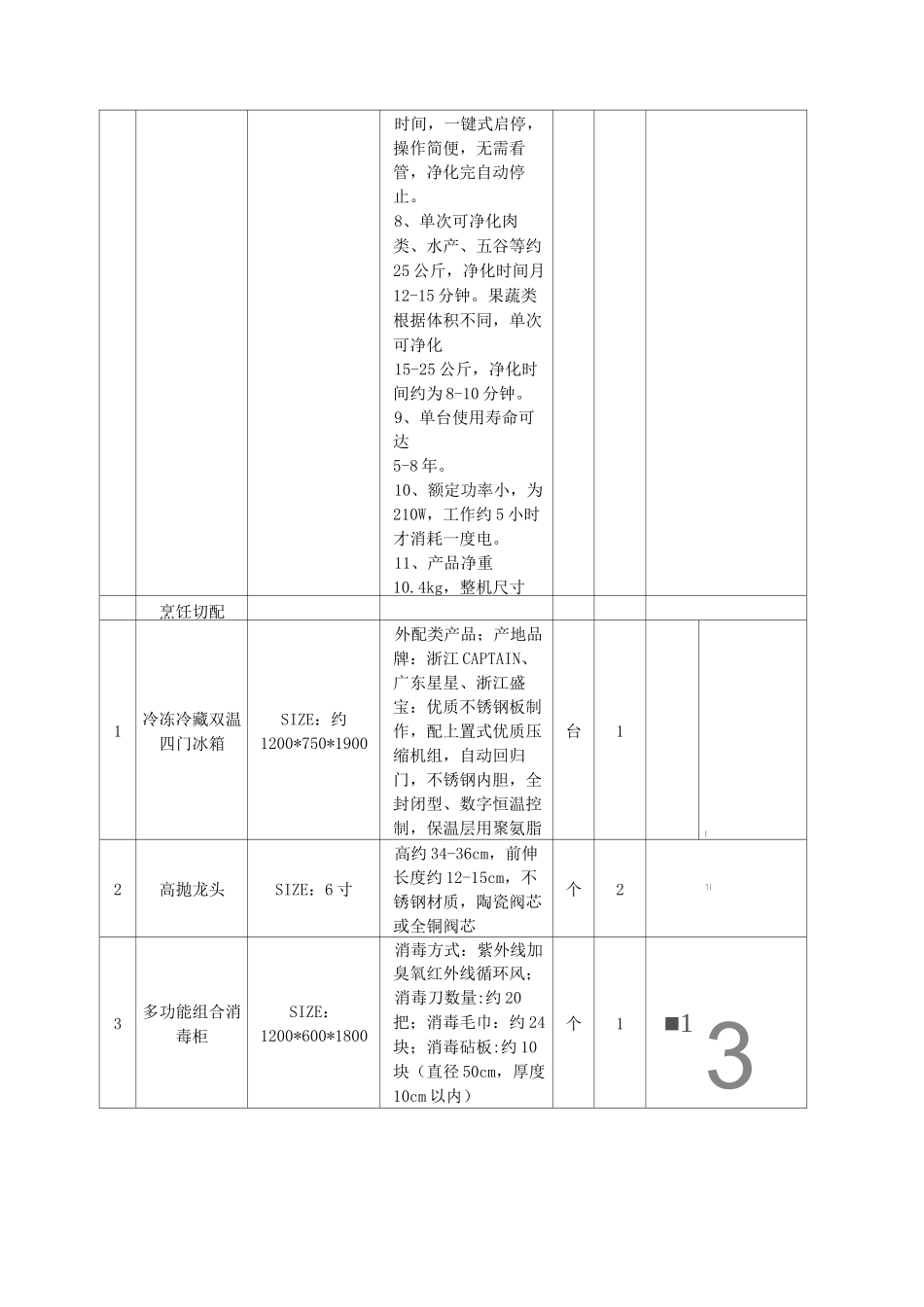
厨房设备、排烟系统、净水系统采购清单序号名称规格型号产地品牌、材料配置及技术参数单位数量参考图片更衣1四门不锈钢更衣柜SIZE:L二约900*550*1800选用SUS304-2B不锈钢板制作(包括加强档、筋),上下两层;上下配密封式开门,配置不锈钢可调脚,门板板厚0.8mm,门采用双复组21^1.11单水池带感应龙头SIZE:350*500*800选用SUS304-2B不锈钢板制作;支架、通脚、可调脚为①38不锈钢管,配置不锈钢可调脚,配落水器;带后挡板,台板厚1.0mm;配单星盆:带感应龙头个214副食库1四层板架SIZE:1200*500*1800选用SUS304-2B不锈钢制作,搁板采用0.7mm不锈钢板配加强筋,配置不锈钢可调脚,不锈钢封口盖加厚型圆管制作;平个2粗加工1电热开水器SIZE:12型;容量:约80L外配类产品,全不锈钢制作,自动进水,自动保温,带液位显示及防干烧功能;容量:约80L台1静.1a定制开水器底座选用SUS304-2B不锈钢板制作,台板厚0.8mm;支架、通脚、可调脚为①38不锈钢管,配置不锈钢可调脚;个117---■*-2单水池SIZE:900*700*800选用SUS304-2B不锈钢板制作;支架、通脚、可调脚为①38不锈钢管,配置不锈钢可调脚,配落水器;带后挡板,台板厚1.0mm;配个41单星盆;2a高抛龙头SIZE:6寸高约34-36cm,前伸长度约12-15cm,不锈钢材质,陶瓷阀芯或全铜阀芯个4「3冲地龙头SIZE:外配类产品,软管水管,敞开式卷盘,可伸拉长度约10~13米;带水枪;个14电子称SIZE:150~200KG不锈钢秤面,带数字显示器,可充电功能,台15分体式净食机SIZE:约480*380*1301、全面板钢化玻璃设计,侧身全面电镀工艺,易擦拭,整机防水。2、采用羟基自由基净化技术,经中科国联检测,羟基自由基含量为2.25U/ml,将有害物质分解为水、二氧化碳、无机盐,羟基自由基和分解后产物对身体均无任何伤害。3、经国家电器安全质量监督检验中心检验,整机符合国家电器安全标准。4、净化装置采用PC食品级材料、304不锈钢,净化器可进行拆卸清洗,拆装简单,防止对食材的二次污染。5、设计有空气过滤装置,可过滤厨房油烟、灰尘等杂质,保护机芯,延长使用寿命。6、设置有果蔬、五谷、水产、肉类、餐台3[1J时间,一键式启停,操作简便,无需看管,净化完自动停止。8、单次可净化肉类、水产、五谷等约25公斤,净化时间月12-15分钟。果蔬类根据体积不同,单次可净化15-25公斤,净化时间约为8-10分钟。9、单台使用寿命可达5-8年。10、额定功率小,为210W,工作约5小时才消耗一度电。11、产品净重10.4kg,整机尺寸烹饪切配1冷冻冷藏双温四门冰箱SIZE:约1200*750*1900外配类产品;产地品牌:浙江CAPTAIN、广东星星、浙江盛宝:优质不锈钢板制作,配上置式优质压缩机组,自动回归门,不锈钢内胆,全封闭型、数字恒温控制,保温层用聚氨脂一次性发泡成型。台1I2高抛龙头SIZE:6寸高约34-36cm,前伸长度约12-15cm,不锈钢材质,陶瓷阀芯或全铜阀芯个21i3多功能组合消毒柜SIZE:1200*600*1800消毒方式:紫外线加臭氧红外线循环风;消毒刀数量:约20把;消毒毛巾:约24块;消毒砧板:约10块(直径50cm,厚度10cm以内)个1■134平板料台(后档同大锅灶)SIZE:450*1200*800选用SUS304-2B不锈钢板制作,配置不锈钢可调脚,台面板厚0.8mm,平板型台面;最终尺寸按现场实际测量个25一大一小灶(后档与大锅灶同款)SIZE:1900*1200*800选用SUS304-2B不锈钢板制作,全不锈钢灶体外壳,35*35角铁炉架,炮台、炉围用不锈钢板液压成型,配可调脚,面板1.0mm,炒锅,燃气型;配熄火保护装置台11MT-T146双眼大锅灶带后背烟道(提供样品)SIZE:2000*1200*800选用SUS304-2B不锈钢板制作,全不锈钢灶体外壳,35*35角铁炉架,炮台、炉围用不锈钢板液压成型,配可调脚,面板1.0mm,0700大锅,燃气型;配熄火保护台1r7工作台加档SIZE:700*800*800选用SUS304-2B不锈钢板制作(包括加强档、筋),下置一层栅档,台面用衬板加强,配置不锈钢可调脚,台面板厚1.0mm。最终尺寸按张18高抛龙头SIZE:6寸高约34-36cm,前伸长度约12-15cm,不锈钢材质,陶瓷阀芯或全铜阀芯个119电双门蒸饭箱SIZE:24盘约84KG选用SUS304-2B不锈钢板制作;一次性模压成型饭盘、分饭器、饭铲全套,下配可...

1、当您付费下载文档后,您只拥有了使用权限,并不意味着购买了版权,文档只能用于自身使用,不得用于其他商业用途(如 [转卖]进行直接盈利或[编辑后售卖]进行间接盈利)。
2、本站所有内容均由合作方或网友上传,本站不对文档的完整性、权威性及其观点立场正确性做任何保证或承诺!文档内容仅供研究参考,付费前请自行鉴别。
3、如文档内容存在违规,或者侵犯商业秘密、侵犯著作权等,请点击“违规举报”。

碎片内容

厨房设备、排烟系统和净水系统采购清单

确认删除?
VIP
微信客服
  • 扫码咨询
会员Q群
  • 会员专属群点击这里加入QQ群
客服邮箱
回到顶部