电脑桌面
添加小米粒文库到电脑桌面
安装后可以在桌面快捷访问

桥式起重机吊装施工方案VIP专享VIP免费

桥式起重机吊装施工方案_第1页
1/8
桥式起重机吊装施工方案_第2页
2/8
桥式起重机吊装施工方案_第3页
3/8
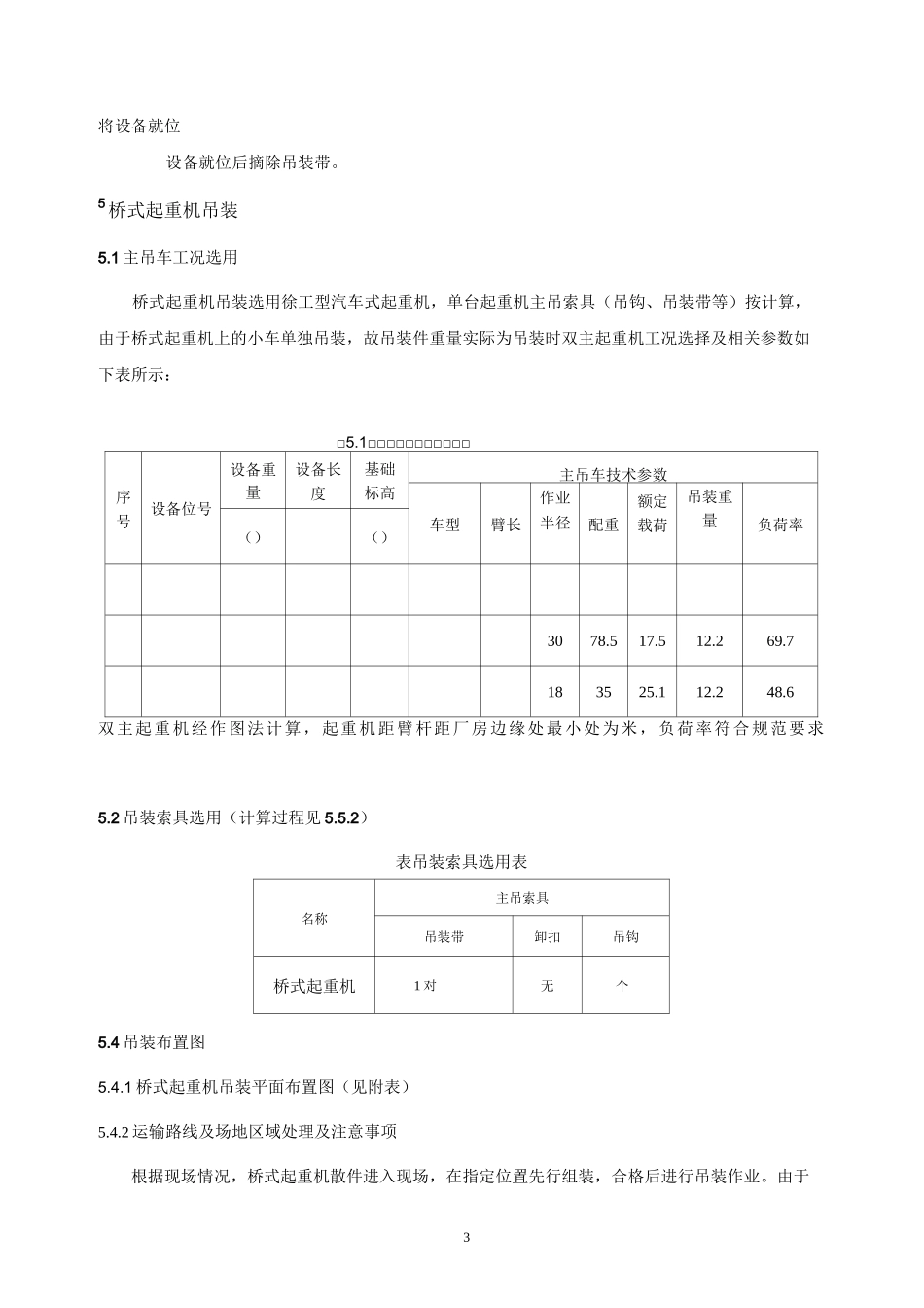
11DDDD1.1DDDD厂房新增一台桥式起重机,设备重吨,尺寸XX米,为此编制本吊装方案。1.2DDDD设备外形尺寸大,整体吊装,需要投入两台徐工汽车式起重机双机主吊。设备无吊耳,采用吊装带吊装,兜挂,吊装时易滑脱,给安全带来很大隐患;楼顶破拆,从楼顶吊入,作业空间受限,视线受阻,双机吊装须协调同步,切入轨道须找正找齐,指挥协调有相当大的难度。2DDDD《石油化工工程起重施工规范》《石油化工建设工程施工安全技术规范》一《起重机械安全规程》《起重吊装指挥信号》《石油化工大型设备吊装工程施工技术规程》《一般用途钢丝绳》该设备图纸及相关技术文件相关吊车参数性能表2组织机构组织机构4施工工艺4.1吊装工艺流程根据现场情况和我公司现有机具资源情况,经综合比较和分析,该设备整体吊装,采用两台型汽车式起重机双机主吊的方法。双机主吊的工艺流程为:桥式起重机组装件卸车一按平面布置图位置组装成整体一主吊车按方案要求就位一工作半径核实一系挂吊装带一试吊一起吊一主吊车分别旋转至厂房上方一落钩至设备就位一吊装完毕4.2设备的吊装操作设备组装件运至现场后,根据设备运输线路,运至设备指定位置进行组对。双主吊起重机按照方案要求站好作业位置,吊装索具全部准备好。在吊装前,相关技术人员对设备及基础组织验收,合格后方可进行吊装进行吊装前联合检查,检查合格后签署吊装令(吊装令见附表),试吊。双主吊车同时提升,使设备吊离支撑点后,停止提升,检查设备的吊装带等的受力情况,在确定吊车的站位无下陷及其它异常情况后,正式吊装。双主吊车先同时慢慢起钩,直到设备升至一定高度后,向设备基础转杆,调整作业半径,3将设备就位设备就位后摘除吊装带。5桥式起重机吊装5.1主吊车工况选用桥式起重机吊装选用徐工型汽车式起重机,单台起重机主吊索具(吊钩、吊装带等)按计算,由于桥式起重机上的小车单独吊装,故吊装件重量实际为吊装时双主起重机工况选择及相关参数如下表所示:□5.1□□□□□□□□□□□序号设备位号设备重量设备长度基础标高主吊车技术参数车型臂长作业半径配重额定载荷吊装重量负荷率()()3078.517.512.269.7183525.112.248.6双主起重机经作图法计算,起重机距臂杆距厂房边缘处最小处为米,负荷率符合规范要求5.2吊装索具选用(计算过程见5.5.2)表吊装索具选用表名称主吊索具吊装带卸扣吊钩桥式起重机1对无个5.4吊装布置图5.4.1桥式起重机吊装平面布置图(见附表)5.4.2运输路线及场地区域处理及注意事项根据现场情况,桥式起重机散件进入现场,在指定位置先行组装,合格后进行吊装作业。由于4场地地面坚固,吊装重量不大,只需在汽车式起重机下加垫拍子即可。5.5吊装相关设计及计算5.5.1地耐力强度验算根据现场考察的情况,地面坚实,吊装重量小,根据以往的吊装经验,此重量不会对地面的强度造成任何影响,故无须进行地耐力强度核算,可放心使用。5.5.2吊装带载荷计算吊装带一对分支使用,为标准件,出厂时已检验合格并标注吊装重量,故直接选用的扁平吊装带一对即可。吊耳设计计算采用兜挂方式,故无须进行吊耳设计计算6.安全质量保证体系层次L-LJ/亠冈位职责决策层总指挥全面负责吊装施工管理层吊装责任工程师过程监督与技术指导机械责任工程师起重机械保养运行的技术指导安全责任工程师安全检查及监督质量责任工程师吊装工程施工质量检查材料责任工程师所需原材料的检查确认指挥层起重队长负责劳动力组织、施工安全质量方案编制人方案编制及方案实施中的技术工作专职安全员安全质量检查吊装指挥试吊和正式吊装作业指挥作业层吊车司机吊车操作起重工岗位作业7•质量及HSE管理措施7.1质量管理措施5根据方案向吊装施工人员做详细技术交底,使他们熟悉方案,并能严格按方案进行施工。吊装前对吊装带认真检查、维护,确保其性能良好。设立吊装警戒区,起重施工人员到位,与吊装无关人员不得进入警戒区。吊索经护角保护,不与尖锐棱角接触。施工过程中一人总指挥,多人监控。实行吊装令签发制度,吊装令上的全部人员各自完成自己职责范围内的检查,各有关人员签字确认后方可起吊。设备吊装就位时以点动为主。吊装场地必须平整夯...

1、当您付费下载文档后,您只拥有了使用权限,并不意味着购买了版权,文档只能用于自身使用,不得用于其他商业用途(如 [转卖]进行直接盈利或[编辑后售卖]进行间接盈利)。
2、本站所有内容均由合作方或网友上传,本站不对文档的完整性、权威性及其观点立场正确性做任何保证或承诺!文档内容仅供研究参考,付费前请自行鉴别。
3、如文档内容存在违规,或者侵犯商业秘密、侵犯著作权等,请点击“违规举报”。

碎片内容

桥式起重机吊装施工方案

确认删除?
VIP
微信客服
  • 扫码咨询
会员Q群
  • 会员专属群点击这里加入QQ群
客服邮箱
回到顶部