电脑桌面
添加小米粒文库到电脑桌面
安装后可以在桌面快捷访问

第10章电气设备的维修5VIP免费

第10章电气设备的维修5_第1页
1/21
第10章电气设备的维修5_第2页
2/21
第10章电气设备的维修5_第3页
3/21
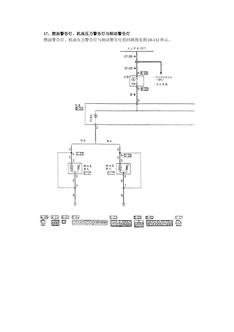
17、燃油警告灯、机油压力警告灯与制动警告灯燃油警告灯、机油压力警告灯与制动警告灯的回路图见图10-112所示。图10-112燃油警告灯、机油压力警告灯与制动警告灯回路图点火开关在ON位置时,当燃油的液面下降造成燃油液面传感器暴露出来,则燃油液面传感器的电阻变小。当电阻下降至预设值下时,燃油警告灯将会亮起,以警告驾驶残存的油量已不多。当发动机起动后润滑系统因故障失效,造成机油压力无法升至正常值时,则机油压力开关将会置于ON而使机油压力警告灯亮起。当点火开关在ON位置时制动油液面高度下降至预设值以上,而触动制动油液面高度开关导通,另外手制动开关导通时,会使制动警告灯亮起。燃油警告灯不会亮,在拆下燃油表单元的接头,并将“3”号端子搭铁后,灯会亮,则检查燃油表单元。如果制动警告灯不亮,拉起手制动时,制动警告灯不会亮,则应检查手制动开关。18、中控锁系统不配备遥控中控锁的车型的中控锁系统的回路图见图10-113所示。配备遥控中控锁的车型中控锁系统的回路图见图10-114和图10-115所示图10-113中控锁系统回路图(不带遥控中控锁车型)图10-114中控锁系统回路图(配备遥控中控锁车型)(一)图10-115中控锁系统回路图(配备遥控中控锁车型)(二)图10-116中控锁系统回路图(配备遥控中控锁车型)(二)19、电动窗厢式车电动窗的回路图见图10-117所示。当点火开关在ON位置,按下电动窗(主或副)开关(上升或下降),电流经由(6)号易熔丝流至电动窗电机。如此会使电动窗电机运转,开启或关闭车窗玻璃。当电动窗主开关(驾驶侧的开关)按下按到底,它将会被固定在压下的位置,且电动窗电机会作用直到车窗完全打开为止。电动窗电机装有一回路断电器,以保护电机避免因电流过大而损坏。如果所有车窗均无法开启或关闭,应检查(6)号易熔丝、(6)号通用保险丝、电动窗继电器和电动窗主开关。如果某些车窗无法开启或关闭,且电动窗主、副开关皆无法作用,应检查电动窗主开关以及检查无法作用的电动窗电机。如果只是电动窗主或副开关之一不可作用,则应检查无法作用的电动窗开关。如果单触下降开关不起作用,更换电动窗主开关。图10-117电动窗回路图20、暖气与冷气暖气与冷气的回路图见图10-118、图10-119、图10-120所示。图10-118暖气与冷气回路图(一)图10-119暖气与冷气回路图(二)图10-120暖气与冷气回路图(三)21、挡风玻璃雨刷与喷水器挡风玻璃雨刷与喷水器的回路图见图10-121所示。在点火开关位于ACC或ON时,将雨刷开关转到LO位置,雨刷会持续以低速动作。将雨刷开关转到HI位置时,雨刷会以高速动作。当雨刷开关置于OFF位置时,雨刷电机的凸轮接点会使电流流经自动雨刷停止回路,而使雨刷可在到达停止位置前仍能摆动。在点火开关置于ACC或ON时,当雨刷开关置于INT位置,间歇雨刷继电器会作用而使间歇雨刷继电器接点重复的关闭与开启。当接点闭合时,雨刷电机会运转。当雨刷电机作用,继电器接点开启时,凸轮接点仍然会保持雨刷电机动作状态,直到雨刷回到它的停止位置。当喷水器开关位于ON位置时,间歇雨刷继电器接点会闭合,使雨刷摆动二到三次。如果雨刷不动作,用喷水器也不动作,应检查(1)号通用保险丝以及搭铁。如果雨刷仅在低速(或高速)时不动作,应检查雨刷开关。如果雨刷不停止,应检查雨刷电机、间歇雨刷继电器和雨刷开关。如果雨刷间歇刮水不起作用,应检查间歇雨刷继电器。如果喷水器不起作用,拨动喷水器时雨刷可动作,则检查喷水器电机;拨动喷水器时雨刷也不动作,则检查喷水器开关。如果拨动喷水器时雨刷不作用,检查间歇雨刷继电器。图10-121挡风玻璃雨刷与喷水器回路图22、后雨刷与喷水器后雨刷与喷水器的回路图见图10-122所示。在点火开关置于ACC或ON位置时,当后雨刷开关转到“I”位置,雨刷会持续以低速动作。当后雨刷开关转到“OFF”位置时,雨刷电机的凸轮接点会使电流流经自动雨刷停止回路,而使雨刷可在到达停止位置前仍能摆动。在后雨刷动作时,将开关转到“WASH”位置,则在雨刷动作时喷水器电机也会动作。如果雨刷不作动,同时喷水器也不动作,应检查(1)号通用保险丝、搭铁以及雨刷开关。如果雨刷不能停止...

1、当您付费下载文档后,您只拥有了使用权限,并不意味着购买了版权,文档只能用于自身使用,不得用于其他商业用途(如 [转卖]进行直接盈利或[编辑后售卖]进行间接盈利)。
2、本站所有内容均由合作方或网友上传,本站不对文档的完整性、权威性及其观点立场正确性做任何保证或承诺!文档内容仅供研究参考,付费前请自行鉴别。
3、如文档内容存在违规,或者侵犯商业秘密、侵犯著作权等,请点击“违规举报”。

碎片内容

第10章电气设备的维修5

确认删除?
VIP
微信客服
  • 扫码咨询
会员Q群
  • 会员专属群点击这里加入QQ群
客服邮箱
回到顶部