电脑桌面
添加小米粒文库到电脑桌面
安装后可以在桌面快捷访问

机电传动控制复习题-设计题-河南工业大学VIP免费

机电传动控制复习题-设计题-河南工业大学_第1页
1/26
机电传动控制复习题-设计题-河南工业大学_第2页
2/26
机电传动控制复习题-设计题-河南工业大学_第3页
3/26
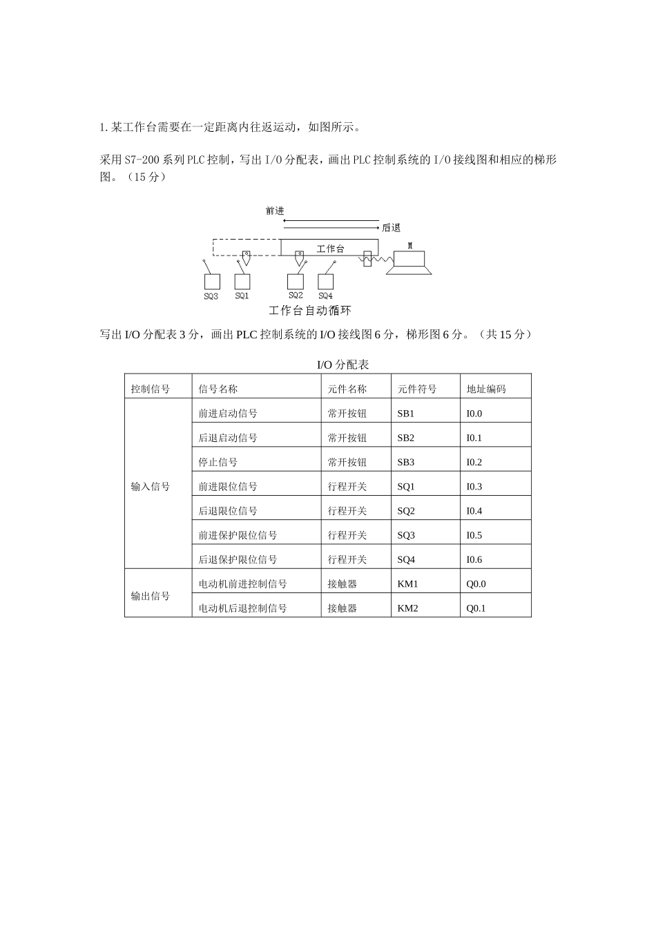
1.设计一个三相异步电动机正—反—停的主电路和控制电路,并具有短路、过载保护。说明其工作原理。2.采用PLC控制两台三相异步电动机M1、M2的运行,要求M1、M2可分别起动和停止,也可实现同时起动和停止,并具有短路、过载保护。请画出主电路、PLC接线图、PLC梯形图。3.某机床主轴工作和润滑泵各由一台电机控制,要求主轴电机必须在润滑泵电机运行后才能运行,主轴电机能正反转,并能单独停机,有短路、过载保护。试采用PLC控制,请画出主电路、PLC接线图、PLC梯形图。4.一台小车由一台三相异步电动机拖动,动作顺序如下:1)小车由原位开始前进,到终点后自动停止。2)在终点停留20s后自动返回原位并停止。要求在前进或后退途中,任意位置都能停止或起动,并具有短路、过载保护,设计主电路和控制电路。说明其设计思想。5.设计一个PLC控制的三相异步电动机正反转控制线路。请画出主电路、PLC接线图、PLC梯形图。(有必要的保护措施)。6.某机床有两台三相异步电动机,要求第一台电机起动运行5s后,第二台电机自行起动,第二台电机运行10s后,两台电机停止;两台电机都具有短路、过载保护,设计主电路和控制电路。说明其设计思想。7.某机床主轴工作和润滑泵各由一台电机控制,要求主轴电机必须在润滑泵电机运行后才能运行,主轴电机能正反转,并能单独停机,有短路、过载保护,设计主电路和控制电路。8.设计两台三相异步电动机M1、M2的主电路和控制电路,要求M1、M2可分别起动和停止,也可实现同时起动和停止,并具有短路、过载保护。9.用PLC控制一个工作台运行,其动作程序为:工作台由原位开始前进,到终端后自动停止;在终端停留2min后自动返回原位停止;要求能在前进或后退途中任意位置都能停止或再次起动;电网停电后再来电工作台不会自行运动。10.某机床有两台三相异步电动机,要求第一台电机起动运行5s后,第二台电机自行起动,第二台电机运行10s后,两台电机停止;两台电机都具有短路、过载保护。试采用PLC控制,请画出主电路、PLC接线图、PLC梯形图。11.两台电机要求能同时启动和同时停止,并能分别启动和分别停止。两台电机都具有短路、过载保护。试采用PLC控制,请画出主电路、PLC接线图、PLC梯形图。12.两台电机要求能同时启动和同时停止,并能分别启动和分别停止。两台电机都具有短路、过载保护。试采用继电器接触器控制,请画出主电路、控制电路。1.某工作台需要在一定距离内往返运动,如图所示。采用S7-200系列PLC控制,写出I/O分配表,画出PLC控制系统的I/O接线图和相应的梯形图。(15分)写出I/O分配表3分,画出PLC控制系统的I/O接线图6分,梯形图6分。(共15分)I/O分配表控制信号信号名称元件名称元件符号地址编码输入信号前进启动信号常开按钮SB1I0.0后退启动信号常开按钮SB2I0.1停止信号常开按钮SB3I0.2前进限位信号行程开关SQ1I0.3后退限位信号行程开关SQ2I0.4前进保护限位信号行程开关SQ3I0.5后退保护限位信号行程开关SQ4I0.6输出信号电动机前进控制信号接触器KM1Q0.0电动机后退控制信号接触器KM2Q0.1PLC控制系统的I/O接线图梯形图1.某工作台需要在一定距离内往返运动,如图所示。采用S7-200系列PLC控制,写出I/O分配表,画出PLC控制系统的I/O接线图和相应的梯形图。(15分)下面每答对一个给1分,总计4分利用熔断器FU1实现短路保护(1分)利用热继电器FR实现过载保护(1分)利用接触器KM1、KM2实现欠压、失压保护(1分)利用接触器KM1、KM2的常闭触点实现联锁保护(1分)(2)PLC控制I/O分配表2分,I/O接线图3分,梯形图程序5分I/O分配表控制信号信号名称元件名称元件符号地址编码输入信号正向起动信号常开按钮SB1I0.0反向起动信号常开按钮SB2I0.1停止信号常开按钮SB3I0.2左行程限位信号常开触点SQ1I0.3右行程限位信号常开触点SQ2I0.4左行程保护信号常开触点SQ3I0.5左行程保护信号常开触点SQ4I0.6输出信号前进控制接触器KM1Q0.0后退控制接触器KM2Q0.13.在机床电气控制中,点动控制多用于机床刀架、横梁、立柱等快速移动和机床对刀等场合,试画出实现点动的3种常见控制线路。(8分)某三相笼型异步电动机要求单向运转,快速停车。试设计继电接触器控制线路(...

1、当您付费下载文档后,您只拥有了使用权限,并不意味着购买了版权,文档只能用于自身使用,不得用于其他商业用途(如 [转卖]进行直接盈利或[编辑后售卖]进行间接盈利)。
2、本站所有内容均由合作方或网友上传,本站不对文档的完整性、权威性及其观点立场正确性做任何保证或承诺!文档内容仅供研究参考,付费前请自行鉴别。
3、如文档内容存在违规,或者侵犯商业秘密、侵犯著作权等,请点击“违规举报”。

碎片内容

机电传动控制复习题-设计题-河南工业大学

确认删除?
VIP
微信客服
  • 扫码咨询
会员Q群
  • 会员专属群点击这里加入QQ群
客服邮箱
回到顶部