电脑桌面
添加小米粒文库到电脑桌面
安装后可以在桌面快捷访问

建筑工程及综合评定资料(土建)VIP免费

建筑工程及综合评定资料(土建)_第1页
1/114
建筑工程及综合评定资料(土建)_第2页
2/114
建筑工程及综合评定资料(土建)_第3页
3/114
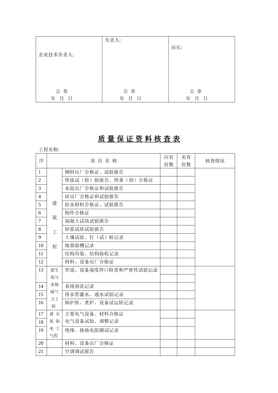
工程概况项目批准文件建筑面积建设单位工程名称监理单位资质等级设计单位资质等级施工单位资质等级结构类别层数开工日期竣工日期监理单位负责人总监理工程师建设单位负责人驻工地代表施工单位负责人技术负责人质量等级结构及装修概况基础主体结构屋面楼、地面门窗外装饰内装饰水、暖、卫电气附注:复核人:填表人:单位工程质量综合评(核)定表工程名称:施工单位:开工日期:年月日建筑面积:结构类型:竣工日期:年月日项次项目评定情况核定情况1分评部定工汇程总共分部其中:优良分部优良率%主体分部质量等级装饰分部质量等级安装评分分部质量等2质量保证资料共核查项其中:符合要求项经鉴定符合要求项3观感评定应得分实得分得分率%企业评定等级:企业经理:建设(监理)单位意见:工程质量监督站核定结果:企业技术负责人:公章年月日负责人:公章年月日站长:公章年月日质量保证资料核查表工程名称:序项目名称应有份数实有份数核查情况1建筑工程钢材出厂合格证、试验报告2焊接试(检)验报告、焊条(剂)合格证3水泥出厂合格证和试验报告4砖出厂合格证和试验报告5防水材料合格证、试验报告6构件合格证7混凝土试块试验报告8砂浆试块试验报告9土壤试验、打(试)桩记录10地基验槽记录11结构吊装、结构验收记录12材料、设备出厂合格证13建生筑与采煤暖气卫工程管道、设备强度焊口检查和严密性试验记录14系统清洗记录15排水管灌水、通水试验记录16锅炉烘、煮炉、设备试运转记录17建安筑装电工气程主要电气设备、材料合格证电气设备试验、调整记录1819绝缘、接地电阻测试记录20材料、设备出厂合格证21空调调试报告22制冷管道试验记录23绝缘、接地电阻测试记录24空、满、超载运行记录25调整、试验报告核查结果:企业技术部门公章负责人年月日建设(监理)单位负责人年月日单位工程观感质量评定表工程名称:序号项目名称标准分评定等级备注一级100%二级90%三级80%四级70%五级01建筑工程室外墙面102室外大角23外墙面横竖线角34散水、台阶、明沟25滴水槽(线)16变形缝、水落管27屋面坡向(度)28屋面防水层39屋面细部310屋面保护层111室内顶棚4/512室内墙面1013地面与楼面1014楼梯、踏步215厕浴、阳台泛水216抽气、垃圾道217细木、护栏2/418门安装419窗安装420玻璃221油漆4/6单位工程观感质量评定表工程名称:序号项目名称标准分评定等级备注一级100%二级90%三级80%四级70%五级022室给排内水管道坡度、接口、支架、管件23卫生器具、支架阀门、配件24检查口、扫除口、地漏25室采内暖管道坡度、接口、支架、弯管26散热器及支架27伸缩器、膨胀水箱28室煤内气管道坡度、接口、支架29煤气管与其它管距离30煤气表、阀门31室电气安内装线路敷设32配线箱(盘、板)33照明器具34开关、插座35防雷、动力36通风风管、支架37风口、风阀、罩空调38风机39风管、支架40风口、风阀41空气自理室、机组42电梯运行、平层、开关门43层门、信号系统44机房合计应得分,实得分,得分率%检查人员:年月日钢材合格证、试验报告汇总表序号钢材名称规格品种生产厂家进场数量合格证编号复试报告日期主要使用部位及有着说明复核人:填表人:焊接试验报告(焊条合格证)汇总表序号试验报告编号及日期焊条品种焊条生产厂家主要使用部位及有关说明复核人:填表人:收集提要:1、工程上使用的电焊条、焊丝和焊剂,必须有出厂合格证。2、需烘焙的,要有烘焙记录。3、焊接检验应按焊接规程取样,试验(检验)报告应写明焊工姓名及焊工的合格证编号。4、钢结构的一、二级焊缝,即承受拉力或压力且要求与母材有同等强度的焊缝,必须有超声波检验报告,一级焊缝还应有X射线探伤检验报告。1基土必须均匀密实,填料的土质、23水泥出厂合格证、试验报告汇总表序号水泥品种及标号合格证编号生产厂家进场数量进场日期复试报告编号报告日期主要使用部位及有关说明复核人:填表人:收集提要:1、工程所用水泥必须有出厂合格证和试验报告,每批量对应装订。2、合格证为抄件时,抄件除注明合格证上所有指标外,还应注明原件存放单位、原件编号、抄件单位(盖章)、抄件人(签字)。单位工程竣工验收证明书工程名称:验收日期:年月日建设单位监...

1、当您付费下载文档后,您只拥有了使用权限,并不意味着购买了版权,文档只能用于自身使用,不得用于其他商业用途(如 [转卖]进行直接盈利或[编辑后售卖]进行间接盈利)。
2、本站所有内容均由合作方或网友上传,本站不对文档的完整性、权威性及其观点立场正确性做任何保证或承诺!文档内容仅供研究参考,付费前请自行鉴别。
3、如文档内容存在违规,或者侵犯商业秘密、侵犯著作权等,请点击“违规举报”。

碎片内容

建筑工程及综合评定资料(土建)

您可能关注的文档

确认删除?
VIP
微信客服
  • 扫码咨询
会员Q群
  • 会员专属群点击这里加入QQ群
客服邮箱
回到顶部