电脑桌面
添加小米粒文库到电脑桌面
安装后可以在桌面快捷访问

高压旋喷桩首件总结-111VIP免费

高压旋喷桩首件总结-111_第1页
1/7
高压旋喷桩首件总结-111_第2页
2/7
高压旋喷桩首件总结-111_第3页
3/7
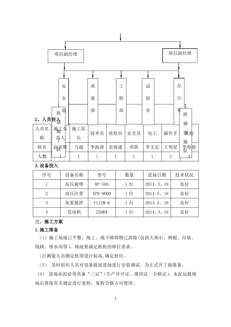
一、工程简介1).工程概况本标段为蓟汕高速公路(津滨高速~津晋高速)工程第二标段,起点桩号:K23+633;终点桩号:K25+972.514,其中津塘二线分离式立交位于天津市东丽区,起讫桩号:K24+956。494~K25+971.401,桥梁长度:1014.907m,面积:42821。9m2;津塘二线分离式立交主线桥梁按左右两幅桥设计,桥面标准宽度为20.25m,受二线车道影响主桥桥宽变宽,由20.25m变宽到27m。上部结构形式为:预应力25m~30m为简支连续小箱梁,预应力23。5~51m为现浇连续箱梁,预应力20m为简支空心板梁.跨越的主要道路为津塘二线公路其里程桩号为K7+000~K7+300,跨越的河流为东河。我标段高压旋喷桩施工作业任务总共:56312m.并在K24+935。164~K24+955。164进行了高压旋喷桩的首件施工作业。高压旋喷桩桩径0.6m,桥头处采用横向桩间距1.6m,纵向间距1.38m,桩长分别为12m、14m、16m,单桩承载力分别为300KN、350KN、400KN。3)。编制依据(1)、国家颁布及天津市有关施工规程、设计规范、质量检验及验收标准和法规性文件及业主制定的有关规定。(2)、招标文件和设计图纸及勘察资料。(3)、《公路路基施工技术规范》(JTGF10-2006);《公路工程技术标准》(JTGB01—2003);《软土地基深层搅拌加固法技术规程》(YBJ225—91)二、施工组织安排1。组织机构由项目经理和项目副经理、总工程师、各部分管理人员参与组成的施工组织机构是本工程施工管理的最高领导机构,领导和组织实施、兑现本工程各项管理目标.项目施工组织机构框图如下。施工组织机构框图如下:项目总工1项目经理安全量程验公质工试办项目副经理项目副经理室部部室部软附2。人员投入基属人员名施工负施工队施技术员质检员安全员电工操作手设其他称责人长工施姓名赵亚辉马超李海涛史海建邓凯李文宏王明星李海涛队队人数111112313.设备投入序号1234三、施工方案1.施工准备(1)施工场地已平整,地上、地下障碍物已清除(包括大块石、树根、垃圾、线路、排水沟等),场地要满足桩机的移位需求。(2)测量人员测定桩顶设计标高,确定桩位。(3)及时组织人员对设备提前进场进行安装调试,为正式开工做准备。(4)进场水泥必须具备“三证”(生产许可证、准用证、合格证)。水泥运抵现场后要按有关规定进行复检,复检合格方可使用。2设备名称高压旋喷高压注浆灰浆搅拌发电机型号HP-50AXPR-9000Y112M-6250KW数量1台1台1台1台进场日期2014。5。182014.5。182014.5。182014。5。18技术状况良好良好良好良好(5)技术人员按设计要求及现场施工条件向各机组进行技术、作业流程工序、质量标准和安全生产交底并做好记录。2。试验段场地(1)。选取K24+935.164~K24+955.164津塘二线分离式立交桥桥头处理范围内进行高压旋喷桩的首件施工作业。(2).设计情况:此位置高压旋喷桩设计桩径0。6m,桩长16m,横向桩距1。6m,纵向桩距1。38m。(3).施工质量要求:a.所用水泥品种、规格为普通硅酸盐水泥(水泥强度等级≧42。5MPa)其性能必须符合《通用硅酸盐水泥》(GB175—2007)的要求。b.每延米水泥掺入量不小于220Kg。c.高压旋喷桩的桩身质量、完整性、承载力值应满足设计要求.(4).工艺试验桩计划施做3根,以检验机具性能及施工工艺中的各项技术参数,几种包括最佳灰浆稠度、工作压力、钻进和提升速度等。喷口直径为2。4mm,水灰比选用1:1;工作压力20~25MPa;提升速度应小于25cm/min,桩顶部1。0范围提升速度应小于20cm/min,转速应小于20r/min。(6)。本次试桩按水泥用量分为两组:第一组:1—11—21-3水泥用量:220Kg/m、水灰比:1:1;3.施工工艺1)。施工工艺流程回灌孔内保持满浆浆液配制泵送高喷作业钻进成孔试喷检查观察高喷参数引孔钻机就位开孔检查测放桩位32)。施工工艺图为单管施工方法示意图,搬迁(1)成孔钻机就位:将钻机平稳安装在设计点位,钻杆轴线垂直对准钻孔中心线。(2)钻孔:一般使用地质钻机成孔。钻孔过程中应详细测量并记录实际孔位、孔深及地层变化情况。若地层中硬杂物较多,可采用合金钻进成孔.(3)喷射作业喷射钻具于孔底空转并开始送浆,半分钟后边旋转提升,同时高压射浆进行切土搅拌混合,直至钻具喷射注浆到设计标高。为保证成桩质量,必须...

1、当您付费下载文档后,您只拥有了使用权限,并不意味着购买了版权,文档只能用于自身使用,不得用于其他商业用途(如 [转卖]进行直接盈利或[编辑后售卖]进行间接盈利)。
2、本站所有内容均由合作方或网友上传,本站不对文档的完整性、权威性及其观点立场正确性做任何保证或承诺!文档内容仅供研究参考,付费前请自行鉴别。
3、如文档内容存在违规,或者侵犯商业秘密、侵犯著作权等,请点击“违规举报”。

碎片内容

高压旋喷桩首件总结-111

您可能关注的文档

确认删除?
VIP
微信客服
  • 扫码咨询
会员Q群
  • 会员专属群点击这里加入QQ群
客服邮箱
回到顶部