电脑桌面
添加小米粒文库到电脑桌面
安装后可以在桌面快捷访问

提高汽车坡道弧形墙的砼成型质量VIP免费

提高汽车坡道弧形墙的砼成型质量_第1页
1/9
提高汽车坡道弧形墙的砼成型质量_第2页
2/9
提高汽车坡道弧形墙的砼成型质量_第3页
3/9
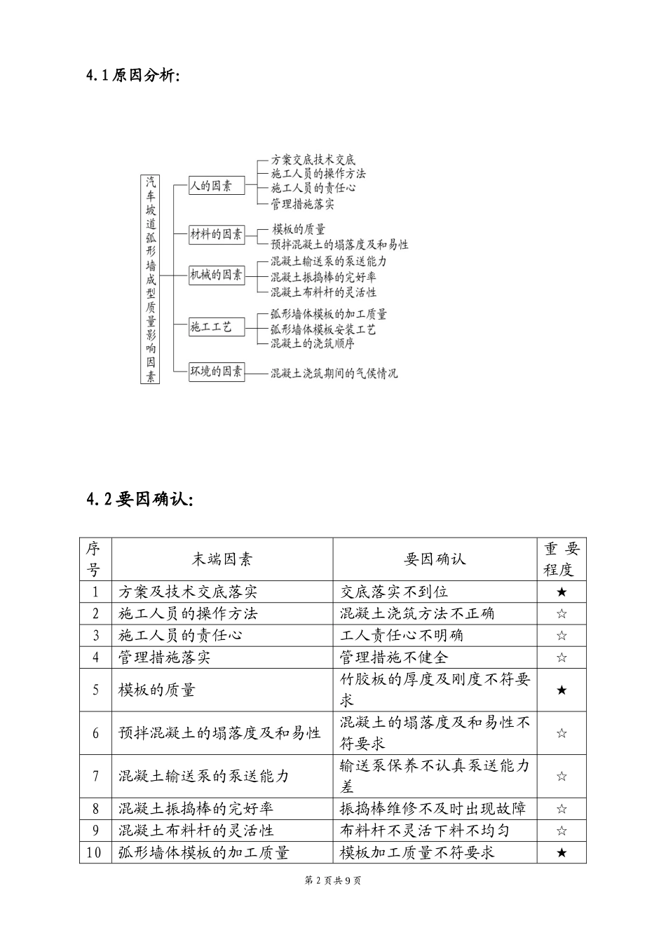
提高坡道弧形墙混凝土成型质量目录1.【小组概况】.................................................................................02.【选题理由】.................................................................................13.【活动目标】.................................................................................14.【活动情况】.................................................................................14.1原因分析:......................................................................................24.2要因确认:......................................................................................24.3对策表:........................................................................................34.4实施情况:......................................................................................35.【措施验证】.................................................................................56.【效果评价】.................................................................................76.1汽车坡道一次浇筑成功...................................................................76.2市场效益.........................................................................................76.3经济效益.........................................................................................77.【今后设想】.................................................................................71.【小组概况】本小组在本工程施工过程中,根据本工程地下室施工中汽车坡道弧形墙的施工难点开展了QC小组活动。在本工程汽车坡道弧形墙混凝土成型质量的QC小组活动中,小组根据工程施工进展情况针对出现的问题开展活动。2.【选题理由】2.1本工程地下五层地上十八层,总建筑面积为131377.55m2。地下部分为车库,进出车库是内径7.3m外径11.9m的环形坡道,同时又是本工程进出地下室的主要通道,它是本工程地下部分的主要亮点之一。2.1.1环形坡道要求弧形墙体与坡道顶板及坡道顶板上部墙体一起施工,弧形墙体模板的弧度要达到设计要求施工难度较大。2.1.2汽车坡道的混凝土有四种不同的强度等级其浇筑有一定难度。内墙是C30普通混凝土,外墙是C30P10抗渗混凝土,坡道顶板是C40普通混凝土,与墙体相连的框架柱是C60高强混凝土2.1.3在坡道顶板上部两侧墙体模为悬空模板,混凝土浇筑时不注意非常容易造成烂根胀模等质量通病。2.2本工程地处北京市东长安街,地理位置重要。本工程的质量目标是结构“长城杯”要求混凝土的成型质量达到清水混凝土标准,竣工争创鲁班奖。3.【活动目标】本小组通过对曾经施工的中国社会科学院图书馆及金晖家园等工程的汽车环形坡道弧形墙的调查:发现弧形墙体的弧度不太理想,圆弧半径误差较大最大值达到10mm左右,墙体表面达不到清水混凝土的要求,混凝土允许偏差项目合格率达到85%。所以本小组要求通过活动使本工程的汽车坡道墙体弧度符合设计要求,墙体成型质量达到清水混凝土的要求,弧形墙体成型后圆弧半径最大误差为5mm,消除混凝土的质量通病如:烂根、麻面等缺陷。混凝土允许偏差项目合格率达到95%以上。4.【活动情况】第1页共9页4.1原因分析:4.2要因确认:序号末端因素要因确认重要程度1方案及技术交底落实交底落实不到位★2施工人员的操作方法混凝土浇筑方法不正确☆3施工人员的责任心工人责任心不明确☆4管理措施落实管理措施不健全☆5模板的质量竹胶板的厚度及刚度不符要求★6预拌混凝土的塌落度及和易性混凝土的塌落度及和易性不符要求☆7混凝土输送泵的泵送能力输送泵保养不认真泵送能力差☆8混凝土振捣棒的完好率振捣棒维修不及时出现故障☆9混凝土布料杆的灵活性布料杆不灵活下料不均匀☆10弧形墙体模板的加工质量模板加工质量不符要求★第2页共9页11弧形墙体模板的施工工艺模板安装及加固不符要求★12混凝土的浇筑顺序混凝土浇筑顺序错误★1...

1、当您付费下载文档后,您只拥有了使用权限,并不意味着购买了版权,文档只能用于自身使用,不得用于其他商业用途(如 [转卖]进行直接盈利或[编辑后售卖]进行间接盈利)。
2、本站所有内容均由合作方或网友上传,本站不对文档的完整性、权威性及其观点立场正确性做任何保证或承诺!文档内容仅供研究参考,付费前请自行鉴别。
3、如文档内容存在违规,或者侵犯商业秘密、侵犯著作权等,请点击“违规举报”。

碎片内容

提高汽车坡道弧形墙的砼成型质量

您可能关注的文档

文泉书屋+ 关注
实名认证
内容提供者

热爱教学事业,对互联网知识分享很感兴趣

确认删除?
VIP
微信客服
  • 扫码咨询
会员Q群
  • 会员专属群点击这里加入QQ群
客服邮箱
回到顶部