电脑桌面
添加小米粒文库到电脑桌面
安装后可以在桌面快捷访问

外墙真石漆技术交底VIP免费

外墙真石漆技术交底_第1页
1/6
外墙真石漆技术交底_第2页
2/6
外墙真石漆技术交底_第3页
3/6
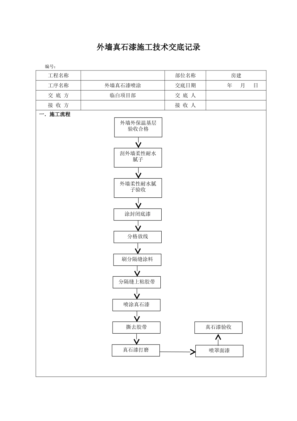
外墙真石漆施工技术交底记录编号:工程名称部位名称房建工序名称外墙真石漆喷涂交底日期年月日交底方临白项目部交底人接收方接收人一.施工流程外墙外保温基层验收合格分格放线刮外墙柔性耐水腻子刷分隔缝涂料外墙柔性耐水腻子验收喷罩面漆分隔缝上粘胶带涂封闭底漆喷涂真石漆撕去胶带真石漆打磨真石漆验收二.施工准备(一)机具准备:空压机:功率为5kw以上,气量充足,压力为0.5~1.0MPa的空气压缩机,带3根气管,能够满足3个人以上同时施工,能够自控控制压力。喷枪:下壶喷枪,容量500ml,口径1.3mm以上,容量不能太大,操作不便,口径太小,施工速度慢,不宜大面积施工。(各种口径的喷嘴:4mm、5mm、6mm、8mm等口径越小,喷涂越平整均匀;口径大,花点越大,凹凸感越强。)橡胶管:氧气管,直径8mm。其它工具材料:毛刷、滚筒、铲刀、刮板、电动搅拌器、塑料布、纤维板、胶带(美纹纸)、塑料桶(二)作业条件准备:1)施工前应充分了解天气变化情况,做好防护准备:(1)气温应在5摄氏度以上(2)下雨后不能施工,且湿度不大于85%(3)施工后6小时内如下雨应采取遮盖措施(4)风速不大于3级。2)外窗窗框、玻璃等成品保护措施已经完成。3)外墙雨水管道预埋件已经安装完成,已安装的预埋件已经拆除。4)外墙外保温及抗裂砂浆施工完成并验收合格。5)施工操作架安全可靠,验收合格,可以使用。6)雨落管支架预埋件已经安装完成。三.操作工艺1、外墙外保温基层验收合格:外墙外保温基层已经施工完成,抗裂砂浆外墙表面平整、结实、牢固、无鼓起、无开裂等现行并且经过项目部施工员、质量员及监理工程师验收合格。对于一次验收不合格的部位,要进行返修处理并验收合格后方可进行下一道工序施工。2、刮柔性耐水外墙腻子1)根据整体墙面要求,须用靠尺竖向、横向检查阴阳角的垂直及平直度,并弹墨线标记,尤其外墙窗台、挑檐及空调板等部位的墨线要提前做好,为外墙腻子施工提供依据。2)腻子应现场调配,搅拌均匀,呈牙膏状,调配后直一次用完。3)施工后至少12h内必须防止雨淋,酷热阳光照射及霜冻。4)施工温度在5-35度,空气相对湿度在75%为宜。5)施工时,用抹刀将腻子均匀的施涂于基面上,每道批涂厚度控制在0.5mm以内,试图1-2道,第二道应在第一道完全干固后方可批刮。用外墙腻子修补墙面时,用腻子或填逢胶填补大的孔洞和缝隙,待腻子干燥后,局部打磨找平。6)外墙腻子刮抹施工时,要横向竖向同步批刮,将基层整体平整度刮出来,刮板运行速度计用力要均衡,否则会形成斜坡状或波浪状,影响平整度。7)腻子干固后进行打磨,至表面无刮痕,平整为止,并清除浮灰,表面平整度偏差应控制在3mm以内,做到墙面平整,阴阳角顺直、方正。8)在批刮砂浆的过程中,会将少量浆料粘附堆积于非涂物表面,应及时挂掉,以免其干硬而难以处理。9)腻子层要充份养护,并保证腻子层干燥结实牢固。3、外墙柔性耐水腻子验收真石漆涂料施工前应对基层进行以下几个方面验收1)表面质量。一般抹灰工程观感质量、允许偏差应符合规范要求。凡基层有空鼓的应用机具切去后修补,如有裂缝、缺棱掉角、凹凸不平等质量缺陷,应用聚合物水泥腻子或其它等同腻子修补。2)基层含水率。基层含水率不应大于10%。一般情况下,夏季基层干燥14天,冬季干燥21天,含水率即可达到要求。基层含水率可用薄膜覆盖法粗略判断。3)酸碱度。PH值应小于10。基层碱性过大会影响涂料的粘结、起层及涂层变色等质量事故。其测定方法可用清水将棉花浸湿,然后按在待测基层上以吸收基层的碱分,几分钟后用PH试纸测定接触的棉花。4)除以上几点之外,基层还应无浮浆、灰尘、油污等。4、涂封闭底漆:1)外墙空调护栏、栏杆等防护设施骨架或预埋件全部安装完成。2)基层封底前对门窗,空调支架、雨落管支架等金属件部位进行必要的包裹和遮盖,待整体成品后去除,以防止污染和锈蚀;3)对基层表面处理后出现细部到大面积仔细检查,确认符合要求,检测基层含水率小于15%后,进行基层封墙底漆施工;4)腻子干透后,涂刷一遍抗碱漆,主要成分为苯乙烯-丙烯酸酯共聚物,。能有效保护中涂及面涂免受墙体内部化学物质的侵蚀。5)选用底...

1、当您付费下载文档后,您只拥有了使用权限,并不意味着购买了版权,文档只能用于自身使用,不得用于其他商业用途(如 [转卖]进行直接盈利或[编辑后售卖]进行间接盈利)。
2、本站所有内容均由合作方或网友上传,本站不对文档的完整性、权威性及其观点立场正确性做任何保证或承诺!文档内容仅供研究参考,付费前请自行鉴别。
3、如文档内容存在违规,或者侵犯商业秘密、侵犯著作权等,请点击“违规举报”。

碎片内容

外墙真石漆技术交底

文章天下+ 关注
实名认证
内容提供者

各种文档应有尽有

确认删除?
VIP
微信客服
  • 扫码咨询
会员Q群
  • 会员专属群点击这里加入QQ群
客服邮箱
回到顶部