电脑桌面
添加小米粒文库到电脑桌面
安装后可以在桌面快捷访问

潜孔锤引孔方案VIP免费

潜孔锤引孔方案_第1页
1/7
潜孔锤引孔方案_第2页
2/7
潜孔锤引孔方案_第3页
3/7
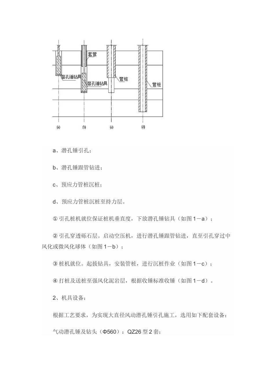
星河传奇花园1-02号地块桩基工程潜孔锤引孔沉桩施工方案根据地质勘查报告和现场踏勘情况,在星河传奇花园1-02地块预应力管桩施工在穿越砾质粘性土层时,部分区域会遇到中风化、微风化球体或夹层,引起断桩或打裂,难以沉入持力层,须采用采用大直径风动潜孔锤引孔技术穿越中风化、微风化球体或夹层。为此编制潜孔锤引孔专项方案。一、潜孔锤引孔沉桩工艺与参数分析(一)潜孔锤引孔沉桩工艺风动潜孔锤也称风动冲击器,大直径潜孔锤在空压机的作用下,以压缩空气为动力介质驱动其工作的,对硬岩进行高频率破碎冲击;在气动潜孔锤钻进过程中,高压空气驱动冲击器内的活塞作高频往复运动,并将该运动所产生的动能源源不断的传递到钻头上,使钻头获得一定的冲击功。钻头在该冲击功的作用下,连续的对孔底岩石施行冲击。岩石在该冲击功的作用下,形成体积破碎。同时,空压机产生的压缩空气也兼作洗井介质,将潜孔锤破碎的岩屑携出孔内。大直径潜孔锤在块石、孤石、中风化和微风化硬岩地层的钻探中,取得了良好的效果,满足预应力管桩的顺利成桩。大直径风动潜孔锤引孔工艺是将潜孔锤施工技术与预应力管桩引孔技术结合起来,以解决复杂地层的沉桩难题。本工程沉桩施工工艺流程如下图:a、潜孔锤引孔;b、潜孔锤跟管钻进;c、预应力管桩沉桩;d、预应力管桩沉桩至持力层。①引孔桩机就位保证桩机垂直度,下放潜孔锤钻具(如图1-a);②引孔穿透砾石层。启动空压机,进行潜孔锤跟管钻进,直至引孔穿过中风化或微风化球体(如图1-b);③桩机就位。起拔钻具,安装管桩,进行沉桩作业(如图1-c);④打桩及送桩至强风化泥岩层,根据收锤标准收锤(如图1-d)。2、机具设备:根据工艺要求,为实现大直径风动潜孔锤引孔施工,选用如下配套设备:气动潜孔锤及钻头(Φ560):QZ26型2套;30m³/min②英格索兰中风量空压机:2台;二)潜孔锤引孔技术参数分析目前,国内使用潜孔锤主要以300mm以下居多,大于300mm的钻孔属于大直径潜孔锤钻进范围。风动潜孔锤钻进工艺的主要参数有两个:风压和风量。这两个参数主要是满足两方面的要求:1、满足驱动冲击器碎岩功率的要求;2、满足将孔内岩屑排出井外,避免重复破碎。不同水文地质条件、钻孔结构、孔深孔径参数对风量、风压的需要是不同的,潜孔锤的参数可按下述方法选定:(1)风量。该项目所选冲击器的额定风量为30m³/min,随着孔深的增加和孔径的增大,保证孔底岩屑的排出,减少岩粉的重复破碎达到理想的钻进效率,通常要求孔内风量上返速度≥15m/s,此时气流速度大于岩屑悬浮速度。根据钻孔直径、钻杆外径、排渣通道上的上返风速等条件,其风量可按下式计算:Q=47.1K1K2(D2-d2)V式中:Q———送风量m³/min;K1———孔深修正系数K1=1~1.1;K2———孔内涌水系K2=1~1.5;D———钻孔直径;d———钻杆外径;V———上返风速(15~25m/s)。根据公式,孔口上返风速为15m/s,钻孔深度钻孔修正系数取K1=1.0,孔内涌水系数取K2=1.5;(2)风压。QZ26型潜孔锤属低压潜孔锤,所需风压是0.5~0.7MPa,然而钻进效率的高低是受风压直接影响的,风压越大,其冲击功越大,碎岩效率越高。因此完成大直径风动潜孔锤钻进,首先应满足冲击器工作压力的要求,使其满负荷工作,同时还需要满足随着钻孔深度增加带来的沿程压(0.0015MPa/m),克服水位以下的水柱压力和排除孔内岩屑的压差等要求。二、引孔施工中的主要技术问题处理(一)引孔风量不足应对措施:根据钻孔孔径要求及已选空压机风量,采用潜孔锤跟套管钻进工艺引孔。根据空压机满足的引孔直径能力和套管规格。经实际应用,潜孔锤跟套管钻进工艺解决了风量不足的问题,引孔施工过程中获得较理想的效果。(二)岩屑串孔应对措施:岩屑串孔是由于两桩引孔间距较小,在高压空气作用下,高压空气通过地层中的孔隙,钻孔与钻孔之间连通,导致高压空气压力降低。在预应力管桩潜孔锤引孔施工过程中,由于岩屑串孔问题的产生,导致引孔出口风量小于15m/s,无法达到排屑的目的,而使岩屑通过孔隙进入另一孔内,相邻孔内形成一定厚度的沉渣。经研究分析发现,孔内沉渣对预应力管桩沉桩影响较小,其原因...

1、当您付费下载文档后,您只拥有了使用权限,并不意味着购买了版权,文档只能用于自身使用,不得用于其他商业用途(如 [转卖]进行直接盈利或[编辑后售卖]进行间接盈利)。
2、本站所有内容均由合作方或网友上传,本站不对文档的完整性、权威性及其观点立场正确性做任何保证或承诺!文档内容仅供研究参考,付费前请自行鉴别。
3、如文档内容存在违规,或者侵犯商业秘密、侵犯著作权等,请点击“违规举报”。

碎片内容

潜孔锤引孔方案

您可能关注的文档

确认删除?
VIP
微信客服
  • 扫码咨询
会员Q群
  • 会员专属群点击这里加入QQ群
客服邮箱
回到顶部