电脑桌面
添加小米粒文库到电脑桌面
安装后可以在桌面快捷访问

外墙保温施工方案(最新版)VIP免费

外墙保温施工方案(最新版)_第1页
1/8
外墙保温施工方案(最新版)_第2页
2/8
外墙保温施工方案(最新版)_第3页
3/8
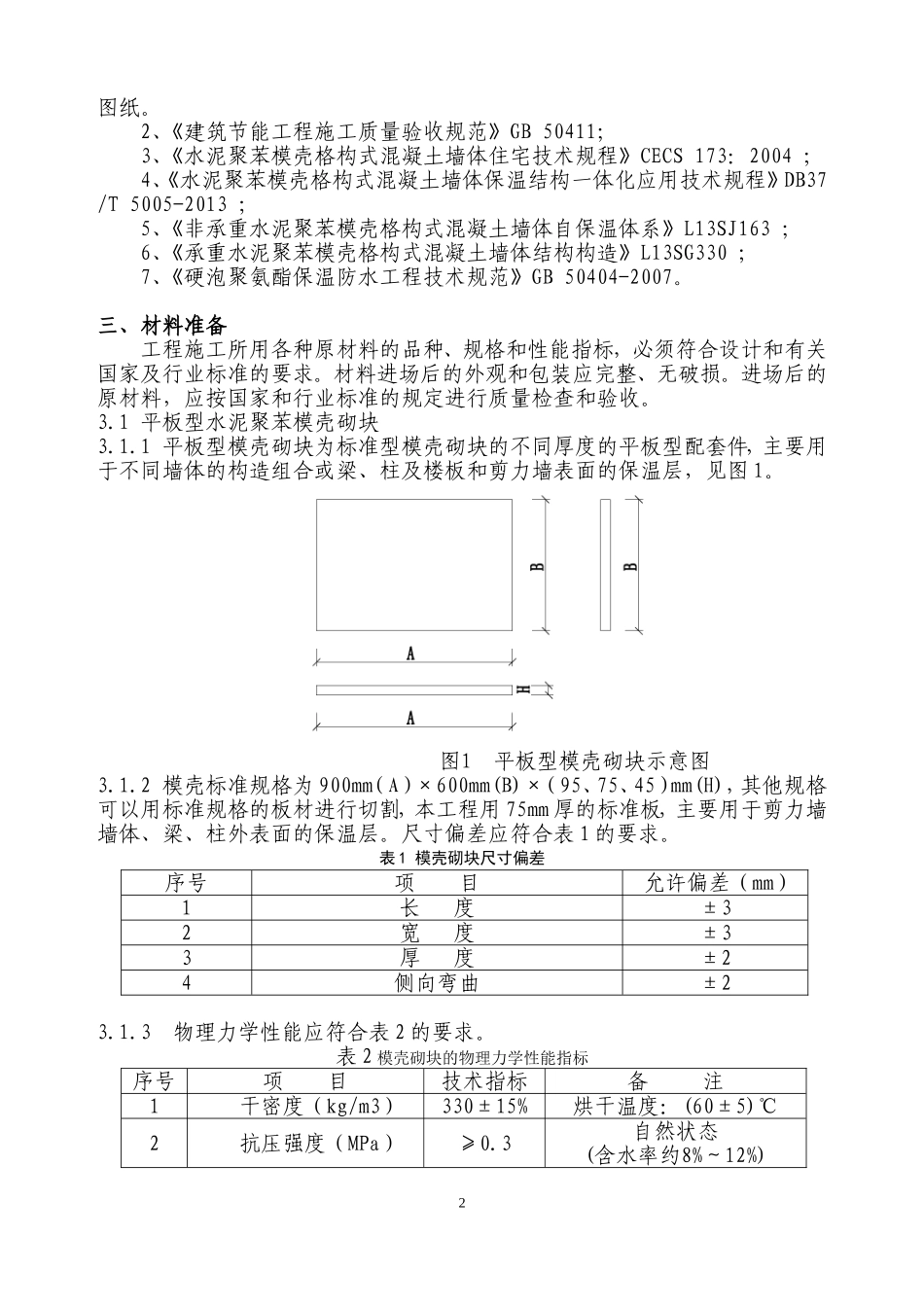
1正仁·松涛苑-中央公元外墙保温施工方案建设单位:龙口市金星房地产开发有限公司监理单位:龙口市工程建设监理中心有限公司编制单位:泸州第七建筑工程公司编制日期:年月日一、工程概况正仁·松涛苑—中央公元1#—10#楼、地下车库及商业A—J楼工程,由龙口市金星房地产开发有限公司开发,中国中建设计集团有限公司设计,泸州市第七建筑工程公司承建。位于山东省烟台龙口市南山路东与实验路南交叉路口东侧。工程建筑面积约22万平方米。本工程为钢筋混凝土框剪结构,基础为筏板式基础、基础梁。地下连体车库。结构使用年限为50年标准层高2.95m-3.3m,个别楼座为5.8m,外墙填充墙采用280厚水泥聚苯模壳格构式混凝土保温墙体(以下简称模壳墙体),本工程外墙保温采用75mm厚平板型模壳砌块。二、编制依据1、正仁·松涛苑-中央公元1#—10#楼、地下车库及商业A—J楼工程施工2图纸。2、《建筑节能工程施工质量验收规范》GB50411;3、《水泥聚苯模壳格构式混凝土墙体住宅技术规程》CECS173:2004;4、《水泥聚苯模壳格构式混凝土墙体保温结构一体化应用技术规程》DB37/T5005-2013;5、《非承重水泥聚苯模壳格构式混凝土墙体自保温体系》L13SJ163;6、《承重水泥聚苯模壳格构式混凝土墙体结构构造》L13SG330;7、《硬泡聚氨酯保温防水工程技术规范》GB50404-2007。三、材料准备工程施工所用各种原材料的品种、规格和性能指标,必须符合设计和有关国家及行业标准的要求。材料进场后的外观和包装应完整、无破损。进场后的原材料,应按国家和行业标准的规定进行质量检查和验收。3.1平板型水泥聚苯模壳砌块3.1.1平板型模壳砌块为标准型模壳砌块的不同厚度的平板型配套件,主要用于不同墙体的构造组合或梁、柱及楼板和剪力墙表面的保温层,见图1。图1平板型模壳砌块示意图3.1.2模壳标准规格为900mm(A)×600mm(B)×(95、75、45)mm(H),其他规格可以用标准规格的板材进行切割,本工程用75mm厚的标准板,主要用于剪力墙墙体、梁、柱外表面的保温层。尺寸偏差应符合表1的要求。表1模壳砌块尺寸偏差序号项目允许偏差(mm)1长度±32宽度±33厚度±24侧向弯曲±23.1.3物理力学性能应符合表2的要求。表2模壳砌块的物理力学性能指标序号项目技术指标备注1干密度(kg/m3)330±15%烘干温度:(60±5)℃2抗压强度(MPa)≥0.3自然状态(含水率约8%~12%)33体积吸水率(%)≤204软化系数≥0.75养护28d5抗冻性质量损失(%)≤5-20~+20℃冻融循环25次抗压强度损失(%)≤256导热系数(W/(m·K))≤0.083干态常温(25℃)3.1.4外观质量应符合表3规定。表3模壳砌块外观质量序号项目要求1缺棱(长不小于50mm,深不小于10mm)不超过3处2掉角(不小于50mm×50mm)不超过3处3凸凹、缺损≤5mm3.2胶粘剂瓶装管式或枪式聚氨酯发泡胶,主要用于模壳砌块与墙体表面和模壳砌块之间的粘结,并符合相关标准的规定。3.3界面砂浆(界面剂)用以改善混凝土基层墙体表面粘结性能的聚合物砂浆,相关技术指标应符合JC/T907的规定。3.4聚合物水泥抗裂砂浆以高分子聚合物、水泥、砂为主要材料配制而成的具有良好抗裂、变形能力和粘结性能的聚合物水泥砂浆。简称抗裂砂浆。其相关技术指标应符合JG/T158的规定。3.5聚合物水泥砂浆是指除界面剂、抗裂砂浆以外的,用于各种基层抹灰找平的普通聚合物水泥砂浆。3.6耐碱玻璃纤维网布由含锆耐碱玻璃纤维织成的网布,表面涂有高分子耐碱涂层。简称:耐碱玻纤网布。其相关技术指标应符合JG/T158的规定。3.7改性水泥聚苯颗粒保温浆料由膨胀聚苯颗粒、水泥、粉煤灰、水和高分子聚合物改性添加剂等材料,在施工现场混合制成的保温浆料,用于格构式混凝土保温墙体的开槽、孔洞和缺陷的修补或部分墙面找平的保温抹面材料。其相关技术指标应符合JG/T158的相关规定。3.8锚固件(锚栓)锚栓是外墙保温专用的锚固件,有镀锌螺丝、尼龙涨管和固定圆片组成,主要用于将保温板和玻纤网布固定于基层墙体的专用连接件。相关技术指标应符合JGT366的规定。四、主要机具设备4.1机械设备电动搅拌器、磅秤,聚氨酯喷涂设备,起重和垂直运输设备,电动切割锯等。4.2主要工具小撬棍、找平搓板、橡皮锤、木楔...

1、当您付费下载文档后,您只拥有了使用权限,并不意味着购买了版权,文档只能用于自身使用,不得用于其他商业用途(如 [转卖]进行直接盈利或[编辑后售卖]进行间接盈利)。
2、本站所有内容均由合作方或网友上传,本站不对文档的完整性、权威性及其观点立场正确性做任何保证或承诺!文档内容仅供研究参考,付费前请自行鉴别。
3、如文档内容存在违规,或者侵犯商业秘密、侵犯著作权等,请点击“违规举报”。

碎片内容

外墙保温施工方案(最新版)

您可能关注的文档

确认删除?
VIP
微信客服
  • 扫码咨询
会员Q群
  • 会员专属群点击这里加入QQ群
客服邮箱
回到顶部