电脑桌面
添加小米粒文库到电脑桌面
安装后可以在桌面快捷访问

中南-工程力学纸质作业及答案VIP免费

中南-工程力学纸质作业及答案_第1页
1/31
中南-工程力学纸质作业及答案_第2页
2/31
中南-工程力学纸质作业及答案_第3页
3/31
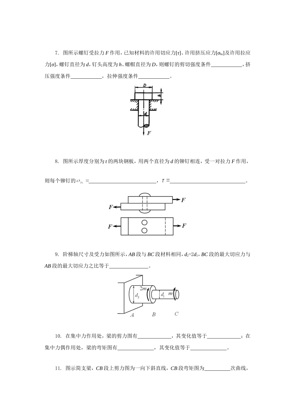
《工程力学》学习中心:专业:学号:姓名:一、填空题1.刚体同一平面作用三个力,大小均为F,如图所示。力系合成的结果是。2.立方体边长为a,在顶角A和B处分别作用力Q和P,Mx(P)=,MY(P)=,My(Q)=,Mz(Q)=。3.平面任意力系平衡的充要条件是。4.低碳钢拉伸可以分成四个阶段。5.直径为d=10mm的试件,标距l=50mm,拉伸断裂后,两标点间的长度l1=63.2mm,缩颈处的直径d1=5.9mm,则材料的延伸率δ=,截面收缩率ψ=,判断材料是(塑性材料/脆性材料)。6.阶梯杆受力如图所示,设AB和BC段的横截面面积分别为2A和A,弹性模量为E,则杆中最大正应力为,截面C的位移为。7.图所示螺钉受拉力F作用,已知材料的许用切应力[τ]、许用挤压应力[σbs]及许用拉应力[σ],螺钉直径为d,钉头高度为h、螺帽直径为D,则螺钉的剪切强度条件,挤压强度条件,拉伸强度条件。8.图所示厚度分别为t的两块钢板,用两个直径为d的铆钉相连,受一对拉力F作用,则每个铆钉的,。9.阶梯轴尺寸及受力如图所示,AB段与BC段材料相同,d2=2d1,BC段的最大切应力与AB段的最大切应力之比等于。10.在集中力作用处,梁的剪力图有,其变化值等于;在集中力偶作用处,梁的弯矩图有,其变化值等于。11.图示简支梁,CB段上剪力图为一向下斜直线,CB段弯矩图为次曲线,而AC段剪力图为次曲线,弯矩图为次曲线。12.跨度为l的简支梁已知EI,当整个梁承受均布荷载q时,梁中点挠度,图示简支梁跨中挠度。13.图所示梁的三个点中,单向应力状态的点是,纯剪应力状态的点是,在任何截面上应力均为零的点是。14.某抗弯构件的截面为T形如图所示,z轴为弯曲的中性轴,为使截面上缘的最大拉应力和下缘的最大压应力同时分别达到[σt]和[σc],应将y1和y2的比值设计成。15.已知矩形截面受弯梁上某截面A、B两点处的正应力,,则处于AB中间的C点正应力。16.图所示,梁最大拉应力的位置在点处。17.图示受压柱横截面上最大压应力的位置在点处。18.图示点的应力状态,单位是MPa,该点的主应力,,,最大切应力。19.图示点的应力状态,第三强度理论校核该点的强度条件是,第四强度理论校核该点的强度条件是。20.图示材料相同、直径相等的细长杆,杆能承受的压力最大;杆能承受的压力最小。二、作图题1.分别画出下列各物体的受力及整个系统的受力图,各杆的自重不计。⑴⑵2.作下列各梁的剪力和弯矩图。⑴⑵⑶三、计算题1.试求梁的支座约束力。2.图示结构A处为固定端约束,C处为光滑接触,D处为铰链连接。已知F1=F2=400N,M=300N·m,AB=BC=400mm,CD=CE=300mm,α=45o,不计各构件自重,求固定端A处与铰链D处的约束力。3.结构如图所示。作用在结构上的力P=10kN,力偶矩m=12kN·m,分布载荷的最大值q=0.4kN/m。求A、B、C处的约束力。4.图所示传动轴中,作用于齿轮上的齿合力F推动AB轴作匀速转动。已知皮带上皮带紧边的拉力T1=200N,松边的拉力T2=100N,皮带轮直径D1=160mm,圆柱齿轮的节圆直径D=240mm,压力角α=20o,其它尺寸如图。试确定力F的大小和轴承A、B处的约束力。5.平面桁架的支座和载荷如图所示,求1、2、3的内力。6.求图所示截面的形心,单位mm。7.图所示杆件,横截面面积为20cm2,承受轴向载荷P=200kN,试计算互相垂直的截面AB与BC上的正应力和切应力,并求杆内最大正应力和最大切应力。8.图示钢木桁架,其尺寸及计算简图如图所示。已知FP=16kN,钢的许用应力[σ]=120MPa。试选择钢竖杆DI的直径d。9.图所示木制短柱的四角用四个40×40×4的等边角钢加固。已知角钢的许用应力[σ]1=160MPa,E1=200GPa;木材的许用应力[σ]2=12MPa,E2=10GPa。试求许可载荷FP。10.如图所示,厚度为t2=20mm的钢板,上、下用两块厚度为t1=10mm的盖板和直径为d=20mm的铆钉连接,每边有三个铆钉。若钢的[τ]=120MPa,[σbs]=280MPa,[σ]=160MPa,F=200kN,试校核该接头的强度。11.传动轴的转速为n=500r/min,主动轮1输入功率P1=500马力,从动轮2、3分别输出功率P2=200马力,P3=300马力。已知[τ]=70MPa,[θ]=1o/m,G=80GPa。试确定传动轴的直径。12.梁的载荷及横截面尺寸如图所示,尺寸单位为mm。许用拉应力[σt]=40MPa,许用压力[σc]=160MPa。试按正应力...

1、当您付费下载文档后,您只拥有了使用权限,并不意味着购买了版权,文档只能用于自身使用,不得用于其他商业用途(如 [转卖]进行直接盈利或[编辑后售卖]进行间接盈利)。
2、本站所有内容均由合作方或网友上传,本站不对文档的完整性、权威性及其观点立场正确性做任何保证或承诺!文档内容仅供研究参考,付费前请自行鉴别。
3、如文档内容存在违规,或者侵犯商业秘密、侵犯著作权等,请点击“违规举报”。

碎片内容

中南-工程力学纸质作业及答案

您可能关注的文档

文泉书屋+ 关注
实名认证
内容提供者

热爱教学事业,对互联网知识分享很感兴趣

确认删除?
VIP
微信客服
  • 扫码咨询
会员Q群
  • 会员专属群点击这里加入QQ群
客服邮箱
回到顶部