电脑桌面
添加小米粒文库到电脑桌面
安装后可以在桌面快捷访问

煤直接液化技术在中国的发展_李克健VIP免费

煤直接液化技术在中国的发展_李克健_第1页
1/5
煤直接液化技术在中国的发展_李克健_第2页
2/5
煤直接液化技术在中国的发展_李克健_第3页
3/5
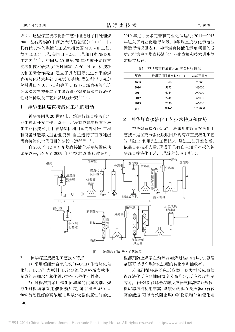
第20卷第2期洁净煤技术Vol.20No.22014年3月CleanCoalTechnologyMarch2014煤炭转化煤直接液化技术在中国的发展李克健,吴秀章,舒歌平(中国神华煤制油化工有限公司,北京100011)摘要:中国自主建设的世界首座煤直接液化示范工程神华100万t/a煤直接液化装置于2008年底成功试运行。经过几年的优化和完善,2011—2013年,神华煤直接示范装置持续稳定运行、连续三年盈利。神华煤直接液化示范工程建设、装置稳定运行并取得较好经济效益的实践表明,中国在煤直接液化领域已居于世界领先地位。随着技术的不断进步,中国煤直接液化展现较好的发展前景,煤直接液化产业化在中国将获得稳步发展。神华集团多年煤直接液化技术开发、工程化建设与工业化运行的实践表明:未来煤直接液化技术应在工程高度集成、产品链延伸、残渣综合利用、环保技术的开发与应用,直接液化与间接液化技术的融合,直接液化基础研究等方面进行探索和实践。关键词:煤直接液化;示范工程;产业化中图分类号:TQ529;TD849文献标志码:A文章编号:1006-6772(2014)02-0039-05DevelopmentofdirectcoalliquefactiontechnologiesinChinaLIKejian,WUXiuzhang,SHUGeping(ChinaShenhuaCoaltoLiquidsandChemicalCo.,Ltd.,Beijing100011,China)Abstract:Sincethefirstdemonstrationplantofdirectcoalliquefactionintheworld,Shenhuademonstrationplantofonemillionofproducts,wassuccessfullytrialoperatedattheendof2008,theplanthasgonethroughimprovementstagestothenormalproductionstatus.From2011to2013,theplantoperatedwellandobtainedbettereconomicbenefits.Thesuccessfuldesign,constructionandoperationofthedemonstrationplanthasshownthatChinahastakentheworldwideleadinthefieldofdirectcoalliquefaction.TheoperatingexperienceofShenhuaGroupshowthat,engineeringintegration,productschainextension,residueutilization,environmentalprotectiontechnologiesdevelopment,directandindirectcoalliquefactiontechnologiesintegration,basicstudyofdirectcoalliquefactionarethedevelopmentdirection.Keywords:directcoalliquefaction;demonstrationproject;industrialization收稿日期:2014-01-22;责任编辑:孙淑君DOI:10.13226/j.issn.1006-6772.2014.02.011基金项目:国家自然科学基金资助项目(51174274)作者简介:李克健(1956—),男,湖北宜昌人,研究员,院长,从事煤液化工艺、煤液化原料适应性评价、煤液化动力学与过程模拟、煤大分子模型、煤液化催化剂、煤液化油品、煤液化残渣利用等领域的研究。E-mail:likejian@csclc.com引用格式:李克健,吴秀章,舒歌平.煤直接液化技术在中国的发展[J].洁净煤技术,2014,20(2):39-43.LIKejian,WUXiuzhang,SHUGeping.DevelopmentofdirectcoalliquefactiontechnologiesinChina[J].CleanCoalTechnology,2014,20(2):39-43.0引言1913年,德国柏吉乌斯(Bergius)进行煤或煤焦油高温高压加氢生产液体燃料研究,开始了煤加氢液化的历史。至1945年二次大战结束的这段时期是煤直接液化技术发展历史上的鼎盛时期。德国共有12套煤直接液化装置建成投产,生产能力达到423万t/a。20世纪50年代后,中东地区大量廉价石油的开发,使煤直接液化在经济上失去竞争力。煤直接液化技术的研究开发基本处于停顿阶段[1-3]。美国于1973年制定了能源发展计划,开发包括煤液化在内的新能源[4-5]。日本在1974年推出了阳光计划,其中包括开发煤液化和煤气化技术[6-7]。同样,德国、英国、澳大利亚、加拿大、前苏联等国都进行了煤直接液化技术的开发研究[4]。1973年以来,以美国、德国和日本为代表的工业发达国家相继开发了新一代煤直接液化技术,新开发工艺主要体现在缓和反应条件和提高煤液化油收率932014年第2期洁净煤技术第20卷方面。这些煤直接液化新工艺相继通过了日处理煤200t左右规模的中间放大试验验证(PilotPlant)。具有代表性的煤液化工艺包括美国SRC-II工艺、德国IGOR+工艺,美国H-Coal工艺和日本NEDOL工艺等[8-10]。中国从20...

1、当您付费下载文档后,您只拥有了使用权限,并不意味着购买了版权,文档只能用于自身使用,不得用于其他商业用途(如 [转卖]进行直接盈利或[编辑后售卖]进行间接盈利)。
2、本站所有内容均由合作方或网友上传,本站不对文档的完整性、权威性及其观点立场正确性做任何保证或承诺!文档内容仅供研究参考,付费前请自行鉴别。
3、如文档内容存在违规,或者侵犯商业秘密、侵犯著作权等,请点击“违规举报”。

碎片内容

煤直接液化技术在中国的发展_李克健

您可能关注的文档

黄金阁书苑+ 关注
实名认证
内容提供者

热爱教学事业,对互联网知识分享很感兴趣

确认删除?
VIP
微信客服
  • 扫码咨询
会员Q群
  • 会员专属群点击这里加入QQ群
客服邮箱
回到顶部