电脑桌面
添加小米粒文库到电脑桌面
安装后可以在桌面快捷访问

钢混叠合梁施工危险源辨识与应对措施VIP免费

钢混叠合梁施工危险源辨识与应对措施_第1页
1/8
钢混叠合梁施工危险源辨识与应对措施_第2页
2/8
钢混叠合梁施工危险源辨识与应对措施_第3页
3/8
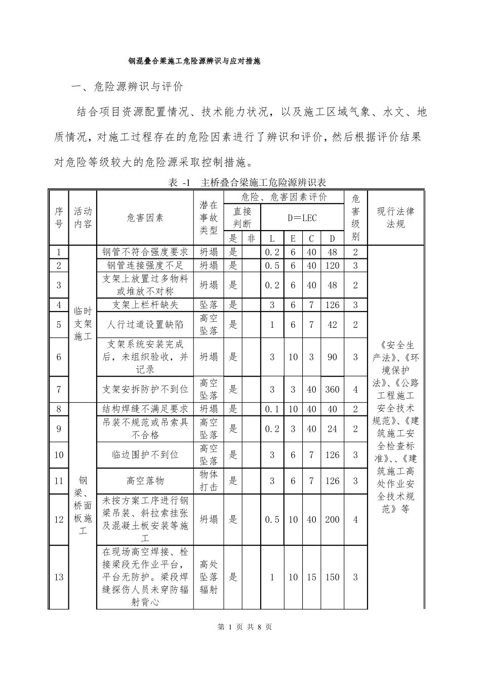
钢混叠合梁施工危险源辨识与应对措施一、危险源辨识与评价结合项目资源配置情况、技术能力状况,以及施工区域气象、水文、地质情况,对施工过程存在的危险因素进行了辨识和评价,然后根据评价结果对危险等级较大的危险源采取控制措施。表-1主桥叠合梁施工危险源辨识表危险、危害因素评价潜在直接危害因素事故D=LEC判断类型是非LECD钢管不符合强度要求坍塌是0.264048钢管连接强度不足坍塌是0.5640120支架上放置过多物料坍塌是0.264048或堆放不对称支架上栏杆缺失坠落是367126高空人行过道设置缺陷是16742坠落支架系统安装完成后,未组织验收,并坍塌是310390记录高空支架安拆防护不到位是3340360坠落结构焊缝不满足要求坍塌是0.1104040吊装不规范或吊索具高空是0.234024不合格坠落高空临边围护不到位是367126坠落物体高空落物是367126打击未按方案工序进行钢梁吊装、斜拉索挂张坍塌是0.51040200及混凝土板安装等施工在现场高空焊接、栓接梁段无作业平台,高处平台无防护。梁段焊坠落是11015150缝探伤人员未穿防辐辐射射背心第1页共8页序活动号内容1234临时5支架施工67891011钢梁、桥面12板施工危害级别23232342233现行法律法规《安全生产法》、《环境保护法》、《公路工程施工安全技术规范》、《建筑施工安全检查标准》、、《建筑施工高处作业安全技术规范》等4133悬臂主梁施工在大风14季进行,未采取抗风坍塌是110151503加固措施采取悬臂或半悬臂法15拼装钢梁时,冲钉和坍塌是110151503精制螺栓未均匀布置架梁用的扳手、小工具、冲钉及螺栓等未16存放在工具袋内,随物体363542意抛掷,多余的料具打击是未及时清理17切割机,张拉设备等人身漏电伤害是25770218吊装中斜拉索滑落物体打击是17749219钢绞线锈蚀导致滑人身丝、崩断伤害是1315452塔端挂索施工平台搭设不牢固,平台四周高处20斜拉及人员上下平台的通坠落物体是110151503索施道未设置防护栏杆、工安全网;人员上下通打击道跳板未满铺21液压千斤顶、测力设物体备,张拉系统有缺陷打击是1107702塔顶卷扬机、导向轮22钢丝绳及卷扬机与塔起重顶平台的连接焊缝有伤害是3103903缺陷23高压油管爆裂人身伤害是33763224桥面吊机、塔吊无准用证坠落是367126325桥面吊机、塔吊无安全限位装置坠落是367126326桥面吊锚固不牢固坍塌是3315135327设备塔吊附着不牢固坍塌是3315135328安全施工电梯附着不牢坍塌是3315135329车辆超载坍塌是13721230设备及车辆交叉作业碰撞碰撞是367126331车辆平交路口碰撞碰撞是13721232设备故障起重是137212第2页共8页伤害坍33设备超荷作业塌、起重是137212伤害34违章指挥起重伤害是13721235材料或成品运输过程物体加固不牢打击是16742236运输车辆未经检验或车辆2材料检验不合格伤害是1674237及成运输车辆超载或违规车辆2品运驾驶伤害是16742输起重伤38材料或成品装卸违章作业害、是167422物体打击动火作业无动火审批手续、无专人监护;39焊接和切割未采用不火灾是0.5615452可燃或耐火屏板(或等屏罩)加以隔离保护40焊接和切割区域未设其他置警告标志伤害是66136241气割、电焊作业地点未设置灭火器火灾是167422氧气、乙炔气瓶混放或间距不够;在乙炔、容器42气割氧气气瓶附近吸烟或爆及电动火;气瓶阀门或压炸、是0.5615452焊作力表坏损火灾业气瓶搁置不规范或固43定不牢、高温气瓶未容器遮盖爆炸是167422气割割枪、气管坏损火44或漏气;气瓶未安装灾;防回火装置或装置失容器是167422效爆炸气割、电焊作业环境中45不通风毒、是167422窒息46电焊机使用前未检验触电是0.5615452第3页共8页或出现故障;电焊钳使用自制产品;使用钢筋或其他工件代替回路线电焊机固定不牢固、未有效接地;电焊机47无二次降压保护器或装置失效;电焊机检触电是167422修时、作业完成后未切断电源焊接不同规格的钢板48或钢筋未及时调整电其他流;焊接作业或敲除伤害是167422焊渣时未带护目镜49起重设备未检验或检起重验证书过期伤害是0.5615452起重设备吊钩安全销50损坏、吊钩限位器损起重坏、钢丝绳磨损或连伤害是0.5615452接销轴松动51起重指挥信号不明或起重违章指挥、操作伤害是1615903起重人员在危险区域行伤52走、停留害、是0...

1、当您付费下载文档后,您只拥有了使用权限,并不意味着购买了版权,文档只能用于自身使用,不得用于其他商业用途(如 [转卖]进行直接盈利或[编辑后售卖]进行间接盈利)。
2、本站所有内容均由合作方或网友上传,本站不对文档的完整性、权威性及其观点立场正确性做任何保证或承诺!文档内容仅供研究参考,付费前请自行鉴别。
3、如文档内容存在违规,或者侵犯商业秘密、侵犯著作权等,请点击“违规举报”。

碎片内容

钢混叠合梁施工危险源辨识与应对措施

您可能关注的文档

确认删除?
VIP
微信客服
  • 扫码咨询
会员Q群
  • 会员专属群点击这里加入QQ群
客服邮箱
回到顶部