电脑桌面
添加小米粒文库到电脑桌面
安装后可以在桌面快捷访问

012_室外给水管道及设备安装工艺VIP免费

012_室外给水管道及设备安装工艺_第1页
1/5
012_室外给水管道及设备安装工艺_第2页
2/5
012_室外给水管道及设备安装工艺_第3页
3/5
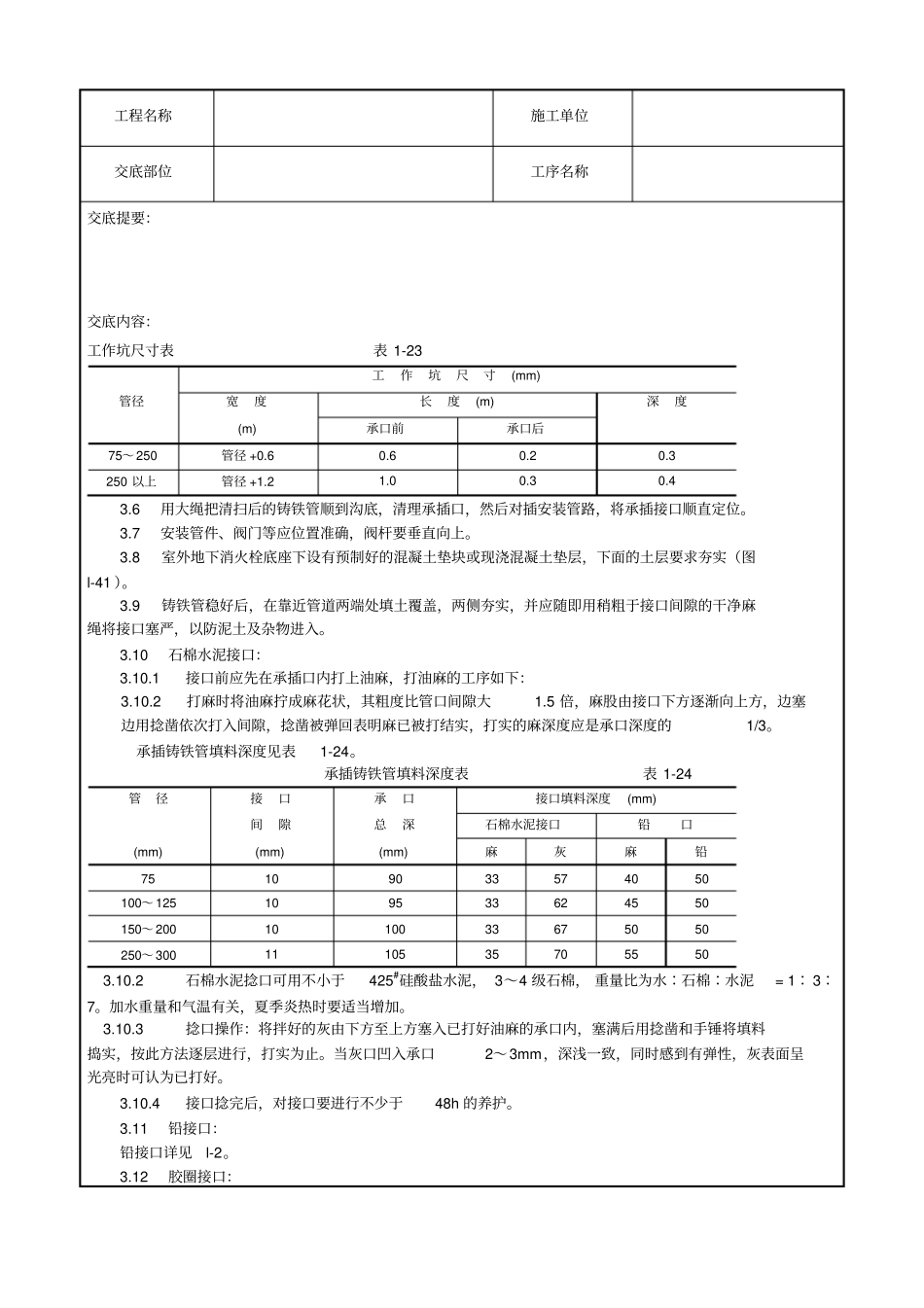
工程名称施工单位交底部位工序名称交底提要:交底内容:室外给水管道及设备安装1范围本工艺标准适用于民用建筑群(小区),工作压力不大于0.6MPa的室外给水和消防管网的给水铸铁管及镀锌碳素钢管铺设安装。2施工准备2.1材料设备要求:2.1.1给水铸铁管及管件规格品种应符合设计要求,管壁薄厚均匀,内外光滑整洁,不得有砂眼、裂纹、飞刺和疙瘩。承插口的内外径及管件应造型规矩,并有出厂合格证。2.1.2镀锌碳素钢管及管件管壁内外镀锌均匀,无锈蚀。内壁无飞刺,管件无偏扣、乱扣、方扣、丝扣不全、角度不准等现象。2.1.3阀门无裂纹,开关灵活严密,铸造规矩,手轮无损坏,并有出厂合格证。2.1.4地下消火栓,地下闸阀、水表品种、规格应符合设计要求,并有出厂合格证。2.1.5捻口水泥一般采用不小于425#的硅酸盐水泥和膨胀水泥(采用石膏矾土膨胀水泥或硅酸盐膨胀水泥)。水泥必须有出厂合格证。2.1.6其它材料:石棉绒、油麻绳、青铅、铅油、麻线、机油、螺栓、螺母、防锈漆等。2.2主要机具:2.2.1机具:套丝机、砂轮机、砂轮锯、试压泵等。2.2.2工具:手锤、捻凿、钢锯、套丝扳、剁斧、大锤、电气焊工具、倒链、压力案、管钳、大绳、铁锹、铁镐等。2.2.3其它:水平尺、钢卷尺等。2.3作业条件:2.3.1管沟平直,管沟深度、宽度符合要求,阀门井、表井垫层,消火栓底座施工完毕。2.3.2管沟沟底夯实,沟内无障碍物。且应有防塌方措施。2.3.3管沟两侧不得堆放施工材料和其它物品。3操作工艺3.1工艺流程:安装准备→清扫管膛→管材、管件、阀门、消火栓等就位→管道连接→灰口养护→水压试验→管道冲洗镀锌碳素钢管的安装工艺流程参见1-2。3.2根据施工图检查管沟坐标、深度、平直程度、沟底管基密实度是否符合要求。3.3管道承口内部及插口外部飞刺、铸砂等应预先铲掉,沥青漆用喷灯或气焊烤掉,再用钢丝刷除去污物。3.4把阀门、管件稳放在规定位置,作为基准点。把铸铁管运到管沟沿线沟边,承口朝向来水方向。3.5根据铸铁管长度,确定管段工作坑位置,铺管前把工作坑挖好。工作坑尺寸见表l-23。工程名称施工单位交底部位工序名称交底提要:交底内容:工作坑尺寸表表1-23工作坑尺寸(mm)管径宽度长度(m)深度(m)承口前承口后75~250管径+0.60.60.20.3250以上管径+1.21.00.30.43.6用大绳把清扫后的铸铁管顺到沟底,清理承插口,然后对插安装管路,将承插接口顺直定位。3.7安装管件、阀门等应位置准确,阀杆要垂直向上。3.8室外地下消火栓底座下设有预制好的混凝土垫块或现浇混凝土垫层,下面的土层要求夯实(图l-41)。3.9铸铁管稳好后,在靠近管道两端处填土覆盖,两侧夯实,并应随即用稍粗于接口间隙的干净麻绳将接口塞严,以防泥土及杂物进入。3.10石棉水泥接口:3.10.1接口前应先在承插口内打上油麻,打油麻的工序如下:3.10.2打麻时将油麻拧成麻花状,其粗度比管口间隙大1.5倍,麻股由接口下方逐渐向上方,边塞边用捻凿依次打入间隙,捻凿被弹回表明麻已被打结实,打实的麻深度应是承口深度的1/3。承插铸铁管填料深度见表1-24。承插铸铁管填料深度表表1-24管径接口承口接口填料深度(mm)间隙总深石棉水泥接口铅口(mm)(mm)(mm)麻灰麻铅75109033574050100~125109533624550150~2001010033675050250~30011105357055503.10.2石棉水泥捻口可用不小于425#硅酸盐水泥,3~4级石棉,重量比为水∶石棉∶水泥=1∶3∶7。加水重量和气温有关,夏季炎热时要适当增加。3.10.3捻口操作:将拌好的灰由下方至上方塞入已打好油麻的承口内,塞满后用捻凿和手锤将填料捣实,按此方法逐层进行,打实为止。当灰口凹入承口2~3mm,深浅一致,同时感到有弹性,灰表面呈光亮时可认为已打好。3.10.4接口捻完后,对接口要进行不少于48h的养护。3.11铅接口:铅接口详见l-2。3.12胶圈接口:工程名称施工单位交底部位工序名称交底提要:交底内容:3.12.1外观检查胶圈粗细均匀,无气泡,无重皮。3.12.2根据承口深度,在插口管端划出符合承插口的对口间隙不小于3mm,最大间隙不大于表1-25规定的印记。将胶圈塞入承口胶圈槽内,胶圈内侧及插口抹上肥皂水,将管子找平找正,用倒链等工具将铸铁管徐徐插入承口内至印记处即...

1、当您付费下载文档后,您只拥有了使用权限,并不意味着购买了版权,文档只能用于自身使用,不得用于其他商业用途(如 [转卖]进行直接盈利或[编辑后售卖]进行间接盈利)。
2、本站所有内容均由合作方或网友上传,本站不对文档的完整性、权威性及其观点立场正确性做任何保证或承诺!文档内容仅供研究参考,付费前请自行鉴别。
3、如文档内容存在违规,或者侵犯商业秘密、侵犯著作权等,请点击“违规举报”。

碎片内容

012_室外给水管道及设备安装工艺

您可能关注的文档

确认删除?
VIP
微信客服
  • 扫码咨询
会员Q群
  • 会员专属群点击这里加入QQ群
客服邮箱
回到顶部