电脑桌面
添加小米粒文库到电脑桌面
安装后可以在桌面快捷访问

保温材料热工性能指标VIP免费

保温材料热工性能指标_第1页
1/16
保温材料热工性能指标_第2页
2/16
保温材料热工性能指标_第3页
3/16
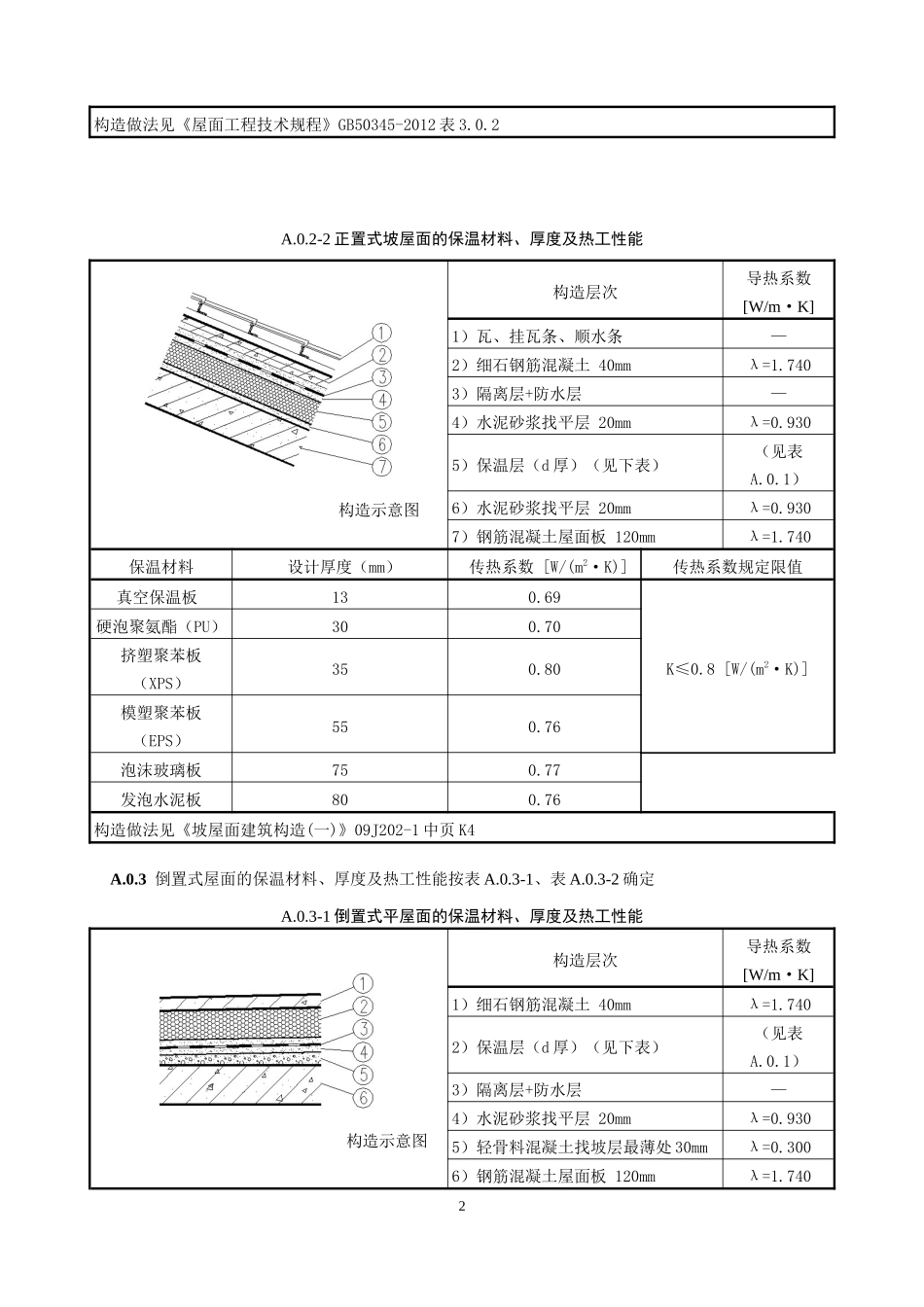
附录围护结构保温材料选用及热工性能指标附录A屋面保温材料选用及热工性能参数A.0.1屋面保温材料主要性能指标应符合表A.0.1的要求表A.0.1屋面保温材料的主要性能指标材料名称表观密度或干密度(kg/m3)体积吸水率(v/v,%)导热系数标准值λ[W/(m·K)]修正系数а导热系数计算值λc[W/(m·K)]真空保温板≤450≤3.00.0081.40.011硬泡聚氨酯(PU)≥35≤3.00.0241.10.026挤塑聚苯板(XPS)≥32≤1.50.0301.20.036模塑聚苯板(EPS)≥20≤4.00.0411.30.053泡沫玻璃板≥150≤0.50.0621.20.074发泡水泥板≤250≤10.00.0651.20.078注:本表中挤塑聚苯板、模塑聚苯板等性能参数取自国家标准《屋面工程技术规范》GB50345-2012附录B表B.2.1A.0.2正置式屋面的保温材料、厚度及热工性能按表A.0.2-1、表A.0.2-2确定表A.0.2-1正置式平屋面的保温材料、厚度及热工性能构造示意图构造层次导热系数[W/m·K]1)细石钢筋混凝土40mmλ=1.7402)隔离层+防水层—3)水泥砂浆找平层20mmλ=0.9304)保温层(d厚)(见下表)(见表A.0.1)5)水泥砂浆找平层20mmλ=0.9306)轻骨料混凝土找坡层最薄处30mmλ=0.3007)钢筋混凝土屋面板120mmλ=1.740保温材料设计厚度(mm)传热系数[W/(m2·K)]传热系数规定限值真空保温板130.66K≤0.8[W/(m2·K)]硬泡聚氨酯(PU)250.77挤塑聚苯板(XPS)350.76模塑聚苯板(EPS)500.78泡沫玻璃板700.77发泡水泥板750.761构造做法见《屋面工程技术规程》GB50345-2012表3.0.2A.0.2-2正置式坡屋面的保温材料、厚度及热工性能构造示意图构造层次导热系数[W/m·K]1)瓦、挂瓦条、顺水条—2)细石钢筋混凝土40mmλ=1.7403)隔离层+防水层—4)水泥砂浆找平层20mmλ=0.9305)保温层(d厚)(见下表)(见表A.0.1)6)水泥砂浆找平层20mmλ=0.9307)钢筋混凝土屋面板120mmλ=1.740保温材料设计厚度(mm)传热系数[W/(m2·K)]传热系数规定限值真空保温板130.69K≤0.8[W/(m2·K)]硬泡聚氨酯(PU)300.70挤塑聚苯板(XPS)350.80模塑聚苯板(EPS)550.76泡沫玻璃板750.77发泡水泥板800.76构造做法见《坡屋面建筑构造(一)》09J202-1中页K4A.0.3倒置式屋面的保温材料、厚度及热工性能按表A.0.3-1、表A.0.3-2确定A.0.3-1倒置式平屋面的保温材料、厚度及热工性能构造示意图构造层次导热系数[W/m·K]1)细石钢筋混凝土40mmλ=1.7402)保温层(d厚)(见下表)(见表A.0.1)3)隔离层+防水层—4)水泥砂浆找平层20mmλ=0.9305)轻骨料混凝土找坡层最薄处30mmλ=0.3006)钢筋混凝土屋面板120mmλ=1.7402保温材料计算厚度(mm)设计厚度(mm)传热系数[W/(m2·K)]传热系数规定限值硬泡聚氨酯(PU)25350.78K≤0.8[W/(m2·K)]挤塑聚苯板(XPS)34450.79泡沫玻璃板70900.79构造做法见《屋面工程技术规程》GB50345-2012表3.0.2注:倒置式屋面保温层的设计厚度按计算厚度增加25%;A.0.3-2倒置式坡屋面的保温材料、厚度及热工性能构造示意图构造层次导热系数[W/m·K]1)瓦、挂瓦条、顺水条—2)细石钢筋混凝土40mmλ=1.7403)保温层(d厚)(见下表)(见表A.0.1)4)隔离层+防水层—5)水泥砂浆找平层20mmλ=0.9306)钢筋混凝土屋面板120mmλ=1.740保温材料计算厚度(mm)设计厚度(mm)传热系数[W/(m2·K)]传热系数规定限值硬泡聚氨酯(PU)28350.79K≤0.8[W/(m2·K)]挤塑聚苯板(XPS)36450.79泡沫玻璃板74950.80构造做法见《坡屋面建筑构造(一)》09J202-1中页K4注:倒置式屋面保温层的设计厚度应按计算厚度增加25%;A.0.4倒置式屋面采用B1级保温材料时,应按住宅单元设置防火隔断墙,防火隔断墙为厚度不小于100mm的不燃烧体,应从屋面板砌至高出屋面完成面不小于250mm;防火隔断墙可利用住宅单元分隔墙延伸至屋面以上,高度不小于250mm;防火隔断墙之间的屋顶面积不应大于300㎡,当屋面面积大于300㎡时,应增设一道防火隔断墙;防火隔断墙的泛水构造应符合屋面防水技术规范要求。3图A.0.4屋面防火隔断墙示意图4附录B外墙保温材料选用及热工性能参数B.0.1保温材料主要性能指标应符合表B.0.1的要求表B.0.1外墙内保温材料的主要性能指标材料名称干密度(kg/m3)体积吸水率(v/v,%)导热系数标准值λ[W/(m·K)]修...

1、当您付费下载文档后,您只拥有了使用权限,并不意味着购买了版权,文档只能用于自身使用,不得用于其他商业用途(如 [转卖]进行直接盈利或[编辑后售卖]进行间接盈利)。
2、本站所有内容均由合作方或网友上传,本站不对文档的完整性、权威性及其观点立场正确性做任何保证或承诺!文档内容仅供研究参考,付费前请自行鉴别。
3、如文档内容存在违规,或者侵犯商业秘密、侵犯著作权等,请点击“违规举报”。

碎片内容

保温材料热工性能指标

您可能关注的文档

确认删除?
VIP
微信客服
  • 扫码咨询
会员Q群
  • 会员专属群点击这里加入QQ群
客服邮箱
回到顶部