电脑桌面
添加小米粒文库到电脑桌面
安装后可以在桌面快捷访问

国开电大 可编程控制器应用实训 形考任务6实训报告 VIP免费

国开电大 可编程控制器应用实训 形考任务6实训报告 _第1页
1/10
国开电大 可编程控制器应用实训 形考任务6实训报告 _第2页
2/10
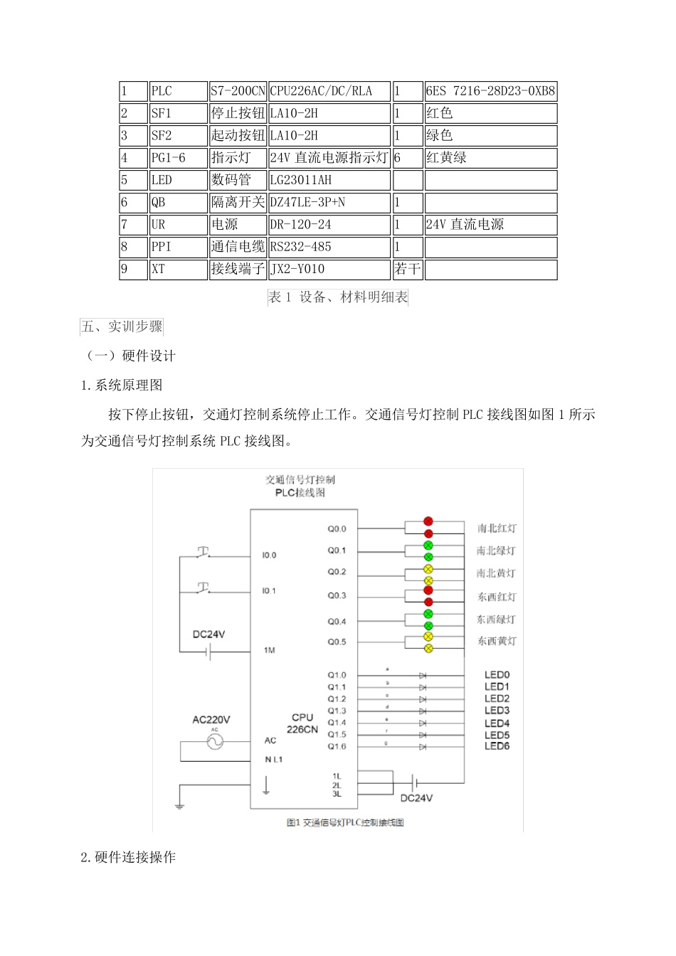
可编程控制器应用实训形考任务六实训报告交通信号灯PLC控制系统的实现一、实训目的:掌握PLC在实际生产中的典型应用,并能够独立进行简单控制系统的系统设计(系统配置及输入/输出继电器地址分配、系统的I/O接线图、系统的流程图、控制程序的设计、编程及调试)。二、实训要求:1.选择社会生活或生产实践中某一种典型的PLC控制系统或产品,,并能够独立进行简单控制系统的系统设计(系统配置及输入/输出继电器地址分配、系统的I/O接线图、系统的流程图、控制程序的设计、编程及调试);2.设计选用西门子S7-200系列PLC,对其I/O口进行分配,列出PLC控制程序(梯形图进行截图,语句表可直接拷贝)并对程序作出解释。三、实训内容:应用PLC控制交通灯各灯按要求亮灭,并通过七段LED数码管对红灯点亮时间进行倒计时显示,并且可以重复循环。按下起动按钮交通灯开始工作,南北向红灯亮起并维持10s,南北向红灯工作同时东西向绿灯亮4s,接着以1Hz频率闪烁3s最后熄灭,绿灯熄灭同时东西向黄灯亮并维持3s;黄灯熄灭时东西向红灯开始公主并维持10s,东西向红灯工作同时南北向绿灯亮4s闪3s以1Hz频率最后熄灭,绿灯熄灭同时南北向黄灯亮并维持3s,黄灯熄灭时南北向红灯再次亮起……循环反复。交通灯工作同时一个七段LED数码管对红灯点亮时间进行倒计时显示,先对南北向红灯倒计时,显示9—8—7—6—5—4—3—2—1—0,然后对东西向红灯倒计时。四、主要实训软件硬件(1)常用电工工具、万用表等。(2)PC机(3)所需设备、材料见表1。序号标准代号器件名称型号规格数量备注1PLCS7-200CNCPU226AC/DC/RLA16ES7216-28D23-0XB82SF1停止按钮LA10-2H1红色3SF2起动按钮LA10-2H1绿色4PG1-6指示灯24V直流电源指示灯6红黄绿5LED数码管LG23011AH6QB隔离开关DZ47LE-3P+N17UR电源DR-120-24124V直流电源8PPI通信电缆RS232-48519XT接线端子JX2-Y010若干表1设备、材料明细表五、实训步骤(一)硬件设计1.系统原理图按下停止按钮,交通灯控制系统停止工作。交通信号灯控制PLC接线图如图1所示为交通信号灯控制系统PLC接线图。2.硬件连接操作(1)根据表1配齐电器元件,并检查各电器元件的质量。(2)根据PLC接线图2,画出电器元件布置图2。(3)根据图2电器元件布置图安装元件,各元件的安装位置整齐、匀称、间距合理,便于元件的更换,元件紧固时用力均匀,紧固程度适当。(4)接线。按照图3电气接线图,先接PLC、开关电源的电源和PLC输入输出点的电源,再接输入电路,最后接输出电路。完成后的电气接线板如图4所示。(5)检查电路。通电前,认真检查有无错接、漏接等现象。(二)编写实训程序本设计可以采用经验设计法来完成。经过分析本设计任务可以分成两部分来完成,控制交通灯转换部分和红灯倒计时显示部分。分析交通灯转换部分可以发现,交通灯一次完整的工作周期为20s,每一组灯都在这20s中固定时间段进行工作,由此我们可以把每组灯的工作时间用比较指令标示出来,并控制相应的灯组在该时间段点亮工作,程序如图5所示。另外20s的工作周期可以用定时器指令来实现。图5比较指令程序红灯倒计时显示主要是通过7段LED数码管显示来实现,在S7-200的指令中段码指令可以实现7段LED数码管显示控制,程序如图6所示。图6段码指令程序本次设计梯形图如图7所示。图7交通信号灯PLC控制程序六、调试实训程序根据图3进行安装接线,然后将编制好的交通灯PLC控制程序下载到PLC中,并进行程序调试直到设备运行满足设计要求。1.工作模式选择。将PLC的工作模式开关拨至运行或者通过STEP7-Micro/WIN编程软件执行“PLC”菜单下“运行”子菜单命令。2.监控。单击执行“调试”菜单下的“开始程序状态监控”子菜单命令,梯形图程序进入监控状态。程序调试监控图如图8所示。图8程序调试监控图七、观察实训结果1.运行交通灯。按下起动按钮SF2,观察输出线圈Q0.0~Q0.5、Q1.0~Q1.6和所有指示灯和数码管的现象,南北向红灯亮起并维持10s,南北向红灯工作的同时东西绿灯向亮4s,接着以1Hz频率闪烁3s最后熄灭,绿灯熄灭同时东西向黄灯亮并维持3s;黄灯熄灭时东西向红灯开始公主并维持10s,东西向红灯工作同时南北向绿灯亮4s闪3s以...

1、当您付费下载文档后,您只拥有了使用权限,并不意味着购买了版权,文档只能用于自身使用,不得用于其他商业用途(如 [转卖]进行直接盈利或[编辑后售卖]进行间接盈利)。
2、本站所有内容均由合作方或网友上传,本站不对文档的完整性、权威性及其观点立场正确性做任何保证或承诺!文档内容仅供研究参考,付费前请自行鉴别。
3、如文档内容存在违规,或者侵犯商业秘密、侵犯著作权等,请点击“违规举报”。

碎片内容

国开电大 可编程控制器应用实训 形考任务6实训报告

您可能关注的文档

文达天下+ 关注
实名认证
内容提供者

各类试题、文摘、指南、行业规范

相关文档

确认删除?
VIP
微信客服
  • 扫码咨询
会员Q群
  • 会员专属群点击这里加入QQ群
客服邮箱
回到顶部