电脑桌面
添加小米粒文库到电脑桌面
安装后可以在桌面快捷访问

高二物理:4.2《变压器》三维教案 鲁科版选修3-2VIP免费

高二物理:4.2《变压器》三维教案 鲁科版选修3-2_第1页
1/6
高二物理:4.2《变压器》三维教案 鲁科版选修3-2_第2页
2/6
高二物理:4.2《变压器》三维教案 鲁科版选修3-2_第3页
3/6
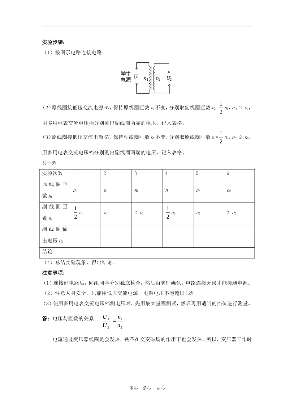
第二节变压器三维教学目标1、知识与技能(1)知道变压器的构造,了解变压器的工作原理;(2)理解理想变压器原、副线圈中电压与匝数的关系,能应用它分析解决有关问题。2、过程与方法:在探究变压比和匝数比的关系中培养学生运用物理理想化模型分析问题、解决问题的能力。3、情感态度与价值观(1)使学生体会到能量守恒定律是普遍适用的;(2)培养学生实事求是的科学态度。教学重点:探究变压比和匝数比的关系。教学难点:探究变压比和匝数比的关系。教学方法:实验探究法、阅读法、讲解法。教学手段:学生电源、可拆变压器、交流电压表、交流电流表、灯泡。教学过程:(一)引入新课在实际应用中,常常需要改变交流的电压。大型发电机发出的交流,电压有几万伏,而远距离输电却需要高达几十万伏的电压。各种用电设备所需的电压也各不相同。电灯、电饭煲、洗衣机等家用电器需要220V的电压,机床上的照明灯需要36V的安全电压。一般半导体收音机的电源电压不超过10V,而电视机显像管却需要10000V以上的高电压。交流便于改变电压,以适应各种不同需要。变压器就是改变交流电压的设备。这节课我们学习变压器的有关知识。(二)进行新课1、变压器的原理思考与讨论:用心爱心专心按上图所示连接好电路,接通电源,观察灯泡是否发光。问题1:两个线圈并没有直接接触,灯泡为什么亮了呢?这个实验说明了什么?答:当一个线圈中同交变电流时,变化的电流产生变化的磁场,变化的磁场在另一个线圈中激起感生电场,从而产生感生电动势,灯泡中有了感应电流,故灯泡发光。实验说明,通过互感现象,电源的能量可以从一个线圈传输给另一个线圈。变压器就是由闭合铁芯和绕在铁芯上的两个线圈构成的。一个线圈跟电源连接,叫原线圈(初级线圈),另一个线圈跟负载连接,叫副线圈(次级线圈)。两个线圈都是绝缘导线绕制成的。铁芯由涂有绝缘漆的硅钢片叠合而成。变压器的结构示意图和符号,如下图所示:互感现象时变压器工作的基础。在原线圈上加交变电压U1,原线圈中就有交变电流,它在铁芯中产生交变的磁通量。这个交变磁通量既穿过原线圈,也穿过副线圈,在原、副线圈中都要引起感应电动势。如副线圈是闭合的,在副线圈中就产生交变电流,它也在铁芯中产生交变的磁通量,在原、副线圈中同样引起感应电动势。副线圈两端的电压就是这样产生的。所以,两个线圈并没有直接接触,通过互感现象,副线圈也能够输出电流。问题2:变压器线圈两端的电压与匝数有何关系呢?下面我们通过实验来探究。目的:探究变压器线圈两端的电压与匝数的关系器材:可拆变压器,学生电源,多用电表,导线若干用心爱心专心实验步骤:(1)按图示电路连接电路(2)原线圈接低压交流电源6V,保持原线圈匝数n1不变,分别取副线圈匝数n2=21n1,n1,2n1,用多用电表交流电压档分别测出副线圈两端的电压,记入表格。(3)原线圈接低压交流电源6V,保持副线圈匝数n2不变,分别取原线圈匝数n1=21n2,n2,2n2,用多用电表交流电压档分别测出副线圈两端的电压,记入表格。U1=6V实验次数123456原线圈匝数n1n1n1n1n2n2n2副线圈匝数n221n1n12n121n2n22n2副线圈输出电压U2结论(4)总结实验现象,得出结论。注意事项:(1)连接好电路后,同组同学分别独立检查,然后由老师确认,电路连接无误才能接通电源。(2)注意人身安全。只能用低压交流电源,电源电压不能超过12V(3)使用多用电表交流电压档测电压时,先用最大量程测试,然后再用适当的挡位进行测量。答:电压与匝数的关系2121nnUU电流通过变压器线圈是会发热,铁芯在交变磁场的作用下也会发热。所以,变压器工作时用心爱心专心存在能量损失。没有能量损失的变压器叫做理想变压器。2121nnUU,只适用于理想变压器。实际上变压器的工作效率都很高,在一般的计算中,可以把实际变压器视为理想变压器。问题3:理想变压器原线圈的输入功率与副线圈的输出功率有什么关系?答:因为理想变压器没有能量损失,所以P出=P入问题4:若理想变压器只有一个副线圈,则原副线圈中的电流I1与I2有什么关系?据P出=U2I2,P入=U1I1及P出=P入得:U2I2=U1I1则:121221nnUUII上式是理想变压器只有...

1、当您付费下载文档后,您只拥有了使用权限,并不意味着购买了版权,文档只能用于自身使用,不得用于其他商业用途(如 [转卖]进行直接盈利或[编辑后售卖]进行间接盈利)。
2、本站所有内容均由合作方或网友上传,本站不对文档的完整性、权威性及其观点立场正确性做任何保证或承诺!文档内容仅供研究参考,付费前请自行鉴别。
3、如文档内容存在违规,或者侵犯商业秘密、侵犯著作权等,请点击“违规举报”。

碎片内容

高二物理:4.2《变压器》三维教案 鲁科版选修3-2

雨丝书吧+ 关注
实名认证
内容提供者

乐于和他人分享知识,从事历史教学,热爱教育,高度负责。

确认删除?
VIP
微信客服
  • 扫码咨询
会员Q群
  • 会员专属群点击这里加入QQ群
客服邮箱
回到顶部