电脑桌面
添加小米粒文库到电脑桌面
安装后可以在桌面快捷访问

园林绿化工程验收最全表格VIP免费

园林绿化工程验收最全表格_第1页
1/13
园林绿化工程验收最全表格_第2页
2/13
园林绿化工程验收最全表格_第3页
3/13
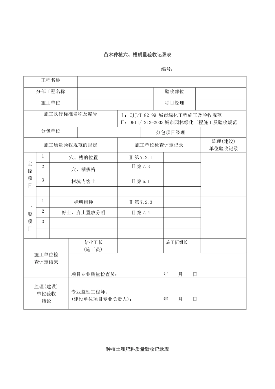
园林绿化工程验收表格地形整理质量验收记录表编号:工程名称分部工程名称验收部位施工单位项目经理施工执行标准名称及编号Ⅰ:CJJ/T82-99城市绿化工程施工及验收规范Ⅱ:DB11/T212-2003城市园林绿化工程施工及验收规范分包单位分包项目经理施工质量验收规范的规定施工单位检查评定记录监理(建设)单位验收记录主控项目1土质Ⅱ第6.12地形Ⅱ第6.2,6.33种植土厚度Ⅰ第6.5一般项目1平整度≤30mm2地形沉降不明显3地形高度Ⅱ≤100mm施工单位检查评定结果专业工长(施工员)施工班组长项目专业质量检查员:年月日监理(建设)单位验收结论专业监理工程师:(建设单位项目专业负责人):年月日苗木种植穴、槽质量验收记录表编号:工程名称分部工程名称验收部位施工单位项目经理施工执行标准名称及编号Ⅰ:CJJ/T82-99城市绿化工程施工及验收规范Ⅱ:DB11/T212-2003城市园林绿化工程施工及验收规范分包单位分包项目经理施工质量验收规范的规定施工单位检查评定记录监理(建设)单位验收记录主控项目1穴、槽的位置Ⅱ第7.2.12穴、槽规格Ⅱ第7.33树坑内客土Ⅱ第6.1一般项目1标明树种Ⅱ第7.2.32好土、弃土置放分明Ⅱ第7.43施工单位检查评定结果专业工长(施工员)施工班组长项目专业质量检查员:年月日监理(建设)单位验收结论专业监理工程师:(建设单位项目专业负责人):年月日种植土和肥料质量验收记录表编号:工程名称分部工程名称验收部位施工单位项目经理施工执行标准名称及编号Ⅰ:CJJ/T82-99城市绿化工程施工及验收规范Ⅱ:DB11/T212-2003城市园林绿化工程施工及验收规范分包单位分包项目经理施工质量验收规范的规定施工单位检查评定记录监理(建设)单位验收记录主控项目1种植土Ⅱ6.1肥料有机肥一般项目1土壤肥力Ⅱ第6.1.523施工单位检查评定结果专业工长(施工员)施工班组长项目专业质量检查员:年月日监理(建设)单位验收结论专业监理工程师:(建设单位项目专业负责人):年月日苗木进场检验记录编号:工程名称检验日期序号类别树种名称来源规格根系树型及土球检疫单位进场数量检验结论:签字栏施工单位:监理单位:检查员专业监理工程师质检员注1:本表由施工单位填写,施工单位、监理单位各保存一份。注2:类别划分:1.常绿乔木2.常绿灌木3.绿篱4.落叶乔木5.落叶灌木6.色块(带)7.花卉8.藤本植物9.水生植物10.竹子11.草坪地被苗木种植质量验收记录表编号:工程名称分部工程名称验收部位施工单位项目经理施工执行标准名称及编号Ⅰ:CJJ/T82-99城市绿化工程施工及验收规范Ⅱ:DB11/T212-2003城市园林绿化工程施工及验收规范分包单位分包项目经理施工质量验收规范的规定施工单位检查评定记录监理(建设)单位验收记录主控项目1规格品种Ⅱ第10.2.12种植Ⅱ第10.2、第10.43非正常种植季节种植Ⅱ第10.7.1~10.7.6一般项目1观赏面Ⅱ第11.3.92分层夯实Ⅱ第11.3.14施工单位检查评定结果专业工长(施工员)施工班组长项目专业质量检查员:年月日监理(建设)单位验收结论专业监理工程师:(建设单位项目专业负责人):年月日大树移栽质量验收记录表编号:工程名称分部工程名称验收部位施工单位项目经理施工执行标准名称及编号Ⅰ:CJJ/T82-99城市绿化工程施工及验收规范Ⅱ:DB11/T212-2003城市园林绿化工程施工及验收规范分包单位分包项目经理施工质量验收规范的规定施工单位检查评定记录监理(建设)单位验收记录主控项目1挖掘大树及包扎Ⅱ第11.3~11.3.62吊装运输Ⅱ第11.3.7~11.3.83移栽树木Ⅱ第11.3.9~11.3.154修剪Ⅱ第11.2.5一般项目1大树移植前准备Ⅱ第11.2.1~11.2.52栽后养管Ⅱ第11.3.14~3.15施工单位检查评定结果专业工长(施工员)施工班组长项目专业质量检查员:年月日监理(建设)单位验收结论专业监理工程师:(建设单位项目专业负责人):年月日攀缘、悬挂绿化工程质量验收记录表编号:工程名称分部工程称验收部位施工单位验收时间施工执行标准名称及编号分包单位分包项目经理施工质量验收规范的规定施工单位检查评定记录监理(建设)单位验收记录主控项目1依附物、挂架等应符合设计要求符合第6.5.1.1要求2悬挂绿化的种植土应符合设计要求3其他项目符合第6.5.1.3要求一般项目1土质符合设计要求2挂网、挂架符合第6.5...

1、当您付费下载文档后,您只拥有了使用权限,并不意味着购买了版权,文档只能用于自身使用,不得用于其他商业用途(如 [转卖]进行直接盈利或[编辑后售卖]进行间接盈利)。
2、本站所有内容均由合作方或网友上传,本站不对文档的完整性、权威性及其观点立场正确性做任何保证或承诺!文档内容仅供研究参考,付费前请自行鉴别。
3、如文档内容存在违规,或者侵犯商业秘密、侵犯著作权等,请点击“违规举报”。

碎片内容

园林绿化工程验收最全表格

文章天下+ 关注
实名认证
内容提供者

各种文档应有尽有

相关文档

确认删除?
VIP
微信客服
  • 扫码咨询
会员Q群
  • 会员专属群点击这里加入QQ群
客服邮箱
回到顶部