电脑桌面
添加小米粒文库到电脑桌面
安装后可以在桌面快捷访问

园林绿化施工组织设计(吕林陪标)VIP免费

园林绿化施工组织设计(吕林陪标)_第1页
1/13
园林绿化施工组织设计(吕林陪标)_第2页
2/13
园林绿化施工组织设计(吕林陪标)_第3页
3/13
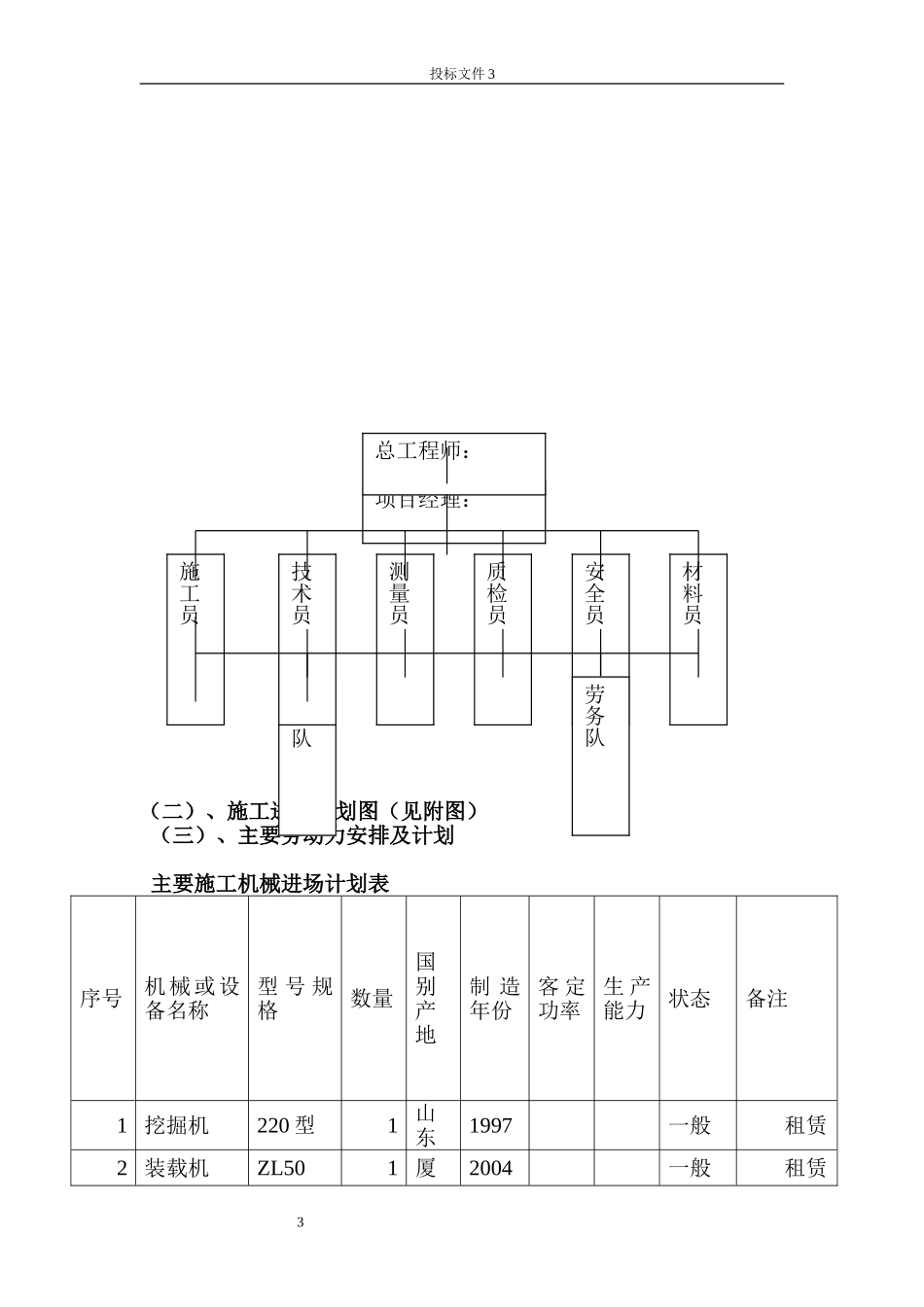
投标文件1目录一、编制依据…………………………………………………1二、工程概况…………………………………………………1三、施工准备………………………………………………….2四、进度、质量保证措施…………………………………….5五、施工方法及技术要求…………………………………….8六、保证安全生产、文明施工的措施………………………12七、减少扰民、降低环境污染和噪音措施………………….19八、节能、降耗施工…………………………………………20施工组织设计1投标文件2一、编制依据1、东胜区泊江海镇恩格贝路绿化景观工程招标答疑文件。2、国家现行建筑施工规范、规程和技术标准。3、我司按照GB/T19001-2000idtISO9001:2000建立的质量保证体系,建立的过程控制标准。(1)、《程序文件》。(2)、我单位有关项目管理的质量、技术、安全等支持性文件。4、我单位同类工程的施工经验。5、我单位对本工程施工部署和管理目标。6、我单位的技术力量、机械设备条件。二、工程概述工程名称东胜区泊江海镇恩格贝路绿化景观工程工程地点泊江海恩格贝路段东侧建设规模全长1400米,道路东侧为绿化带宽80米,总面积为11.2万m2工期开工日期:2008年4月1日竣工日期:2008年7月1日施工总工期:91日历天;养护期至2009年7月1日本工程所用施工及验收规范《城市道路绿化规范与设计规范》(CJJ75—97)《城市绿化工程施工及验收规范》(CJJ/T82—99)《工程测量规范》(GB50202—2002)《施工现场临时用电安全技术规范》(JGJ46—88)《建筑施工安全检查标准》(JGJ59—99)三、施工准备(一)、管理体系为了保质保量按期完成该工程,我公司在该工程中成立了项目经理部,全面负责该工程的施工组织领导工作。项目经理部下设材料供应部、工程技术、质量部、生产安全部、施工管理部。组织结构图2投标文件3(二)、施工进度计划图(见附图)(三)、主要劳动力安排及计划主要施工机械进场计划表序号机械或设备名称型号规格数量国别产地制造年份客定功率生产能力状态备注1挖掘机220型1山东1997一般租赁2装载机ZL501厦2004一般租赁3劳务队安全员质检员测量员技术员材料员施工员项目经理:总工程师:劳务队投标文件4门3洒水车东风1国产1999一般租赁4三轮车时风1国产2003一般租赁5打药机1国产2007一般租赁根据本工程的实际特点,由公司生产安全部组织,通过公司内部的劳务招标方式,择优选择能保证工期、保证质量,安全生产且各专业技术素质较强的施工队伍班组来承担本工程的建设任务,各专业班组在接到施工任务书后签订内部质量、工期及安全合同。要按照工期的关键控制点及分部分项工程的施工进度计划。结合劳动定额,施工图预算,确定主要劳动力投入阶段及数量,主要劳动力计划,详细编制月进度计划、日进度计划,并且保证作业班组人员的相对固定,从而有利于工序间的衔接平衡,达到均衡连续组织生产。(三)、技术准备工作1、熟悉、审查施工图纸和有关设计资料。在开工前,由公司技术质量部组织项目部各专业技术负责人员对施工图纸结合有关设计文件,设计规范,采用图集等进行仔细审阅熟悉。通过审阅时发现施工图纸中存在的缺陷及与规范相冲突的,会同设计单位、建设单位、监理单位进行图纸会审,这样便于满足设计者的意图和业主的使用要求,同时便于工程在施工过程中的顺利进行,且可以避免由于设计的缺陷而引起返工,造成不必要的经济损失。2、编制科学、合理、切实又可行的施工方案。在工程开工前,项目部组织技术人员按照技术质量部总体方案的要求,科学合理的编制切实可行的分部、分项工程的详细的施工方案,并报公司总工程师、监理工程师审批,批准后严格按照方案进行组织施工。四、进度、质量保证措施(一)、工期保证措施1、成立项目指挥机构,抓紧抓好施工前准备工作。(1)我公司为参加本工程的建设做好了充分的思想和技术准备、机械设备和人员准备。一旦中标,将选派施工管理经验丰富、业务能力好、工作责任心强的力量成立强有力的项目指挥机构;并配备专业素质高、业务能力强、富有强烈事业心和责任感的技术干部;调集足够的具有园林绿化施工丰富经验、有良好社会信誉和施工业绩,能...

1、当您付费下载文档后,您只拥有了使用权限,并不意味着购买了版权,文档只能用于自身使用,不得用于其他商业用途(如 [转卖]进行直接盈利或[编辑后售卖]进行间接盈利)。
2、本站所有内容均由合作方或网友上传,本站不对文档的完整性、权威性及其观点立场正确性做任何保证或承诺!文档内容仅供研究参考,付费前请自行鉴别。
3、如文档内容存在违规,或者侵犯商业秘密、侵犯著作权等,请点击“违规举报”。

碎片内容

园林绿化施工组织设计(吕林陪标)

您可能关注的文档

确认删除?
VIP
微信客服
  • 扫码咨询
会员Q群
  • 会员专属群点击这里加入QQ群
客服邮箱
回到顶部