电脑桌面
添加小米粒文库到电脑桌面
安装后可以在桌面快捷访问

园林小品施工方案VIP免费

园林小品施工方案_第1页
1/34
园林小品施工方案_第2页
2/34
园林小品施工方案_第3页
3/34
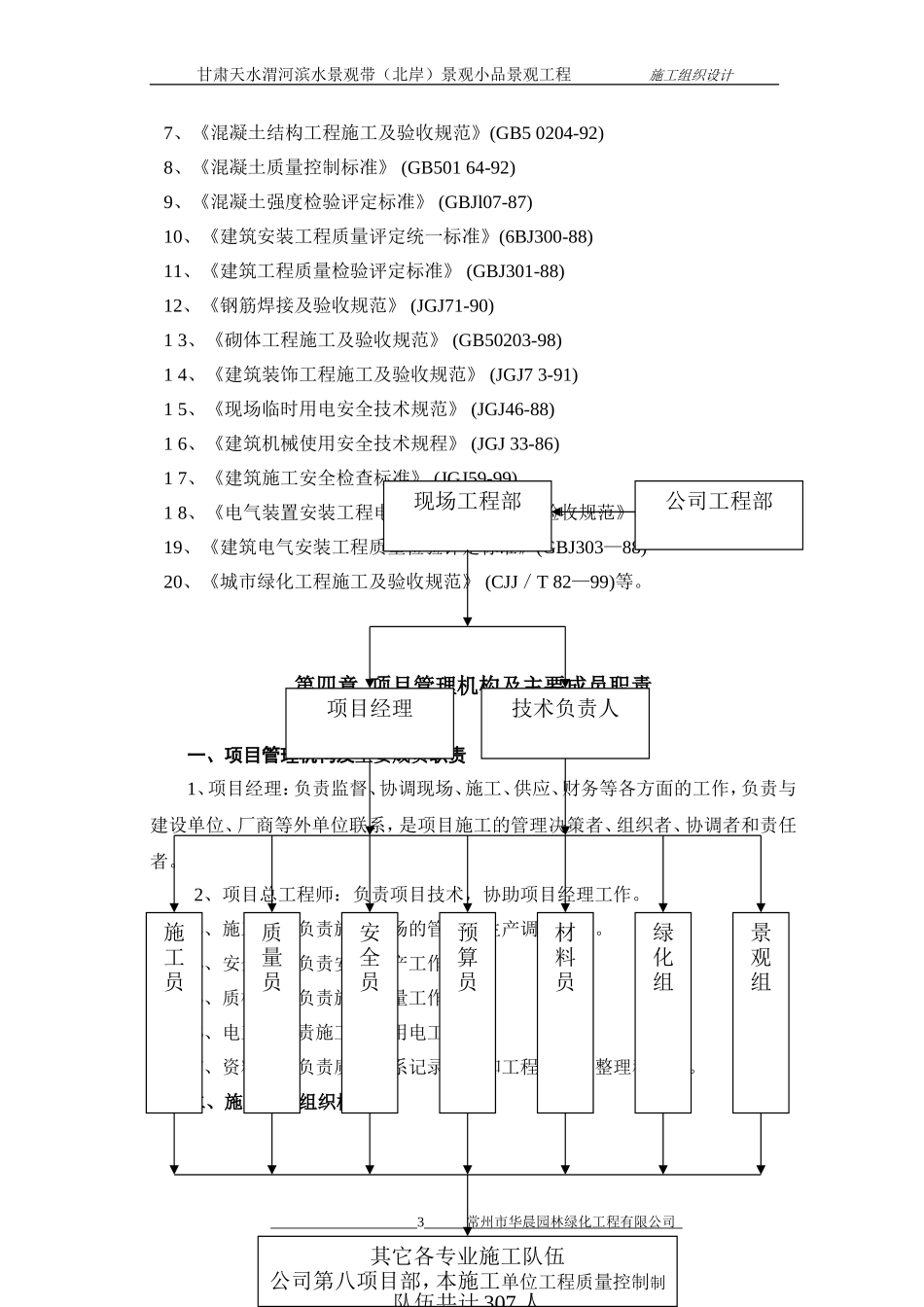
1常州市华晨园林绿化工程有限公司甘肃天水渭河滨水景观带(北岸)景观小品景观工程施工组织设计第一章工程概况一、工程概况工程名称:甘肃天水渭河滨水景观带(北岸)景观小品景观工程建设地点:甘肃天水渭河滨水北岸景观带建设单位:甘肃省建设投资(控股)集团天水分公司承包范围:景观雕塑、廊架、挡土墙、景石、简介牌、景墙、小品雕塑、磨石、青石汀步等。设计单位:中景博道城市规划发展有限公司工程特点:本工程所涉及的施工项目虽不多,但工序较复杂,施工要求精细。由于一期工程园路、绿化已施工完成,为保护成品路面及苗木,我方所有进场材料需进行二次运输,人工消耗量大。根据工程进度及招标书要求,工期紧,任务重,我方施工压力较大。二、设计概况本工程项目含土方工程、园路、广场铺装、台阶、汀步、构架、景观廊、景亭、景观墙、景观石、雕塑、仿木桩等工程。三、施工条件本工程拟建区由发包方在开工前完成施工场地开工必须具备施工的三通一平,工程建设开工前所需的一切手续及准备工作已完备。现场交通便利,利于现场管理。由于一期工程园路、绿化已施工完成,为保护成品路面及苗木,我方所有进场材料需进行二次运输,人工消耗量大,最远运距达近4公里。在施工过程中将以项目法施工为原则,克服各种不利因素,创造一流的管理水平,一流的工程质量,一流的工程进度,合格工程为目标,圆满完成本标段工程的施工任务。第二章工期及质量目标2常州市华晨园林绿化工程有限公司甘肃天水渭河滨水景观带(北岸)景观小品景观工程施工组织设计一、工期目标本工程施工工期为120天。为确保工期必须做到材料供应及时,劳动力及机械设备充分满足,合理组织流水施工。通过科学组织施工作业程序,精心施工,坚持“科学管理、注重质量、信守合约、真诚服务”的原则,在施工全过程中充分利用时间,以安全为准则,质量为前提,进度为主线,保证各项计划圆满完成。二、质量目标作为施工企业来说,质量是企业的生命,针对本工程的规模、特点,我公司将认真把握好这次机会,从抓施工现场管理入手,组织强有力的施工班子,从进场至竣工的整个施工过程中认真执行已通过论证的IS09002贯标《程序文件》和《质量保证手册》等一系列标准,严格按照施工图纸、国家建筑设计、施工验收规范和质量评定标准进行施工,对工程质量实行三级管理程序,集中公司的管理精英力量确保工程达到优良等级。第三章编制依据一、依据:1、甘肃天水渭河滨水景观带(北岸)景观小品景观工程招标文件;2、中景博道城市规划发展有限公司提供的施工图纸;3、国家现行的施工规范及甘肃省有关标准、法律、法规、规范等文件;4、我公司颁发的有关建筑施工规程、安全、消防、质量等文件5、我公司IS09002质量手册、程序文件和施工作业指导书,及有关施工质量、安全生产、技术管理、文明施工等文件。二、规范:1、《土方与爆破工程施工及验收规范》(GBJ201-83)2、《地基与基础工程施工及验收规范》(GBJ202-83)3、《建筑地基处理技术规范》(JGJ79-91)4、《地下工程防水技术规范》(GBJl08-87)5、《建筑地面工程施工及验收规范》(GBJ20209-95)6、《工程测量规范》(GBJ50026-93)3常州市华晨园林绿化工程有限公司甘肃天水渭河滨水景观带(北岸)景观小品景观工程施工组织设计7、《混凝土结构工程施工及验收规范》(GB50204-92)8、《混凝土质量控制标准》(GB50164-92)9、《混凝土强度检验评定标准》(GBJl07-87)10、《建筑安装工程质量评定统一标准》(6BJ300-88)11、《建筑工程质量检验评定标准》(GBJ301-88)12、《钢筋焊接及验收规范》(JGJ71-90)13、《砌体工程施工及验收规范》(GB50203-98)14、《建筑装饰工程施工及验收规范》(JGJ73-91)15、《现场临时用电安全技术规范》(JGJ46-88)16、《建筑机械使用安全技术规程》(JGJ33-86)17、《建筑施工安全检查标准》(JGJ59-99)18、《电气装置安装工程电气照明装置施工及验收规范》(GB50259—96)19、《建筑电气安装工程质量检验评定标准》(GBJ303—88)20、《城市绿化工程施工及验收规范》(CJJ/T82—99)等。第四章项目管理机构及主要成员职责一、项目管理机构及主要成员职责1、项目经理:负...

1、当您付费下载文档后,您只拥有了使用权限,并不意味着购买了版权,文档只能用于自身使用,不得用于其他商业用途(如 [转卖]进行直接盈利或[编辑后售卖]进行间接盈利)。
2、本站所有内容均由合作方或网友上传,本站不对文档的完整性、权威性及其观点立场正确性做任何保证或承诺!文档内容仅供研究参考,付费前请自行鉴别。
3、如文档内容存在违规,或者侵犯商业秘密、侵犯著作权等,请点击“违规举报”。

碎片内容

园林小品施工方案

确认删除?
VIP
微信客服
  • 扫码咨询
会员Q群
  • 会员专属群点击这里加入QQ群
客服邮箱
回到顶部