电脑桌面
添加小米粒文库到电脑桌面
安装后可以在桌面快捷访问

2018-2019学年沪科版八年级物理力模块-弹力和弹簧测力计训练VIP免费

2018-2019学年沪科版八年级物理力模块-弹力和弹簧测力计训练_第1页
1/10
2018-2019学年沪科版八年级物理力模块-弹力和弹簧测力计训练_第2页
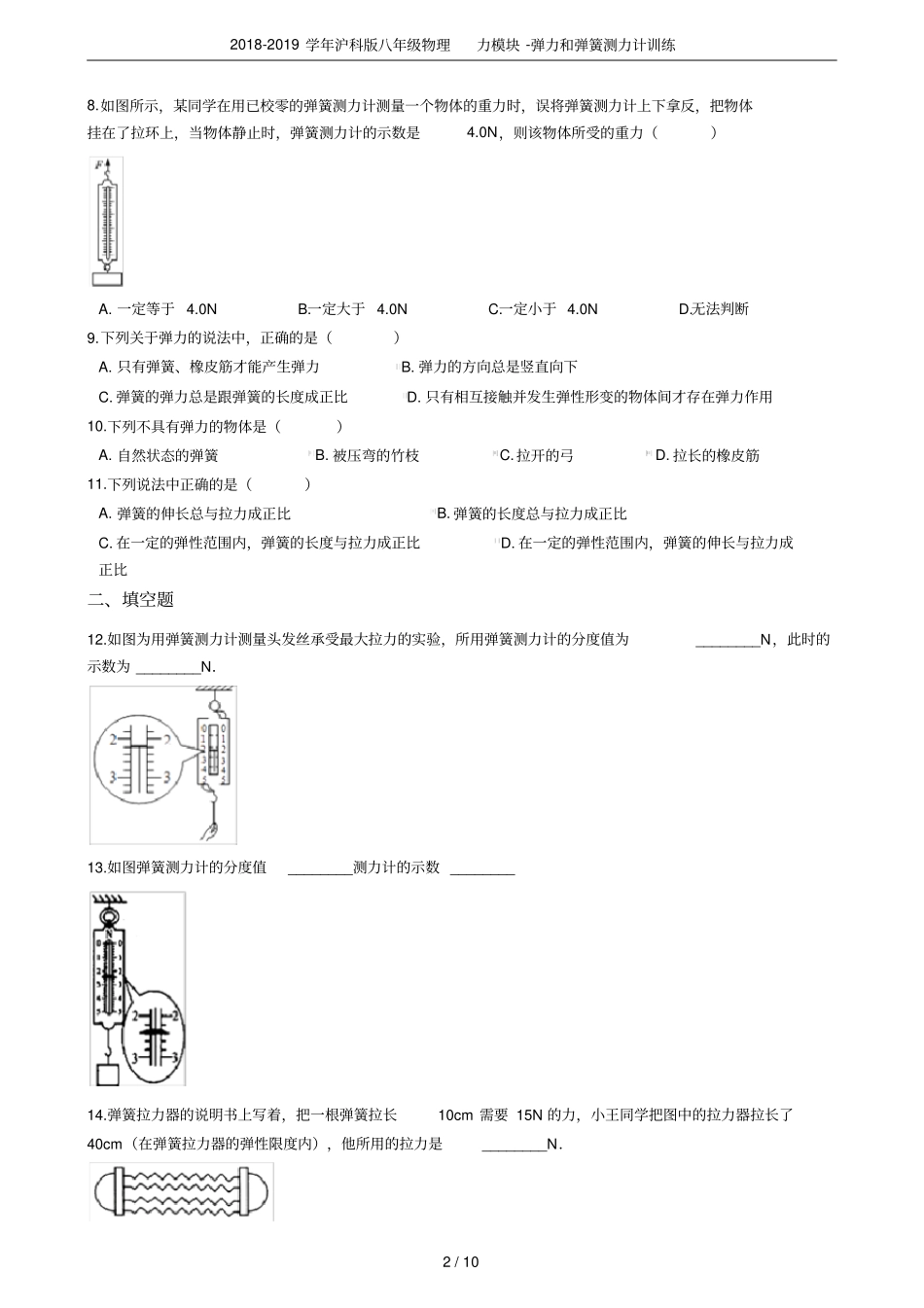
2/10
2018-2019学年沪科版八年级物理力模块-弹力和弹簧测力计训练_第3页
3/10
2018-2019学年沪科版八年级物理力模块-弹力和弹簧测力计训练1/102018-2019学年沪科版八年级物理力模块-弹力和弹簧测力计训练一、单选题1.如图所示,劲度系数均为k的甲、乙两轻质弹簧,甲弹簧一端固定在天花板上,乙弹簧一端固定在水平地面上.当在甲的另一端挂一重物G,乙的另一端压一重物G时,两弹簧的长度均为L,现将两弹簧并联,并在其下方系一重物G,此时弹簧的长度应为()A.B.C.D.2.下列说法中正确的是()A.弹簧受到的拉力越大,弹簧的伸长就越长B.弹簧测力计的刻度可以用cm、mm等做单位C.弹簧测力计不能测量各种力D.能发生形变的弹簧只有拉伸时才能产生弹力3.如图所示,ABCD顺序表示了射箭的整个过程,运动员先将箭搭在弓上,然后慢慢拉弓,将弓拉满后松手,箭疾驰而飞,在以上过程中,弓的弹力最大的时刻是()A.B.C.D.4.如图所示,弹簧测力计的示数为()A.10NB.2.5NC.5ND.0N5.甲、乙两个同学在水平方向沿相反的方向拉测力计,各用力200牛.则测力计的示数为()A.100牛B.200牛C.0牛D.400牛6.使用弹簧测力计时,下面说法中错误的是()A.弹簧测力计必须竖直放置,不得倾斜B.使用前必须检查零点是否准确C.使用中弹簧、指针、挂钩不能与外壳摩擦D.使用中必须注意所测的力不能超过弹簧测力计的测量范围7.下列物体不能产生弹力的是()A.压弯的锯条B.拉长的橡皮筋C.被挤压的皮球D.捏瘪的橡皮泥2018-2019学年沪科版八年级物理力模块-弹力和弹簧测力计训练2/108.如图所示,某同学在用已校零的弹簧测力计测量一个物体的重力时,误将弹簧测力计上下拿反,把物体挂在了拉环上,当物体静止时,弹簧测力计的示数是4.0N,则该物体所受的重力()A.一定等于4.0NB.一定大于4.0NC.一定小于4.0ND.无法判断9.下列关于弹力的说法中,正确的是()A.只有弹簧、橡皮筋才能产生弹力B.弹力的方向总是竖直向下C.弹簧的弹力总是跟弹簧的长度成正比D.只有相互接触并发生弹性形变的物体间才存在弹力作用10.下列不具有弹力的物体是()A.自然状态的弹簧B.被压弯的竹枝C.拉开的弓D.拉长的橡皮筋11.下列说法中正确的是()A.弹簧的伸长总与拉力成正比B.弹簧的长度总与拉力成正比C.在一定的弹性范围内,弹簧的长度与拉力成正比D.在一定的弹性范围内,弹簧的伸长与拉力成正比二、填空题12.如图为用弹簧测力计测量头发丝承受最大拉力的实验,所用弹簧测力计的分度值为________N,此时的示数为________N.13.如图弹簧测力计的分度值________测力计的示数________14.弹簧拉力器的说明书上写着,把一根弹簧拉长10cm需要15N的力,小王同学把图中的拉力器拉长了40cm(在弹簧拉力器的弹性限度内),他所用的拉力是________N.2018-2019学年沪科版八年级物理力模块-弹力和弹簧测力计训练3/1015.如图,此弹簧测力计的量程是________,分度值是________,读数是________.16.如图所示,用弹簧测力计测一物体所受重力,由图可知,物体所受重力为________N,重力的施力物体是________17.科技活动小组的同学们准备自己动手制成弹簧测力计,他们选了A、B两种规格不同的弹簧进行测试,绘出如图所示的图像,若要制作量程较大的弹簧测力计,应选用弹簧________,若要制作精确程度较高的弹簧测力计,应选用弹簧________。(填“A”或“B”)三、解答题18.当你用力拉弹簧健身器时,开始不太费力,随着拉开距离的增大,越来越费力,这是为什么?四、实验探究题19.某同学用一根弹簧制作弹簧测力计的实验时,在弹簧的下端挂不同重力的钩码,对应的弹簧的长度也不同,具体数据见下表:(1)该同学制作的弹簧测力计的量程是________N;弹簧的原长是________cm.(2)分析表中实验数据,得到的一个重要的实验结论是:________.2018-2019学年沪科版八年级物理力模块-弹力和弹簧测力计训练4/1020.小华在课外探究弹簧的长度跟外力的变化关系时,记录了如下实验数据.(1)没有挂钩码时,弹簧的长度L0=________cm;(2)请将表格中第3行的数据补充完整;(3)分析实验数据,你可得到的结论是:________(4)这项研究在实际中的应用是________.(5)这种性质的弹簧能够用来测量力的范围是________.(6)小华根据实验数据作出了如下三个图...

1、当您付费下载文档后,您只拥有了使用权限,并不意味着购买了版权,文档只能用于自身使用,不得用于其他商业用途(如 [转卖]进行直接盈利或[编辑后售卖]进行间接盈利)。
2、本站所有内容均由合作方或网友上传,本站不对文档的完整性、权威性及其观点立场正确性做任何保证或承诺!文档内容仅供研究参考,付费前请自行鉴别。
3、如文档内容存在违规,或者侵犯商业秘密、侵犯著作权等,请点击“违规举报”。

碎片内容

2018-2019学年沪科版八年级物理力模块-弹力和弹簧测力计训练

文库响当当+ 关注
实名认证
内容提供者

该用户很懒,什么也没介绍

相关文档

确认删除?
VIP
微信客服
  • 扫码咨询
会员Q群
  • 会员专属群点击这里加入QQ群
客服邮箱
回到顶部