电脑桌面
添加小米粒文库到电脑桌面
安装后可以在桌面快捷访问

CJX2交流接触器型号VIP免费

CJX2交流接触器型号_第1页
1/8
CJX2交流接触器型号_第2页
2/8
CJX2交流接触器型号_第3页
3/8
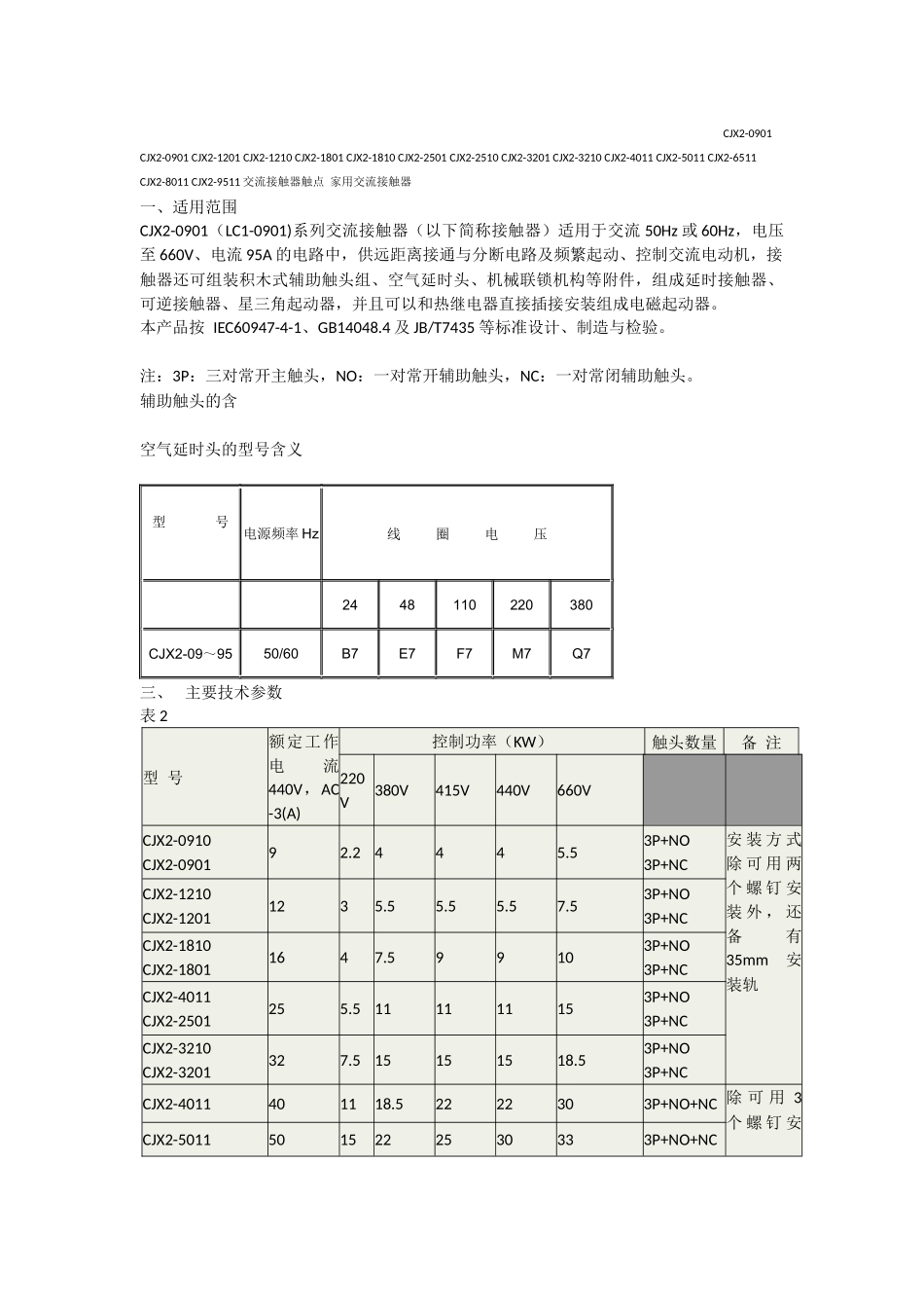
万联电器有限公司专业交流接触器制造商,18905871785(李)0577-62969100QQ:2936585701www.cjx2.comCJX2-0901CJX2-0901CJX2-1201CJX2-1210CJX2-1801CJX2-1810CJX2-2501CJX2-2510CJX2-3201CJX2-3210CJX2-4011CJX2-5011CJX2-6511CJX2-8011CJX2-9511交流接触器触点家用交流接触器一、适用范围CJX2-0901(LC1-0901)系列交流接触器(以下简称接触器)适用于交流50Hz或60Hz,电压至660V、电流95A的电路中,供远距离接通与分断电路及频繁起动、控制交流电动机,接触器还可组装积木式辅助触头组、空气延时头、机械联锁机构等附件,组成延时接触器、可逆接触器、星三角起动器,并且可以和热继电器直接插接安装组成电磁起动器。本产品按IEC60947-4-1、GB14048.4及JB/T7435等标准设计、制造与检验。注:3P:三对常开主触头,NO:一对常开辅助触头,NC:一对常闭辅助触头。辅助触头的含空气延时头的型号含义型号电源频率Hz线圈电压2448110220380CJX2-09~9550/60B7E7F7M7Q7三、主要技术参数表2型号额定工作电流440V,AC-3(A)控制功率(KW)触头数量备注220V380V415V440V660VCJX2-0910CJX2-090192.24445.53P+NO3P+NC安装方式除可用两个螺钉安装外,还备有35mm安装轨CJX2-1210CJX2-12011235.55.55.57.53P+NO3P+NCCJX2-1810CJX2-18011647.599103P+NO3P+NCCJX2-4011CJX2-2501255.5111111153P+NO3P+NCCJX2-3210CJX2-3201327.515151518.53P+NO3P+NCCJX2-4011401118.52222303P+NO+NC除可用3个螺钉安CJX2-50115015222530333P+NO+NC装外,还备有35mm或CJX2-65116518.5303737373P+NO+NCCJX2-80118022374545453P+NO+NCCJX2-95119522454545453P+NO+NC接触器可与表3、表4中任一个附件组装辅助触头组使用类别额定工作电压(V)额定工作电流(A)控制容量约定发热电流A寿命接通分断AC-153800.953600VA360VA10同主触头DC-132200.1533W33W表3型号触头数量F4-10NOF4-01NCF4-11N0+NCF4-022NCF4-202N0F4-222N0+2NCF4-404N0F4-044NCF4-131N0+3NCF4-313N0+1NCF8-11N0+NC(侧安装)F8-202N0(侧安装)F8-022NC(侧安装)空气延时头表4型号延时范围延时触头数量备注LA2-T00.1-3S1NO+1NC通电延时LA2-T20.1-30S通电延时LA2-T410-180S通电延时LA3-R00.1-3S断电延时LA3-R20.1-30S断电延时LA3-R410-180S断电延时三、主要技术参数3.1电寿命曲线(见图1)3.2主电路技术参数(见表5)3.3负载能力(见表6)额定工作电流(A)AC-4(6Ie/6Ie)AC-3(6Ie/6Ie)机械寿命使用工作电流(A)电寿命电寿命(380V)次数(S×1000000)操作频率(次/h)220V380V500V660V次数(S×10000)操作频率(次/h)次数(S×10000)操作频率(次/h)93.51.5203001002400103600线圈电压(V)24324811012722024038041544048050060066050HzB5C5E5F5G5M5U5Q5N5R5S5Y560HzB6E6F6G6M7U6Q6N6R6T6S650/60HzB7E7F7M7Q7N7R7参数型号CJX2-09CJX2-12CJX2-18CJX2-25CJX2-32CJX2-40CJX2-50CJX2-65CJX2-80CJX2-95AC-3额定工作电流Ie(A)9121825324050658095AC-1额定工作电流Ie(A)2020324050608080125125额定绝缘电压Ui(V)660符合的标准IEC947-4-1GB14048.4-93;GB14048.5-93;NFC63-110;VDE0660;BS5452;JEM1038环境温度(°C)-25-+40海拔高度(m)2000约定发热电流Ith(A)2525324050608080125125可接通最大电流据IEC947-4-1)9012018025032040050065080095可断开最大电流(A)(据IEC947-4-1)380V7296144200256320400520640760冷压软线带冷压端头端头软线不带冷压端头(注)硬线根1-21-21-212121212121212(mm)2.5442.544466410646641064661016101010101625251610-1625251616-5050502535-5050502535-1252203001002400103600187.73.8203001001200103600258.54.420150100120010360032127.520150801200836004018.59151508012008360050241215150601200836006528141515060120083600803717.3101506060063600954421.31015060600636003.4线圈参数(见表7)-CJX2-09CJX2-12CJX2-18CJX2-25CJX2-32CJX2-40CJX2-50CJX2-65CJX2-80CJX2-95额定控制电压(V)12-660吸合电压50/60HZ(V)(0.85-1.1Us)释放电压50/60HZ(V)(20-75)Us(0.2-0.75)Us线圈功率50Hz吸合(VA)70110200保持(VA)8112060Hz吸合(VA)8011...

1、当您付费下载文档后,您只拥有了使用权限,并不意味着购买了版权,文档只能用于自身使用,不得用于其他商业用途(如 [转卖]进行直接盈利或[编辑后售卖]进行间接盈利)。
2、本站所有内容均由合作方或网友上传,本站不对文档的完整性、权威性及其观点立场正确性做任何保证或承诺!文档内容仅供研究参考,付费前请自行鉴别。
3、如文档内容存在违规,或者侵犯商业秘密、侵犯著作权等,请点击“违规举报”。

碎片内容

CJX2交流接触器型号

确认删除?
VIP
微信客服
  • 扫码咨询
会员Q群
  • 会员专属群点击这里加入QQ群
客服邮箱
回到顶部