电脑桌面
添加小米粒文库到电脑桌面
安装后可以在桌面快捷访问

RMG调节阀手册VIP免费

RMG调节阀手册_第1页
1/18
RMG调节阀手册_第2页
2/18
RMG调节阀手册_第3页
3/18
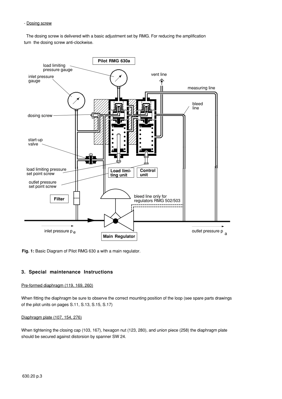
RMGREGEL+MESSTECHNIKGMBH...providingallcomponentsyouneedforreliabilityingassupplyBildeinsetzen(maximaleGröße)OperationandMaintenance630.20SparePartsEdition08/94Osterholzstraße45•D-34123Kassel•P.o.Box102967•D-34029KasselTelephone(0561)5007-0•Telefax(0561)5007-107•Telex0996261.GeneralRemarksOurleaflet630.00givesfullinformationwithtechnicaldata,differentversionsanddimensionsofthepilotRMG630a.Ourbrochure"GeneralOperatingInstructionsforGasPressureRegulatorsandSafetyDevices"willbeusefultofitthepilotintotheline,putitintoserviceandfindfaultsthatmightdisturbtheoperation.Theconstruction,set-up,supervisionandmaintenanceofgaspressureregulatingstationsaresubjecttospecialtechnicalruleswhichshouldbestrictlyobserved,inparticularthosegivenbytheDVGWWorksheetsG490,G491,andG495.ThefrequencyofperiodicalmaintenancetobeforeseenforthepilotRMG630ashouldbedeterminedaccordingtotheprevailingserviceconditionsandthetypeandcompositionofthegaseousmedium.We,therefore,abstainfromimposinganyfixedintervalsandwouldratherreferyoutotherecommendationsgivenbytheDVGWWorksheetG495.Formaintenanceallpartsaretobecleanedandsubjectedtoathoroughvisualinspection.Avisualinspectionshouldnotbeomittedwhenthecourseofoperationorperformancetestshaveshownlackofregulatingaccuracy.Particularcareshouldbegiventothecheckingofsealingsanddiaphragms,aswellasofallcarryingandmovableparts.Damagedpartsshouldbereplacedbynewones.Theitemnumbersreferredtointhemaintenanceinstructionsareidenticalwiththoseofsparepartsdrawingsandsparepartslists.Werecommendtokeepallpartsthatarespeciallymarkedinthesparepartslistsinstockforpromptmaintenanceavailability.630.20p.22.SpecialOperatingInstructions2.1Start-upvalveDependingonsize,thegaspressureregulatorsRMG402/502/503areprovidedwithastart-upvalvetofacilitateaquickpressurecompensationtobeeffectedattheregulationsdiaphragmuponpressurization.Thefollowingregulatorswilbeprovidedwithastart-upvalve:•Beforepressurizingopenthestart-upvalve.•Afterpressurizingclosethestart-upvalve.2.2AdjustingtheloadlimitingpressureRMG402RMG502/503fromDN50withpilotRMG630a/640fromDN80withpilotRMG620/630a/640DN80/150,100/200RMG502,503approx10-15barRMG402approx5-10barTheleveloftheadjustedloadlimitingpressureexertsagreatinfluenceontheregulatingaccuracyofthepilot.Intheordertoreachahighregulatingaccuracycombinedwithalowclosingpressuretheloadlimitingpressureshouldberaisedtosuchalevelaswouldnotprejudicetheoperationalstabilityofthegaspressureregulatingstation.Werecommendtosettheloadlimitingpressureasfollows:Loadlimitingsetpointlevelabovetheoutletpressurewithregulators3.SpecialmaintenanceInstructionsPre-formeddiaphragm(119,169,260)Whenfittingthediaphragmbesuretoobservethecorrectmountingpositionoftheloop(seesparepartsdrawingsofthepilotunitsonpagesS.11,S.13,S.15,S.17)Diaphragmplate(107,154,276)Whentighteningtheclosingcap(103,167),hexagonnut(123,280),andunionpiece(258)thediaphragmplateshouldbesecuredagainstdistorsionbyspannerSW24.loadlimitingpressuregaugemeasuringlinestart-upvalveloadlimitingpressuresetpointscrewoutletpressuresetpointscrewventlineinletpressuregaugedosingscrewPilotRMG630ableedlineMainRegulatorinletpressurepoutletpressurepeaFilterFig.1:BasicDiagramofPilotRMG630awithamainregulator.630.20p.3-DosingscrewThedosingscrewisdeliveredwithabasicadjustmentsetbyRMG.Forreducingtheamplificationturnthedosingscrewanti-clockwise.bleedlineon...

1、当您付费下载文档后,您只拥有了使用权限,并不意味着购买了版权,文档只能用于自身使用,不得用于其他商业用途(如 [转卖]进行直接盈利或[编辑后售卖]进行间接盈利)。
2、本站所有内容均由合作方或网友上传,本站不对文档的完整性、权威性及其观点立场正确性做任何保证或承诺!文档内容仅供研究参考,付费前请自行鉴别。
3、如文档内容存在违规,或者侵犯商业秘密、侵犯著作权等,请点击“违规举报”。

碎片内容

RMG调节阀手册

您可能关注的文档

确认删除?
VIP
微信客服
  • 扫码咨询
会员Q群
  • 会员专属群点击这里加入QQ群
客服邮箱
回到顶部