电脑桌面
添加小米粒文库到电脑桌面
安装后可以在桌面快捷访问

单片机控制直流电机VIP专享VIP免费

单片机控制直流电机_第1页
1/7
单片机控制直流电机_第2页
2/7
单片机控制直流电机_第3页
3/7
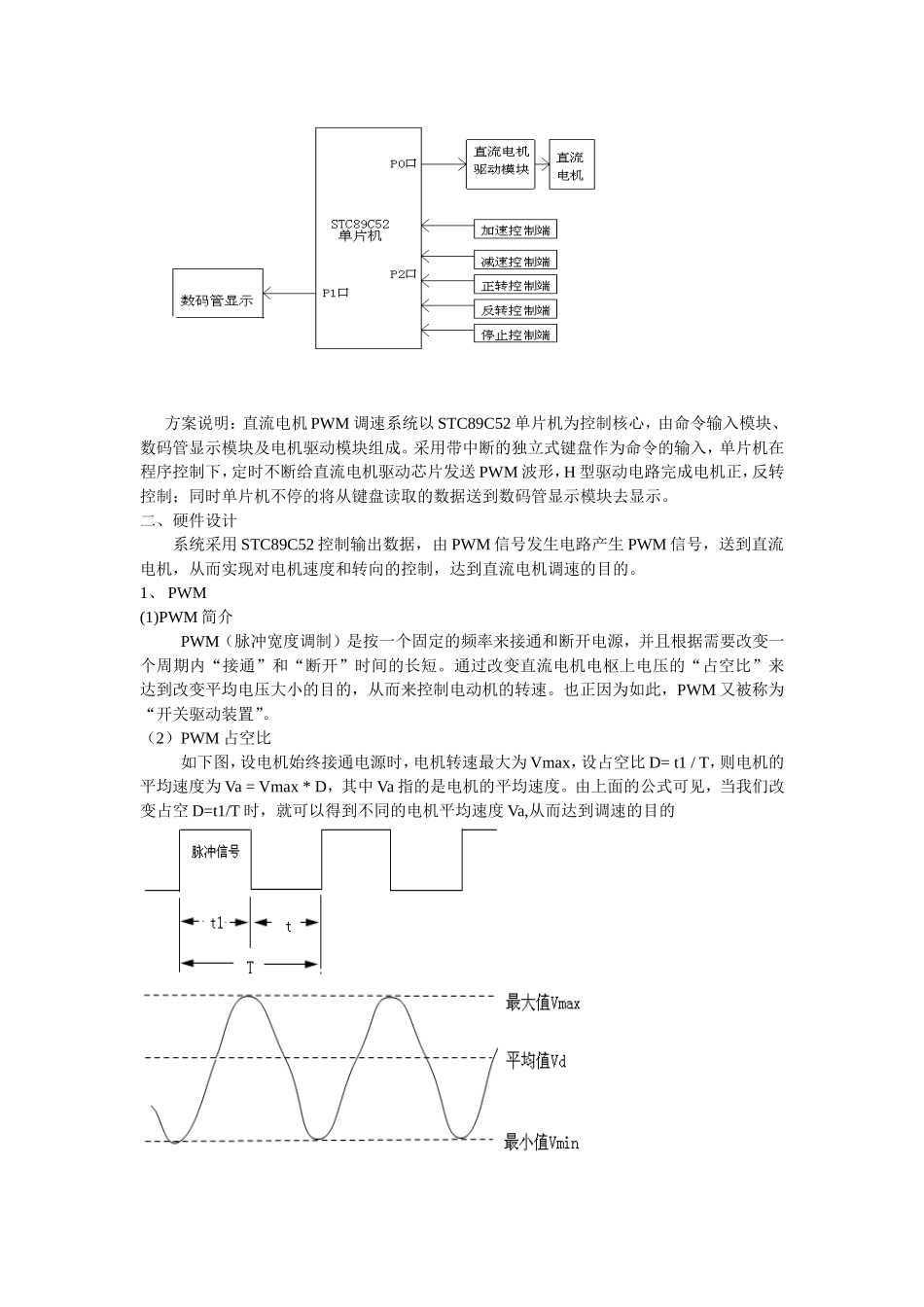
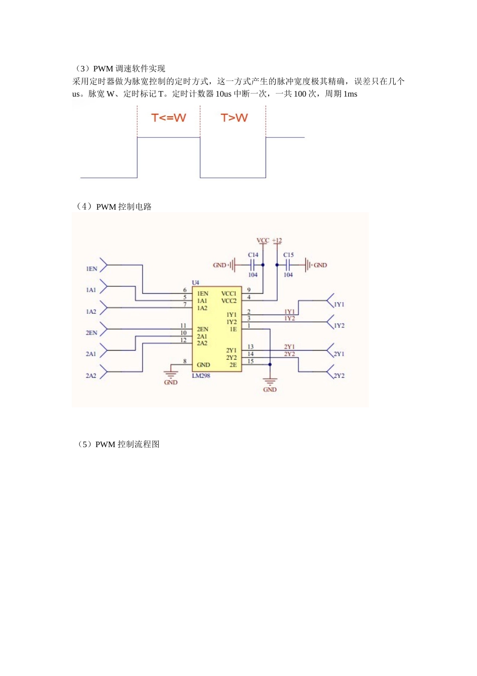
单片机控制直流电机直流电动机在交通、机械、纺织、航空等领域中已经得到广泛的应用。而以往直流电动机的控制只是简单的控制,很难进行调速,不能实现智能化。如今,直流电动机的调速控制已经离不开单片机的控制,单片机应用技术的飞速发展促进了自动控制技术的发展,使人类社会步入了自动化时代,单片机应用技术与其他学科领域交叉融合,促进了学科发展和专业更新,引发了新兴交叉学科与技术的不断涌现。现代科学技术的飞速发展,改变了世界,也改变了人类的生活。由于单片机的体积小、重量轻、功能强、抗干扰能力强、控制灵活、应用方便、价格低廉等特点,计算机性能的不断提高,单片机的应用也更加广泛特别是在各种领域的控制、自动化等方面。关键词:STC89C52PWM电机控制一、设计任务及任务分析1、任务要求本设计以STC89C52单片机为核心,以4*4矩阵键盘做为输入达到控制直流电机的启停、速度和方向,完成了基本要求和发挥部分的要求。在设计中,采用了PWM技术对电机进行控制,通过对占空比的计算达到精确调速的目的。利用STC89C52芯片进行低成本直流电动机控制系统的设计,能够简化系统构成、降低系统成本、增强系统性能、满足更多应用场合的需要。2、基本原理主体电路:即直流电机PWM控制模块。这部分电路主要由STC89C52单片机的I/O端口、定时计数器、外部中断扩展等控制直流电机的加速、减速以及电机的正转和反转,并且可以调整电机的转速,还可以方便的读出电机转速的大小和了解电机的转向,能够很方便的实现电机的智能控制。通过STC89C52单片机产生脉宽可调的脉冲信号并输入到L298驱动芯片来控制直流电机工作的。该直流电机PWM控制系统由以下电路模块组成:设计输入部分:这一模块主要是利用带中断的独立式键盘来实现。设计控制部分:主要由STC89C52单片机的外部中断扩展电路组成。设计显示部分:包括LED数码显示部分。数码显示部分由4个8位数码管显示模块组成。直流电机PWM控制实现部分:主要由一些二极管、电机和LM298直流电机驱动模块组成。3、总体设计框图系统组成:直流电机PWM调速方案下图所示:方案说明:直流电机PWM调速系统以STC89C52单片机为控制核心,由命令输入模块、数码管显示模块及电机驱动模块组成。采用带中断的独立式键盘作为命令的输入,单片机在程序控制下,定时不断给直流电机驱动芯片发送PWM波形,H型驱动电路完成电机正,反转控制;同时单片机不停的将从键盘读取的数据送到数码管显示模块去显示。二、硬件设计系统采用STC89C52控制输出数据,由PWM信号发生电路产生PWM信号,送到直流电机,从而实现对电机速度和转向的控制,达到直流电机调速的目的。1、PWM(1)PWM简介PWM(脉冲宽度调制)是按一个固定的频率来接通和断开电源,并且根据需要改变一个周期内“接通”和“断开”时间的长短。通过改变直流电机电枢上电压的“占空比”来达到改变平均电压大小的目的,从而来控制电动机的转速。也正因为如此,PWM又被称为“开关驱动装置”。(2)PWM占空比如下图,设电机始终接通电源时,电机转速最大为Vmax,设占空比D=t1/T,则电机的平均速度为Va=Vmax*D,其中Va指的是电机的平均速度。由上面的公式可见,当我们改变占空D=t1/T时,就可以得到不同的电机平均速度Va,从而达到调速的目的(3)PWM调速软件实现采用定时器做为脉宽控制的定时方式,这一方式产生的脉冲宽度极其精确,误差只在几个us。脉宽W、定时标记T。定时计数器10us中断一次,一共100次,周期1ms(4)PWM控制电路(5)PWM控制流程图2、硬件连接三、软件设计1、直流电机控制程序#include//52单片机头文件#defineuintunsignedint//宏定义#defineucharunsignedchar//宏定义sbitdianji=P1^7;//控制电机的I/O口定义sbitjia_key=P3^6;//加速键sbitjian_key=P3^7;//减速键unsignedcharnum=0,gao_num,di_num;//高电平、低电平延时次数/*延时子程序*/voiddelay(unsignedintz){unsignedintx,y;for(x=z;x>0;x--)for(y=114;y>0;y--);}/*按键检测处理子程序*/voidkey(){if(jia_key==0){delay(5);//消抖if(jia_key==0){num++;//加速键按下,速度标志加1if(num==4)num=4;//已经达到最大3,速度最大,...

1、当您付费下载文档后,您只拥有了使用权限,并不意味着购买了版权,文档只能用于自身使用,不得用于其他商业用途(如 [转卖]进行直接盈利或[编辑后售卖]进行间接盈利)。
2、本站所有内容均由合作方或网友上传,本站不对文档的完整性、权威性及其观点立场正确性做任何保证或承诺!文档内容仅供研究参考,付费前请自行鉴别。
3、如文档内容存在违规,或者侵犯商业秘密、侵犯著作权等,请点击“违规举报”。

碎片内容

单片机控制直流电机

您可能关注的文档

确认删除?
VIP
微信客服
  • 扫码咨询
会员Q群
  • 会员专属群点击这里加入QQ群
客服邮箱
回到顶部