电脑桌面
添加小米粒文库到电脑桌面
安装后可以在桌面快捷访问

2019届中考物理一轮复习试题_电阻和滑动变阻器_含答案VIP免费

2019届中考物理一轮复习试题_电阻和滑动变阻器_含答案_第1页
1/4
2019届中考物理一轮复习试题_电阻和滑动变阻器_含答案_第2页
2/4
2019届中考物理一轮复习试题_电阻和滑动变阻器_含答案_第3页
3/4
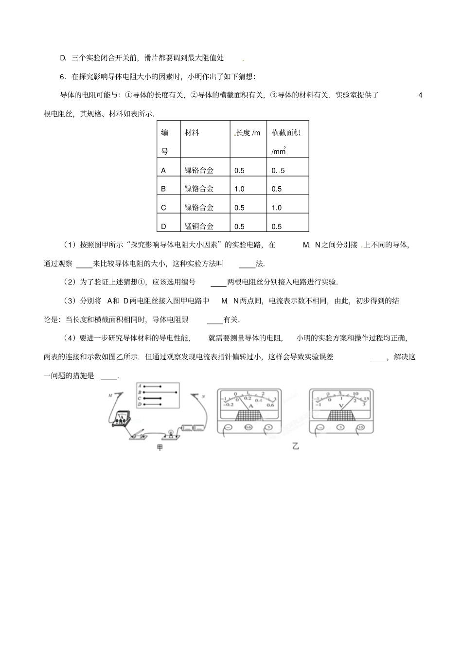
电阻和滑动变阻器课后作业1.如图所示,当滑片P向右移动时,滑动变阻器连入电路的电阻变小的是()A.B.C.D.2.在探究一个用电器中电流随电压变化关系时,小明连接好的电路如图所示,闭合开关,发现电流表、电压表均有示数,调节滑动电阻器,电流表、电压表示数都不变化,小明连接的电路有不妥之处,改正的方法是()A.将导线K的a端移至接线柱AB.将导线M的c端移至接线柱BC.将导线M的c端移至接线柱DD.将导线L的b端移至接线柱D3.两个导体并联后的总电阻小于其中任何一个导体的电阻,因为并联相当于()A.减小了导体长度B.减小了导体横截面积C.增大了导体长度D.增大了导体横截面积4.如图所示,长度相同、横截面积不同的同种金属棒AB和CD连接在一起后接在电源两端.关于AB和CD的电阻R及两端电压U的判断,正确的是()A.RAB>RCD,UAB<UCDB.RAB<RCD,UAB<UCDC.RAB>RCD,UAB>UCDD.RAB<RCD,UAB>UCD5.下面三个电学实验:a、探究电流与电压的关系;b、探究电流与电阻的关系;c、伏安法测电阻都要用到滑动变阻器,关于滑动变阻器,下列说法错误的是()A.三个实验中,它都起保护电路的作用B.三个实验中,它都起改变部分电路两端电压的作用C.三个实验中,它都起完成多次测量求平均值的作用D.三个实验闭合开关前,滑片都要调到最大阻值处6.在探究影响导体电阻大小的因素时,小明作出了如下猜想:导体的电阻可能与:①导体的长度有关,②导体的横截面积有关,③导体的材料有关.实验室提供了4根电阻丝,其规格、材料如表所示.编号材料长度/m横截面积/mm2A镍铬合金0.50.5B镍铬合金1.00.5C镍铬合金0.51.0D锰铜合金0.50.5(1)按照图甲所示“探究影响导体电阻大小因素”的实验电路,在M、N之间分别接上不同的导体,通过观察来比较导体电阻的大小,这种实验方法叫法.(2)为了验证上述猜想①,应该选用编号两根电阻丝分别接入电路进行实验.(3)分别将A和D两电阻丝接入图甲电路中M、N两点间,电流表示数不相同,由此,初步得到的结论是:当长度和横截面积相同时,导体电阻跟有关.(4)要进一步研究导体材料的导电性能,就需要测量导体的电阻,小明的实验方案和操作过程均正确,两表的连接和示数如图乙所示.但通过观察发现电流表指针偏转过小,这样会导致实验误差,解决这一问题的措施是.电阻和滑动变阻器参考答案1.解:A、图中接A、C接线柱;故当滑片向右移动时,连入电路的电阻丝的长度变大,连入电路的电阻变大,故A不符合题意.B、图中接A、D接线柱;故当滑片向右移动时,连入电路的电阻丝的长度变大,连入电路的电阻变大,故B不符合题意.C、图中接A、B接线柱;故当滑片向右移动时,连入电路的电阻丝的长度不变,连入电路的电阻不变,故C不符合题意.D、图中接B、C接线柱;故当滑片向右移动时,连入电路的电阻丝的长度变小,连入电路的电阻变小,故D符合题意.故选D.2.解:A、将导线K的a端移至接线柱A时,滑动变阻器可以改变用电器两端的电压,但电压表测电源的电压示数不变,不能进行实验探究,故A不可行;B、将导线M的c端移至接线柱B时,电压表测用电器两端的电压,通过移动滑片可以改变用电器两端的电压,进行实验探究,故B可行;C、将导线M的c端移至接线柱D时,滑动变阻器被断路,不能改变用电器两端的电压,无法进行实验探究,故C不可行;D、将导线L的b端移至接线柱D时,滑动变阻器被断路,不能改变用电器两端的电压,无法进行实验探究,故D不可行.故选B.3.解:导体的电阻取决于导体的长度、材料和横截面积,同种材料的导体越长、横截面积越小,导体的电阻越大;两个电阻并联,相当于增加了导体的横截面积,总电阻要变小,并且比任何一个电阻都小,故D正确.故选D.4.解:(1)因为导体AB和CD由同种材料制成、长度相同,由图可知,导体AB横截面积比CD的小,所以RAB>RCD;(2)因为两段导体串联,所以通过两导体的电流相等,即IAB=ICD;由U=IR可知,UAB>UCD;故C正确.故选C.5.解:在探究电流与电压的关系、探究电流与电阻的关系、伏安法测电阻的实验中:(1)在闭合开关前,滑动变阻器的滑片都要调到最大阻值处,起到保护电路的作用;故AD...

1、当您付费下载文档后,您只拥有了使用权限,并不意味着购买了版权,文档只能用于自身使用,不得用于其他商业用途(如 [转卖]进行直接盈利或[编辑后售卖]进行间接盈利)。
2、本站所有内容均由合作方或网友上传,本站不对文档的完整性、权威性及其观点立场正确性做任何保证或承诺!文档内容仅供研究参考,付费前请自行鉴别。
3、如文档内容存在违规,或者侵犯商业秘密、侵犯著作权等,请点击“违规举报”。

碎片内容

2019届中考物理一轮复习试题_电阻和滑动变阻器_含答案

您可能关注的文档

确认删除?
VIP
微信客服
  • 扫码咨询
会员Q群
  • 会员专属群点击这里加入QQ群
客服邮箱
回到顶部