电脑桌面
添加小米粒文库到电脑桌面
安装后可以在桌面快捷访问

人身伤害应急预案(钻井队)VIP免费

人身伤害应急预案(钻井队)_第1页
1/6
人身伤害应急预案(钻井队)_第2页
2/6
人身伤害应急预案(钻井队)_第3页
3/6
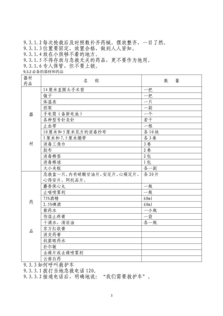
1目的为了及时救护和抢救员工生命,保障钻井队员工的身体健康、生命安全,制定本应急预案。2范围本应急预案适用于钻井队施工现场发生的人身伤害的应急工作。3单位概况(见附录)4应急小组机构及职责4.1应急小组人员组成组长:井队长副组长:副队长成员:安全员工程师工长司机长泥浆组长卫生员4.2应急指挥小组职责4.2.1现场采取有效措施和医疗保障,控制事故事态的发展。4.2.2根据伤者受伤程度,决定送往哪家医院。4.2.3搜集事故情况,上报公司应急领导小组。4.2.4对于严重伤害事故,不准破坏现场,未得到应急领导小组允许之前与事故有关的任何作业都不能进行。4.2.5向应急指挥中心随时汇报伤者最新情况;向医疗机构提供真实的资料。5应急准备5.1应急物资准备5.1.1现场配备急救箱,急救箱管理见附表。5.1.2保持通讯工具的畅通。(应急通讯录见附表)5.2紧急服务信息5.2.1医疗急救电话:所在地1205.3.2所在地油田、地方医院,急诊电话:黄河钻井总公司HSE管理体系钻井应急预案编号:HHSEZJYA05-2004日期:2007.01.15编写人:2007年01月25日批准人:年月日人身伤害应急预案(钻井队)版本:1页数:91最近的公路线:井场医院(指出明显标志)。6应急程序当施工现场发生人身伤害事故时,应进行以下应急行为:6.1发生伤害事故后,目击者首先呼救,迅速通知应急小组,应急小组长应对事故的情况和伤者的伤情进行核实,确定患者受伤程度,选择是送医院急救还是进行简单的医疗处理。6.2不需上医院治疗者,立即采取现有条件下的自救;需上医院治疗者,应一方面组织自救,同时立即将伤者送往就近的医疗机构或报请当地医疗机构救助,(如何呼叫救护车见附表),待伤情稳定后转正规油田医院治疗。6.3当发生重伤事故时,应急小组长应立即组织应急小组将伤者送至就近医院;或拨打120急救电话,并向其说明行车路线及伤者受伤简况;同时将事故简况(见附表)报应急领导小组,并随时与之保持联系。6.4当发生死亡事故时,应急小组应立即向应急领导小组汇报简况,安排人员保护现场,在未得到应急指挥中心允许的情况下不得破坏现场,并协助应急指挥中心人员对事故进行调查分析,编写事故报告及时上报。6.5事故调查完毕后,按上级要求,及时组织善后工作和恢复生产。7应急预案的演练本应急预案应至少每年演练2次。不断地总结经验,补充和完善应急预案。8记录8.1应急演习纪录。8.2应急总结报告。9附录9.1应急通讯录(见附录)。9.2事故简况表单位事故具体地点事故发生时间事故原因事故类型大致伤亡情况联系人电话号码所送医院名称9.3急救箱管理9.3.1注意事项9.3.1.1定期更换药品,定期消毒敷料与器械。29.3.1.2每次抢救后及时照数补齐药械,摆放整齐,一目了然。9.3.1.3位置要固定,放置合格,做到人人皆知。9.3.1.4放在小孩够不着的地方。9.3.1.5不得存放与急救无关的药品,更不要作为他用。9.3.1.6专人保管,但不要上锁。9.3.2必备的器材和药品器材药品名称数量器材14厘米直圆头手术剪一把镊子一把体温表一只担架一副手电筒(备新电池)一个各种型号针灸针若干止血带一根10厘米和5厘米见方的消毒纱布各10块5厘米和7.5厘米绷带各3卷消毒三角巾3卷胶布2卷消毒棉签2包消毒棉球1包大小夹板各一副药品急救盒一只,内有硝酸甘油片、安定片、心痛定片、心得安片、阿托品片、各20片麝香保心丸一瓶止喘喷雾剂一瓶75%酒精60ml2.5%碘酒60ml紫药水一小瓶伤湿止疼膏一袋十滴水、清凉油各一瓶京万红软膏消炎药膏抗菌眼药水扑尔敏去痛片或去痛喷雾剂云南白药9.3.3如何呼叫救护车9.3.3.1拨打当地急救电话120。9.3.3.2接通电话后,明确地说:“我们需要救护车”。39.3.3.3告诉对方自己所处的明确位置及附近明显的标志。9.3.3.4说明事故或病情的具体情况(包括时间、地点、何人、何事、何种结果)9.3.3.5留下自己电话号及姓名。9.3.3.6全部说明完毕后,到显眼的地方等候救护车,并为救护车指路。9.3.3.7救护车到达后,向医护人员说明患者病情的变化及所采取的急救措施。9.4现场急救的基本方法:(见HSE培训教材)9.4.1心肺复苏术9.4.2现场止血9.4.3现场包扎9.4.4骨折的固定9.4.5呼吸道异物阻塞的抢救9.4.6伤员的运送9.4.7断肢...

1、当您付费下载文档后,您只拥有了使用权限,并不意味着购买了版权,文档只能用于自身使用,不得用于其他商业用途(如 [转卖]进行直接盈利或[编辑后售卖]进行间接盈利)。
2、本站所有内容均由合作方或网友上传,本站不对文档的完整性、权威性及其观点立场正确性做任何保证或承诺!文档内容仅供研究参考,付费前请自行鉴别。
3、如文档内容存在违规,或者侵犯商业秘密、侵犯著作权等,请点击“违规举报”。

碎片内容

人身伤害应急预案(钻井队)

确认删除?
VIP
微信客服
  • 扫码咨询
会员Q群
  • 会员专属群点击这里加入QQ群
客服邮箱
回到顶部