电脑桌面
添加小米粒文库到电脑桌面
安装后可以在桌面快捷访问

51单片机毕设参考文献VIP免费

51单片机毕设参考文献_第1页
1/23
51单片机毕设参考文献_第2页
2/23
51单片机毕设参考文献_第3页
3/23
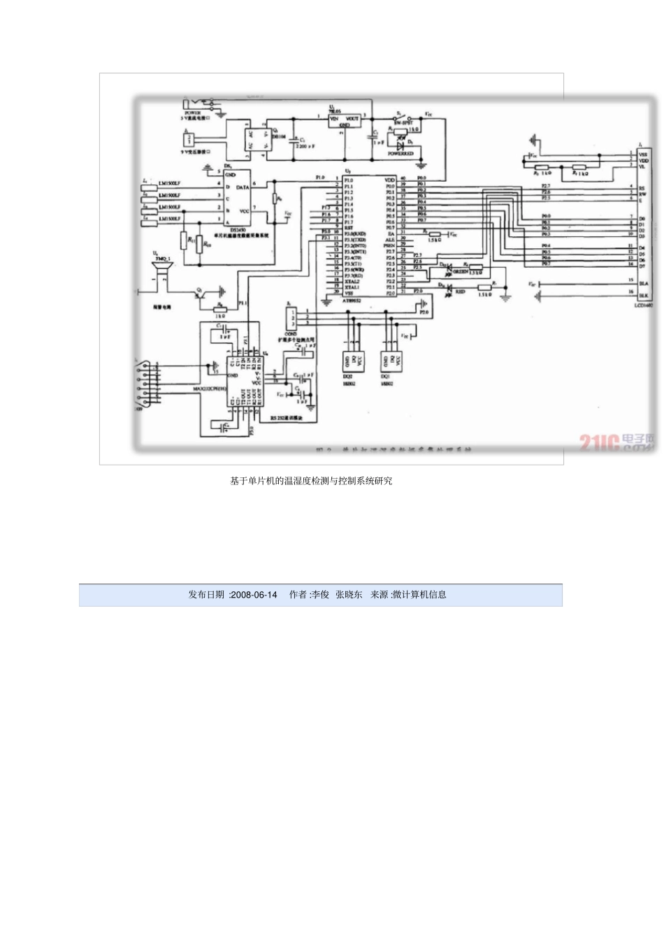
基于单片机的大棚温湿度控制系统设计发布:2011-9-1|作者:——|来源:caiminghao|查看:530次|用户关注:摘要:针对研究蔬菜大棚智能温湿度控制,设计了一种基于计算机自动控制的智能蔬菜大棚温湿度控制系统。详细阐述了该系统的温湿度采集、温湿度显示、控制系统等系统软硬件的设计思想,以DS18B20和HM1500LF作为温湿度传感器,以AT89S52单片机为系统核心,最后利用DELPHI软件进行系统仿真。该研究设计的蔬菜大棚智能温湿度控制系统人机界面良好,操作简单方便,自动化程度高,造价低廉,具有良好的应用前景和推广价值。关键词:温度采摘要:针对研究蔬菜大棚智能温湿度控制,设计了一种基于计算机自动控制的智能蔬菜大棚温湿度控制系统。详细阐述了该系统的温湿度采集、温湿度显示、控制系统等系统软硬件的设计思想,以DS18B20和HM1500LF作为温湿度传感器,以AT89S52单片机为系统核心,最后利用DELPHI软件进行系统仿真。该研究设计的蔬菜大棚智能温湿度控制系统人机界面良好,操作简单方便,自动化程度高,造价低廉,具有良好的应用前景和推广价值。关键词:温度采集;湿度采集;LCD显示;单片机0引言植物的生长都是在一定的环境中进行的,在生长过程中受到环境中各种因素的影响,其中影响最大的是温度和湿度。若昼夜的温度和湿度变化很大,其对植物生长极为不利。因此必须对温度和湿度进行监测和控制,使其适合植物的生长,以提高其产量和质量。本系统就是针对大棚内温度、湿度,研究单片机控制的温室大棚自动控制,综合考虑系统的精度、效率以及经济性要求多方面因素之后,设计一种基于计算机自动控制的大棚温湿度控制系统。本系统实现的蔬菜大棚温湿度控制系统的目标功能如下:(1)系统能对大棚环境温湿度进行采集和显示(现场观温、湿度,软件记录)。(2)能通过上位机端远程设定蔬菜的生长期适宜温湿度。由主控机统一设置系统时间和温度湿度修正值。(3)当大棚的环境温湿度参数超过设定的上下限值时控制相应的系统启动。(4)可实时显示当前温度、时间、报警阈值等信息,并可查询各时间段的温湿度情况,并加以控制。1系统各组成模块本系统通过温度传感器DS18B20采集温度,HM1500LF采集湿度,经过含有单片机的检测系统的进一步分析处理,通过通信线路将信息上行到PC机,在PC机上可对温湿度信号进行任何分析、处理。用户可以通过下位机中的键盘输入温湿度的上下限值和预置值,也可以通过上位机进行输入,从而实现上位机对大棚内作物生长的远程控制。如果环境的实时参数超越上下限值,系统自动启动执行机构调节大棚内温度和湿度状态,直到温湿度状态处于上下限值内为止。如果有预置初值,且与当前状态不相等时,系统也会启动执行机构实时动态调节温湿度状态,直到所处的平衡状态与预置值相等为止。上位机即PC机使用DELPHI软件编写的一个数据库管理系统,可直接设置温度的上下限值和读取下位机的数据,并对下位机内的控制设备进行操作,调节大棚内温湿度状态。形成作物生长的走势图,从而通过生长走势图得出适合各种作物生长的最佳环境参数条件,为今后的温室种植提供参考。上下位机之间通过符合串行总线RS232标准的通信通道以事先约定的协议进行通信。系统原理图如图1所示。2总体电路及工作过程说明使用智能温度传感器DS18B20进行组网来测量各个采集点的温度,HM1500LF来采集湿度,单片机AT89S52作为该系统的处理核心,单片机根据温湿度传感器检测到的数据,把各个测量点的温湿度存储并显示在LCD液晶显示器上,同时显示在PC机上。3数据采集模块本模块主要采用DS18B20采集温度,HM1500LF采集湿度,由单片机AT89S52作总的控制并显示与传输。具体原理图如图2所示。基于单片机的温湿度检测与控制系统研究发布日期:2008-06-14作者:李俊张晓东来源:微计算机信息摘要:单片机在检测和控制系统中得到广泛的应用,温、湿度则是系统常需要测量、控制和保持的量。文中介绍了一种基于ATA9C51的单片机的温度和湿度检测与控制的方案,针对被测对象的温度与湿度在不同变化范围需要不同的PID参数的特点,根据检测温度和湿度自动选择合适的一组PID参数进行控制的方案,整个设计简明、清晰。关键词:单片机AT...

1、当您付费下载文档后,您只拥有了使用权限,并不意味着购买了版权,文档只能用于自身使用,不得用于其他商业用途(如 [转卖]进行直接盈利或[编辑后售卖]进行间接盈利)。
2、本站所有内容均由合作方或网友上传,本站不对文档的完整性、权威性及其观点立场正确性做任何保证或承诺!文档内容仅供研究参考,付费前请自行鉴别。
3、如文档内容存在违规,或者侵犯商业秘密、侵犯著作权等,请点击“违规举报”。

碎片内容

51单片机毕设参考文献

您可能关注的文档

文库当当响+ 关注
实名认证
内容提供者

该用户很懒,什么也没介绍

确认删除?
VIP
微信客服
  • 扫码咨询
会员Q群
  • 会员专属群点击这里加入QQ群
客服邮箱
回到顶部