电脑桌面
添加小米粒文库到电脑桌面
安装后可以在桌面快捷访问

高中化学 第四章第四节第二课时训练全程跟踪 新人教版必修1VIP免费

高中化学 第四章第四节第二课时训练全程跟踪 新人教版必修1_第1页
1/6
高中化学 第四章第四节第二课时训练全程跟踪 新人教版必修1_第2页
2/6
高中化学 第四章第四节第二课时训练全程跟踪 新人教版必修1_第3页
3/6
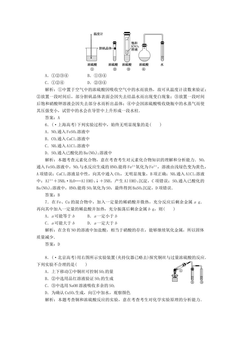
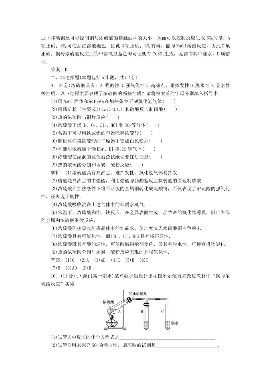
【创新方案】高中化学第四章第四节第二课时训练全程跟踪新人教版必修1(时间45分钟,满分100分)一、选择题(本题包括8小题,每小题6分,共48分)1.如图小试管中盛有几毫升水,与大试管连通的U形细玻璃管内放有少量水(已染成红色).如沿小试管壁小心地慢慢注入3mL浓硫酸,静置片刻后,U形细玻璃管中可观察到的液面现象是()A.左高右低B.左低右高C.左右一样高D.来回振动解析:浓硫酸溶于水时,放出大量的热,使被封闭气体的体积膨胀,从而使U形管左侧液面下降,右侧液面上升.答案:B2.(·长郡中学高一期末)下列反应中,硝酸既表现了氧化性又表现了酸性的是()A.C+浓HNO3B.Cu+稀HNO3C.CuO+浓HNO3D.NaOH+HNO3解析:浓HNO3与C反应只表现氧化性,与CuO,NaOH反应只表现酸性,与Cu反应生成NO2表现氧化性,生成Cu(NO3)2表现酸性.答案:B3.(·南京六中高一期末)下列有关浓硫酸的叙述正确的是()A.浓硫酸具有吸水性,因而能使蔗糖炭化B.浓硫酸在常温下可迅速与铜片反应放出二氧化硫气体C.浓硫酸是一种干燥剂,能够干燥氨气、氢气等气体D.浓硫酸在常温下能够使铁、铝等金属钝化解析:浓硫酸使蔗糖炭化表现了浓硫酸的脱水性,A错误.浓硫酸与铜片的反应需要加热,在常温下不反应,B错误.浓硫酸是一种干燥剂,但是它是具有强氧化性的酸性干燥剂,所以不能干燥碱性气体氨气,C错误.答案:D4.下列关于浓HNO3和浓H2SO4的叙述中正确的是()A.常温下都可用铝制容器贮存B.露置在空气中,容器内酸液的质量都减轻C.常温下都能与铜较快反应D.露置在空气中,容器内酸液的浓度都增大解析:浓硫酸吸水增重,浓硫酸常温下与Cu不反应,露置在空气中,浓度都减小.答案:A5.(·临沂期中)在实验探究课上,同学们积极思考,共设计出下图所示的四种实验方案用以验证浓硫酸的吸水性,其中在理论上可行的是()A.①②③④B.①③④C.①②④D.②③④解析:①中置于空气中的浓硫酸因吸收空气中的水而放热,故可从温度计读数来验证;②放置一段时间后,部分胆矾晶体表面会因失去结晶水而出现变白现象;③放置一段时间后饱和硝酸钾溶液会因失去部分水而析出晶体;④中会因浓硫酸吸收烧瓶中的水蒸气而使其压强变小,试管中的水会在导管中上升形成一段水柱.答案:A6.(·上海高考)下列实验过程中,始终无明显现象的是()A.NO2通入FeSO4溶液中B.CO2通入CaCl2溶液中C.NH3通入AlCl3溶液中D.SO2通入已酸化的Ba(NO3)2溶液中解析:本题考查元素化合物,意在考查考生对元素化合物知识的理解和分析能力.NO2通入FeSO4溶液中,NO2与水反应生成的HNO3能将Fe2+氧化为Fe3+,溶液由浅绿色变为黄色,A项错误;CaCl2溶液显中性,向其中通入CO2,无明显现象,B项正确;NH3通入AlCl3溶液中:Al3++3NH3·H2O===Al(OH)3↓+3NH,产生Al(OH)3沉淀,C项错误;SO2通入已酸化的Ba(NO3)2溶液中,HNO3能将SO2氧化为SO,最终得到BaSO4沉淀,D项错误.答案:B7.在Fe、Cu的混合物中,加入一定量的稀硝酸并微热,充分反应后剩余金属ag.再向其中加入一定量的稀盐酸并加热,充分振荡后剩余金属bg,则()A.a可能等于bB.a一定小于bC.a可能大于bD.a一定大于b解析:在含有NO的溶液中加盐酸,相当于硝酸的存在,能够继续氧化金属,所以固体质量减少.答案:D8.(·北京高考)用右图所示实验装置(夹持仪器已略去)探究铜丝与过量浓硫酸的反应.下列实验不合理的是()A.上下移动①中铜丝可控制SO2的量B.②中选用品红溶液验证SO2的生成C.③中选用NaOH溶液吸收多余的SO2D.为确认CuSO4生成,向①中加水,观察颜色解析:本题考查铜和浓硫酸反应的实验,意在考查考生对化学实验原理的分析能力.上下移动铜丝可以控制铜与浓硫酸的接触面积的大小,从而可以控制反应生成SO2的量,A项正确;SO2可使品红溶液褪色,因此B项正确;SO2有毒,能与NaOH溶液反应,因此C项正确;铜与浓硫酸反应后①中溶液显蓝色即可证明有CuSO4生成,无需向其中加水,D项错误.答案:D二、非选择题(本题包括5小题,共52分)9.(9分)浓硫酸具有:A.强酸性B.强氧化性C.高沸点、难挥发性D.脱水性E.吸水性等性质.以下过程主要表现了浓硫酸的哪些性质?请将答案前...

1、当您付费下载文档后,您只拥有了使用权限,并不意味着购买了版权,文档只能用于自身使用,不得用于其他商业用途(如 [转卖]进行直接盈利或[编辑后售卖]进行间接盈利)。
2、本站所有内容均由合作方或网友上传,本站不对文档的完整性、权威性及其观点立场正确性做任何保证或承诺!文档内容仅供研究参考,付费前请自行鉴别。
3、如文档内容存在违规,或者侵犯商业秘密、侵犯著作权等,请点击“违规举报”。

碎片内容

高中化学 第四章第四节第二课时训练全程跟踪 新人教版必修1

文章天下+ 关注
实名认证
内容提供者

各种文档应有尽有

确认删除?
VIP
微信客服
  • 扫码咨询
会员Q群
  • 会员专属群点击这里加入QQ群
客服邮箱
回到顶部