电脑桌面
添加小米粒文库到电脑桌面
安装后可以在桌面快捷访问

如何在能效标识网上查找空气压缩机或其它产品比功耗数据VIP免费

如何在能效标识网上查找空气压缩机或其它产品比功耗数据_第1页
1/15
如何在能效标识网上查找空气压缩机或其它产品比功耗数据_第2页
2/15
如何在能效标识网上查找空气压缩机或其它产品比功耗数据_第3页
3/15
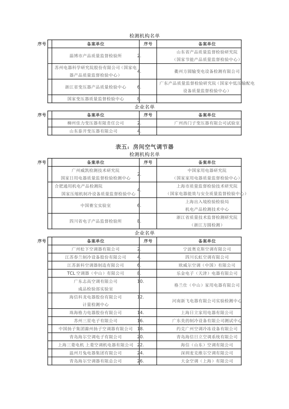
如何在能效标识网上查找空气压缩机或其它产品比功耗数据:1)在能效标识网上点开“实验室备案公告”一栏http://www.energylabel.gov.cn/NewsDetail.aspx?ID=523,查出并copy准确的生产者名称,或者在以下“能效标识能源效率检测实验室备案通过名单”中copy。2)点开能效标识网的“产品备案信息公告”一栏,3)第一个选项框内选择“容积式空气压缩机”或其它类型,4)第二个选项框内选择“生产者”,5)粘贴压缩机生产者名称到生产者后的选项框内,6)在其中查找相关型号机器比功耗数据。能效标识能源效率检测实验室备案通过名单更新日期:2011年8月26日表一:平板电视检测机构名单序号备案单位序号备案单位北京泰瑞特检测技术服务有限公司(国家广播电视产品质量监督检验中心)2.国家数字音视频及多媒体产品质量监督检验中心(信息产业部数字电视标准符合性检测中心北京出入境检验检疫局机电产品检测中心4.江苏省电子信息产品质量监督检验研究院广州威凯检测技术研究院国家日用电器质量监督检验检测中心6.中国赛宝实验室广州市惠晟检测技术服务有限公司8.上海市质量监督检验技术研究院(国家电器能效与安全质量监督检验中心)深圳电子产品质量检测中心10.广东省电子电器产品监督检验所福建省产品质量检验研究院12.企业名单序号备案单位序号备案单位青岛海尔电子有限公司计测中心2.四川长虹电器股份有限公司检测校准实验室青岛海信电器股份有限公司4.苏州冠捷科技有限公司福建捷联电子有限公司6.冠捷显示科技(厦门)有限公司天津三星电子有限公司8.TCL集团股份有限公司产品认证实验室南京LG新港显示有限公司10.高创(苏州)电子有限公司熊猫电子集团有限公司12.群康科技(深圳)有限公司合肥海尔信息产品有限公司测试中心14.康佳集团股份有限公司南京夏普电子有限公司16.厦门华侨电子股份有限公司电子产品检测中心表二:微波炉检测机构名单序号备案单位序号备案单位广州威凯检测技术研究院国家日用电器质量监督检验检测中心2.广州市惠晟检测技术服务有限公司中国家用电器研究院(国家家用电器质量监督检验中心)4.上海市质量监督检验技术研究院(国家电器能效与安全质量监督检验中心)企业名单序号备案单位序号备案单位广东格兰仕集团有限公司实验室2.广东美的微波电器制造有限公司合肥荣事达三洋电器股份有限公司4.中山东菱威力电器有限公司表三:通风机检测机构名单序号备案单位序号备案单位江苏省质量技术监督电机产品质量检验站(南通市技术监督中小型电机产品质量检验站)2.江苏出入境检验检疫局能效检测中心合肥通用机电产品检测院(国家压缩机制冷设备质量监督检验中心)4.浙江省质量技术监督检测研究院(浙江方圆检测)浙江省机电产品质量检测所6.淄博市周村区计量测试所德州市产品质量监督检验所(山东省玻璃钢及制品质量监督检验中心)8.机械工业风机产品质量监督检测中心(沈阳鼓风机研究所(有限公司)风机检验实验室)企业名单序号备案单位序号备案单位浙江金盾风机风冷设备有限公司2.广东肇庆德通有限公司浙江亿利达风机股份有限公司4.西安陕鼓动力股份有限公司浙江双阳风机有限公司检测中心6.浙江上风实业股份有限公司风机检测中心表四:电力变压器检测机构名单序号备案单位序号备案单位淄博市产品质量监督检验所2.山东省产品质量监督检验研究院(国家节能产品质量监督检验中心)苏州电器科学研究院股份有限公司(国家电器产品质量监督检验中心)4.衢州方圆输变电设备检测有限公司浙江省变压器产品质量检验中心6.广东产品质量监督检验研究院(国家中低压输配电设备质量监督检验中心)国家变压器质量监督检验中心8.企业名单序号备案单位序号备案单位柳州佳力变压器有限责任公司2.广州西门子变压器有限公司试验室山东泰开变压器有限公司4.表五:房间空气调节器检测机构名单序号备案单位序号备案单位广州威凯检测技术研究院国家日用电器质量监督检验检测中心2.中国家用电器研究院(国家家用电器质量监督检验中心)合肥通用机电产品检测院国家压缩机制冷设备质量监督检验中心4.上海市质量监督检验技术研究院(国家电器能效与安全质量监督检验中心)中国赛宝实验室6.上海出入境检验检验...

1、当您付费下载文档后,您只拥有了使用权限,并不意味着购买了版权,文档只能用于自身使用,不得用于其他商业用途(如 [转卖]进行直接盈利或[编辑后售卖]进行间接盈利)。
2、本站所有内容均由合作方或网友上传,本站不对文档的完整性、权威性及其观点立场正确性做任何保证或承诺!文档内容仅供研究参考,付费前请自行鉴别。
3、如文档内容存在违规,或者侵犯商业秘密、侵犯著作权等,请点击“违规举报”。

碎片内容

如何在能效标识网上查找空气压缩机或其它产品比功耗数据

您可能关注的文档

文泉书屋+ 关注
实名认证
内容提供者

热爱教学事业,对互联网知识分享很感兴趣

确认删除?
VIP
微信客服
  • 扫码咨询
会员Q群
  • 会员专属群点击这里加入QQ群
客服邮箱
回到顶部