电脑桌面
添加小米粒文库到电脑桌面
安装后可以在桌面快捷访问

EPS涂料施工方案VIP免费

EPS涂料施工方案_第1页
1/15
EPS涂料施工方案_第2页
2/15
EPS涂料施工方案_第3页
3/15
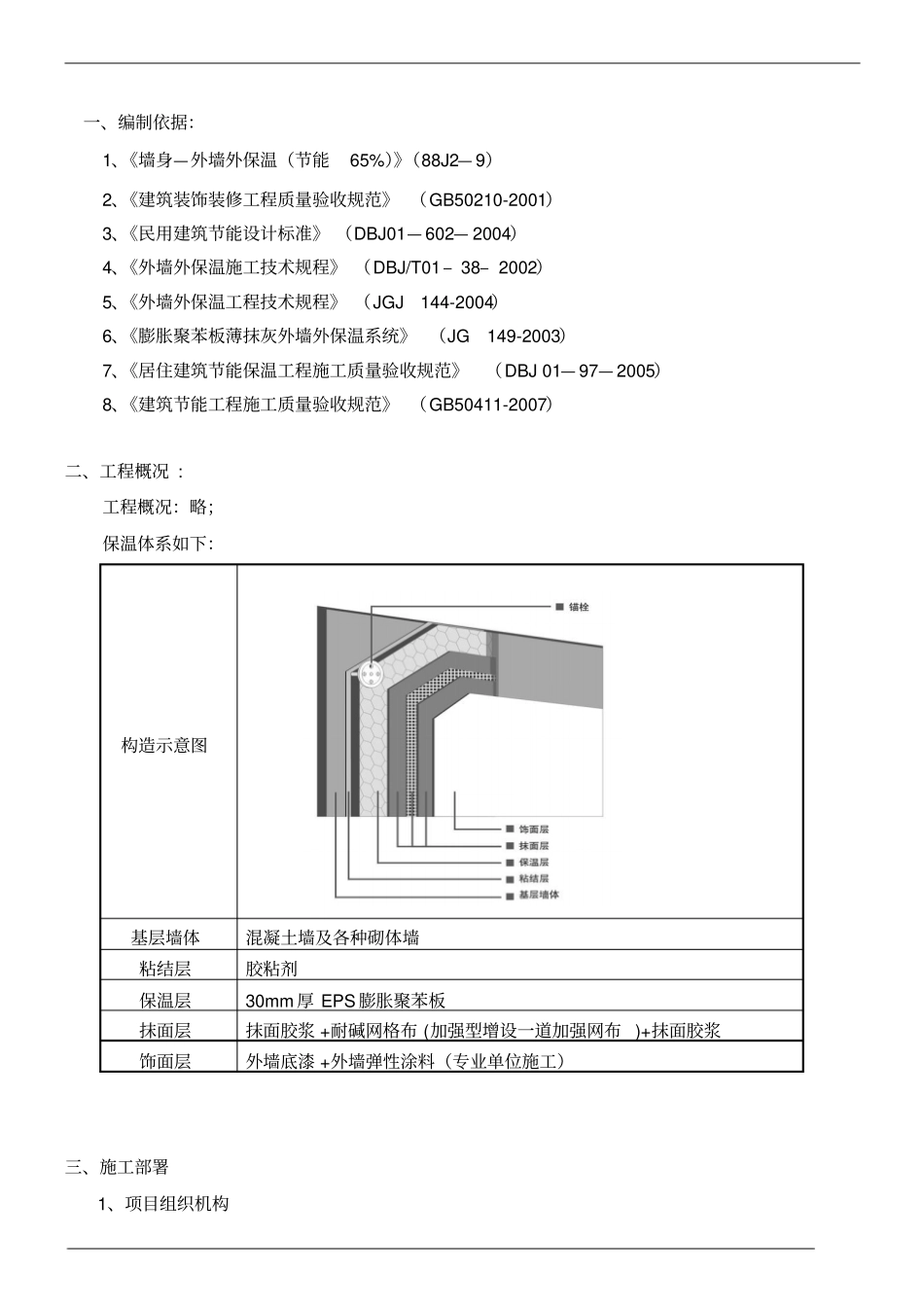
EPS膨胀聚苯板外墙外保温系统涂料饰面施工方案江阴达诺新型建材有限公司目录一、编制依据⋯⋯⋯⋯⋯⋯⋯⋯⋯⋯⋯⋯⋯⋯⋯⋯⋯⋯⋯⋯⋯⋯⋯⋯1二、工程概况⋯⋯⋯⋯⋯⋯⋯⋯⋯⋯⋯⋯⋯⋯⋯⋯⋯⋯⋯⋯⋯⋯⋯⋯1三、施工部署⋯⋯⋯⋯⋯⋯⋯⋯⋯⋯⋯⋯⋯⋯⋯⋯⋯⋯⋯⋯⋯⋯⋯⋯2四、需发包方配合的工作⋯⋯⋯⋯⋯⋯⋯⋯⋯⋯⋯⋯⋯⋯⋯⋯⋯⋯⋯2五、外保温施工条件⋯⋯⋯⋯⋯⋯⋯⋯⋯⋯⋯⋯⋯⋯⋯⋯⋯⋯⋯⋯⋯3六、工程材料性能指标⋯⋯⋯⋯⋯⋯⋯⋯⋯⋯⋯⋯⋯⋯⋯⋯⋯⋯⋯⋯4七、材料配制⋯⋯⋯⋯⋯⋯⋯⋯⋯⋯⋯⋯⋯⋯⋯⋯⋯⋯⋯⋯⋯⋯⋯⋯5八、施工工艺⋯⋯⋯⋯⋯⋯⋯⋯⋯⋯⋯⋯⋯⋯⋯⋯⋯⋯⋯⋯⋯⋯⋯⋯6九、无机保温砂浆防火隔离带施工设计⋯⋯⋯⋯⋯⋯⋯⋯⋯⋯⋯⋯⋯11十、工程质量控制⋯⋯⋯⋯⋯⋯⋯⋯⋯⋯⋯⋯⋯⋯⋯⋯⋯⋯⋯⋯⋯⋯14十一、质量验收⋯⋯⋯⋯⋯⋯⋯⋯⋯⋯⋯⋯⋯⋯⋯⋯⋯⋯⋯⋯⋯⋯⋯⋯14十二、安全文明施工⋯⋯⋯⋯⋯⋯⋯⋯⋯⋯⋯⋯⋯⋯⋯⋯⋯⋯⋯⋯⋯⋯15十三、现场材料管理⋯⋯⋯⋯⋯⋯⋯⋯⋯⋯⋯⋯⋯⋯⋯⋯⋯⋯⋯⋯⋯⋯15一、编制依据:1、《墙身—外墙外保温(节能65%)》(88J2—9)2、《建筑装饰装修工程质量验收规范》(GB50210-2001)3、《民用建筑节能设计标准》(DBJ01—602—2004)4、《外墙外保温施工技术规程》(DBJ/T01–38–2002)5、《外墙外保温工程技术规程》(JGJ144-2004)6、《膨胀聚苯板薄抹灰外墙外保温系统》(JG149-2003)7、《居住建筑节能保温工程施工质量验收规范》(DBJ01—97—2005)8、《建筑节能工程施工质量验收规范》(GB50411-2007)二、工程概况:工程概况:略;保温体系如下:构造示意图基层墙体混凝土墙及各种砌体墙粘结层胶粘剂保温层30mm厚EPS膨胀聚苯板抹面层抹面胶浆+耐碱网格布(加强型增设一道加强网布)+抹面胶浆饰面层外墙底漆+外墙弹性涂料(专业单位施工)三、施工部署1、项目组织机构项目经理现场负责人质检员技术员安全员四、需要发包方及时配合的工作1、提供施工要求及技术交底文件。2、对我公司的现场工程样板尽快验收并提出书面意见。3、做保温层前,要求保温墙面平整度大于10㎜的部位应由总包方剔除,必要时做好水泥砂浆找平,墙面基层处理应全部完工并做到平整、光滑、无油污、无裂纹、无空鼓、线角顺直、整体坚实、充分干燥,以确保外保温的质量。此部分若由我方负责,费用另行结算。4、外墙外保温施工过程中如有施工要求的变化应以最短的时间内,出据书面洽商,以使双方及时更改减少损失。5、由于发包方及天气异常及人工不可抗拒的因素造成工期拖延应及时给予书面确认并相应调整施工计划。6、及时解决施工用水、电、脚手架、库房、工人宿舍等必要条件,协助解决工人用餐问题。7、对我公司已施工完成的部分及时分层验收把关。8、协调各工种间的工序搭接,严防交叉污染以保证外墙面的整体形象。五、外保温施工条件:1、经过工程验收达到质量标准的结构承重墙面或非承重墙面即可进行外墙外保温施工。完成雨水管卡、设备洞口管道的安装,安装时要考虑保温层的厚度,并将洞口四周用水泥砂浆抹平,所有的墙面需干燥,墙体基面的尺寸偏差应符合下表规定:工程做法项目允许偏差,≤,㎜砌体工程墙面垂直度每层5(2m托线板检查)全高≤10m10经纬仪或吊线检查>10m20表面平整度52m直尺或楔型塞尺检查砼工程垂直度层高≤5m8>5m10全高H/1000且≤30表面平整2m长度82、堵抹洞口四周的缝隙,门窗洞口经过验收,洞口尺寸位置达到设计和质量要求;门窗框或辅框按设计要求先安装好。所有的成品门窗要提前保护。3、操作地点环境和基底温度不低于5℃,风力不大于5级,雨天不能施工,如突然降雨应采取有效措施,防止雨水冲刷墙面。4、脚手架安装完毕,要符合国家安全规范要求,满足保温施工作业要求。5、要求现场提供有380伏、220伏电源。6、材料进场后组织有关人员进行清点验收。材料应分类挂牌防雨存放;液态胶存放温度不得低于0℃;干混料存放应注意防雨防潮和保质期。六、工程材料:1、粘结砂浆的主要性能指标:项目指标外观灰色均匀粉末状拉伸粘接强度/MPa(与水泥砂浆)原强度≥0.60耐水≥0.40拉伸粘接强度/MPa(与聚苯板)原强度...

1、当您付费下载文档后,您只拥有了使用权限,并不意味着购买了版权,文档只能用于自身使用,不得用于其他商业用途(如 [转卖]进行直接盈利或[编辑后售卖]进行间接盈利)。
2、本站所有内容均由合作方或网友上传,本站不对文档的完整性、权威性及其观点立场正确性做任何保证或承诺!文档内容仅供研究参考,付费前请自行鉴别。
3、如文档内容存在违规,或者侵犯商业秘密、侵犯著作权等,请点击“违规举报”。

碎片内容

EPS涂料施工方案

您可能关注的文档

确认删除?
VIP
微信客服
  • 扫码咨询
会员Q群
  • 会员专属群点击这里加入QQ群
客服邮箱
回到顶部