电脑桌面
添加小米粒文库到电脑桌面
安装后可以在桌面快捷访问

PLC控制步进电机正反转VIP免费

PLC控制步进电机正反转_第1页
1/4
PLC控制步进电机正反转_第2页
2/4
PLC控制步进电机正反转_第3页
3/4
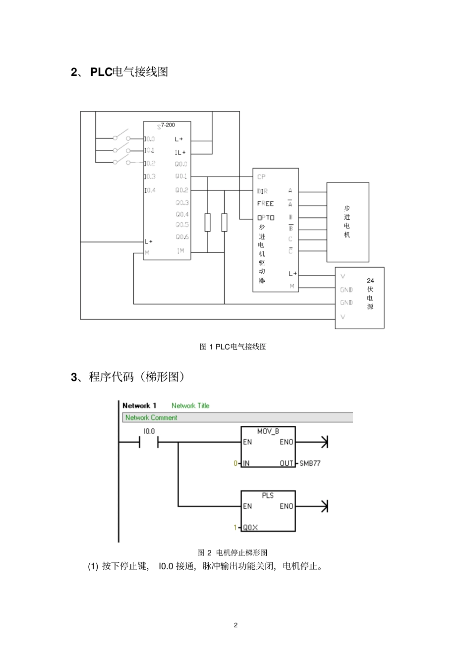
1实验名称:步进电机正反转的PLC控制一、实验目的了解步进电机运转的基本原理和步进电机控制系统的基本组成,熟练运用梯形图语言进行编程,掌握用PLC控制系统控制步进电机正反转的方法。二、实验要求1)通过查找相关资料和教师讲解了解步进电机运转的基本原理和步进电机控制系统的基本组成;2)以实验室西门子SIMATICS7-200为硬件设备,认识掌握用PLC控制系统控制步进电机正反转的方法;3)学习STEP7-Micro/WIN4.0软件,运用梯形图语言进行编程。三、实验设备1)西门子SIMATICS7-200PLC硬件系统2)西门子SIMATICS7-200PLC编程软件STEP7-Micro/WIN4.03)SH全系列步进电机驱动器SH-3F075四、实验原理1、PLC控制系统I/O分配表1I0.0停止2I0.1正转3I0.2反转4Q0.1高速脉冲输出22、PLC电气接线图24伏电源步进电机步进电机驱动器7-200图1PLC电气接线图3、程序代码(梯形图)图2电机停止梯形图(1)按下停止键,I0.0接通,脉冲输出功能关闭,电机停止。3图3电机正转梯形图(2)按下正转键,I0.1接通,方向电平复位,脉冲输出功能PWM输出脉冲周期为2000um,脉宽为1000um的脉冲,电机正转。注:寄存器说明SM77.0PWMupdatecycletimevalue0=noupdate;1=updatecycletimeSM77.1PWMupdatepulsewidthtimevalue0=noupdate;1=updatepulsewidthSM77.3PWMtimebaseselect0=1us/tick;1=1ms/tickSM77.4PWMupdatemethod:0=asynchronousupdate,1=synchronousupdateSM77.6PWMmodeselect0=selectsPTO;1=selectsPWMSM77.7PWMenable0=disablesPWM;1=enablesPWMSMW78:PWMcycletimevalue(range:2to65535)SMW80:PWMpulsewidthvalue(range:0to65535)4图4电机反转梯形图(3)按下反转键,I0.2接通,方向电平置位,脉冲输出功能PWM输出脉冲周期为2000um,脉宽为1000um的脉冲,电机反转。(4)

1、当您付费下载文档后,您只拥有了使用权限,并不意味着购买了版权,文档只能用于自身使用,不得用于其他商业用途(如 [转卖]进行直接盈利或[编辑后售卖]进行间接盈利)。
2、本站所有内容均由合作方或网友上传,本站不对文档的完整性、权威性及其观点立场正确性做任何保证或承诺!文档内容仅供研究参考,付费前请自行鉴别。
3、如文档内容存在违规,或者侵犯商业秘密、侵犯著作权等,请点击“违规举报”。

碎片内容

PLC控制步进电机正反转

文库当当响+ 关注
实名认证
内容提供者

该用户很懒,什么也没介绍

确认删除?
VIP
微信客服
  • 扫码咨询
会员Q群
  • 会员专属群点击这里加入QQ群
客服邮箱
回到顶部