电脑桌面
添加小米粒文库到电脑桌面
安装后可以在桌面快捷访问

消防员职业健康检查表(范本)VIP免费

消防员职业健康检查表(范本)_第1页
1/23
消防员职业健康检查表(范本)_第2页
2/23
消防员职业健康检查表(范本)_第3页
3/23
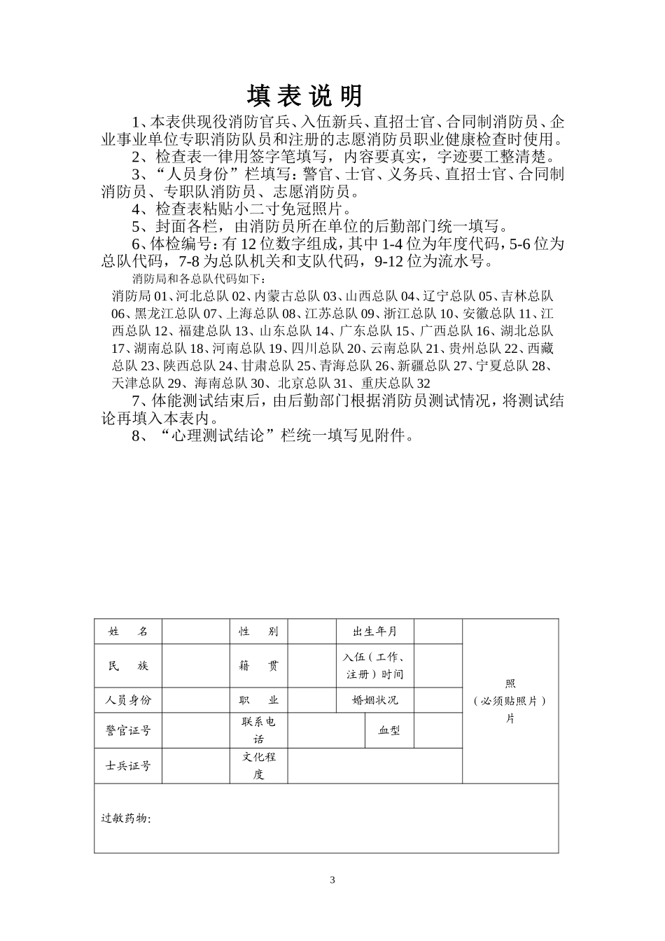
消防员职业健康检查表姓名:体检编号:________________公安部消防局监制体检机构:________________________地址:________________________体检机构:________________________地址:________________________联系电话:________________________单位:________________________调动情况:________________________________________________类别:上岗前:年月日在岗期间:年月日年月日年月日应急:年月日年月日年月日离岗时:年月日建表日期:年月日2填表说明1、本表供现役消防官兵、入伍新兵、直招士官、合同制消防员、企业事业单位专职消防队员和注册的志愿消防员职业健康检查时使用。2、检查表一律用签字笔填写,内容要真实,字迹要工整清楚。3、“人员身份”栏填写:警官、士官、义务兵、直招士官、合同制消防员、专职队消防员、志愿消防员。4、检查表粘贴小二寸免冠照片。5、封面各栏,由消防员所在单位的后勤部门统一填写。6、体检编号:有12位数字组成,其中1-4位为年度代码,5-6位为总队代码,7-8为总队机关和支队代码,9-12位为流水号。消防局和各总队代码如下:消防局01、河北总队02、内蒙古总队03、山西总队04、辽宁总队05、吉林总队06、黑龙江总队07、上海总队08、江苏总队09、浙江总队10、安徽总队11、江西总队12、福建总队13、山东总队14、广东总队15、广西总队16、湖北总队17、湖南总队18、河南总队19、四川总队20、云南总队21、贵州总队22、西藏总队23、陕西总队24、甘肃总队25、青海总队26、新疆总队27、宁夏总队28、天津总队29、海南总队30、北京总队31、重庆总队327、体能测试结束后,由后勤部门根据消防员测试情况,将测试结论再填入本表内。8、“心理测试结论”栏统一填写见附件。姓名性别出生年月照(必须贴照片)片民族籍贯入伍(工作、注册)时间人员身份职业婚姻状况警官证号联系电话血型士兵证号文化程度过敏药物:3接触毒害种类及名称:日期受检人签名用人单位签章用人单位签章消防支队(大队盖章)年月日年月日年月日年月日一、体格检查(一)职业史(由受检者本人填写)日期工作单位工种有害因素防护措施4(二)既往病史:诊断:诊断日期:诊断单位:是否痊愈:(三)月经史:()(四)生育史:现有子女人,流产次,早产次,死产次,异常胎次(五)烟酒史:不吸烟,偶吸烟,经常吸支/天、共年;不饮酒,偶饮酒,经常饮两/日、共年;(六)其它:(七)症状(请根据具体情况填写)项目年月日年月日年月日年月日1.头痛+2.头(晕)昏-3.眩晕-4.失眠-55.嗜睡-6.多梦-7.记忆力减退+8.易激动-9.疲乏无力-10.低热-11.盗汗-12.多汗-13.全身酸痛-14.性欲减退-15.视物模糊-16.视力下降-17.眼痛-18.羞明-19.流泪-20.嗅觉减退-21.鼻干燥-22.鼻塞-23.流鼻血-24.流涕-25.耳鸣-26.耳聋-27.口渴-28.流涎-29.牙痛+30.牙齿松动+31.刷牙出血-32.口腔异味-33.口腔溃疡-34.咽痛-项目年月日年月日年月日年月日35.气短-36.胸闷-37.胸痛-38.咳嗽-39.咳痰-640.咯血-41.哮喘-42.心悸-43.心前区不适-44.食欲减退-45.消瘦-46.恶心-47.呕吐-48.腹胀-49.腹痛-50.腹泻-51.肝区痛-52.便秘-53.尿频-54.尿急-55.尿血-56.皮下出血-57.皮肤搔痒-58.皮疹-59.浮肿-60.脱发-61.关节痛-62.肌肉酸痛-63.肌肉抽搐-64.四肢麻木-65.动作不灵活-66.月经异常-67.其它医生签名*有上述症状用“+”表示,无症状用“—”表示7(八)体征项目2010年7月25日年月日年月日年月日一般情况发育正常身高162cmcmcmcm体重60kgkgkgkg心率次/分次/分次/分次/分血压/mmHg/mmHg/mmHg/mmHg五官视力裸视力L1.0R1.0LRLRLR矫正LRLRLRLR辨色力眼外眼晶体眼底耳听力左右鼻口腔咽喉鼻咽部检查医师(签章)内科心脏肺腹部肝胆脾检查医师(签章)8项目年月日年月日年月日年月日外科头颅甲状腺胸部浅表淋巴结皮肤脊柱四肢关节外生殖器肛门检查医师(签章)神经系统皮肤划痕症膝反射跟腱反射肌力肌张力共济运动感觉异常三颤病理反射检查医师(签章)其它妇科检查9项目年月日年月日年月日年月日检查医师(签章)(九)1、实验室检查日期血液尿常规尿糖Hbg/LRBC1012/LWBC...

1、当您付费下载文档后,您只拥有了使用权限,并不意味着购买了版权,文档只能用于自身使用,不得用于其他商业用途(如 [转卖]进行直接盈利或[编辑后售卖]进行间接盈利)。
2、本站所有内容均由合作方或网友上传,本站不对文档的完整性、权威性及其观点立场正确性做任何保证或承诺!文档内容仅供研究参考,付费前请自行鉴别。
3、如文档内容存在违规,或者侵犯商业秘密、侵犯著作权等,请点击“违规举报”。

碎片内容

消防员职业健康检查表(范本)

您可能关注的文档

确认删除?
VIP
微信客服
  • 扫码咨询
会员Q群
  • 会员专属群点击这里加入QQ群
客服邮箱
回到顶部